Foram encontradas 40 questões.
Ao aplicar-se um sinal de forma de onda senoidal na entrada de um circuito amplificador contendo dois transistores BJT e operando em classe B, é correto afirmar que:
Provas
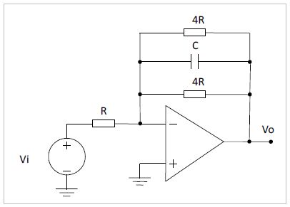
Considere o circuito elétrico abaixo.
Assumindo que o AMPOP seja ideal, assinale a alternativa que indica a frequência de corte do circuito apresentado:

Provas
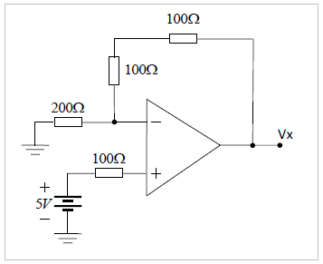
Considere o circuito elétrico abaixo.

Assumindo que o AMPOP seja ideal, assinale a alternativa que apresenta a tensão Vx:
Provas
Considere o circuito elétrico abaixo, onde uma fonte de tensão senoidal (CA) de valor eficaz de tensão igual a 120V é aplicada a um circuito composto por dois resistores de resistências iguais a \( R_1 = 20 \Omega \ e \ R_2 = 20\Omega \), um indutor de reatância indutiva igual a \( X_L = 10 \Omega \) e um capacitor de reatância capacitiva igual a \( X_c = 10 \Omega \).

Assinale a alternativa que indica a potência ativa (média) fornecida pela fonte de tensão:
Provas
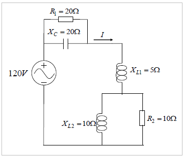
Considere o circuito elétrico abaixo, onde uma fonte de tensão senoidal (CA) de valor eficaz de tensão igual a 120V é aplicada a um circuito composto por dois resistores de resistências iguais a \( R_1 = 20\Omega \ e \ R_2 = 10\Omega \), dois indutores de reatâncias indutivas iguais a \( X_{L1} = 5\Omega \ e \ X_{L2} = 10\Omega \) e um capacitor de reatância capacitiva igual a \( X_c = 20 \Omega \).

Assinale a alternativa que apresenta a corrente I, indicada no circuito:
Provas
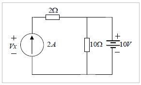
Considere o circuito elétrico abaixo.

Assinale a alternativa que indica a diferença de potencial indicada por Vx.
Provas
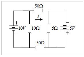
Considere o circuito elétrico abaixo.

Assinale a alternativa que indica o valor da corrente I.
Provas
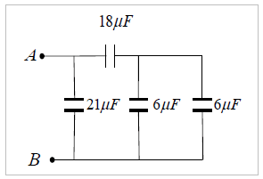
Considere o circuito elétrico abaixo.

A capacitância equivalente, vista entre os terminais A e B, é igual a:
Provas
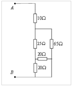
Considere o circuito elétrico abaixo.

A resistência equivalente, vista entre os terminais A e B, é igual a:
Provas
Com relação a instrumentos de medição, identifique as seguintes afirmativas como verdadeiras (V) ou falsas (F):
( ) Um osciloscópio digital é um aparelho que produz gráficos que representam o comportamento dos sinais elétricos exclusivamente no domínio da frequência.
( ) Para a medição de corrente com o amperímetro, é necessário conectá-lo em série com o sistema que se deseja medir.
( ) Os fasímetros são instrumentos destinados a medir o fator de potência de um circuito.
( ) Para realização de medições precisas, é esperado que um voltímetro possua uma resistência muito grande em comparação à resistência do circuito sendo medido.
Assinale a alternativa que apresenta a sequência correta, de cima para baixo.
Provas
Caderno Container