Foram encontradas 50 questões.
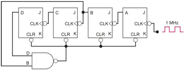
Considere o circuito ilustrado na figura a seguir.

Assumindo que, inicialmente, todas as entradas J e K estão em nível 1, pode-se afirmar que o circuito representa um:
Provas
Questão presente nas seguintes provas
- Gerenciamento de MemóriaFalha de Página (Page Fault)
- Gerenciamento de MemóriaPaginação de Memória
- Gerenciamento de MemóriaThrashing
O fenômeno denominado de Thrashing pode ocorrer durante a gestão de memória de um sistema operacional. Assinale a alternativa que caracteriza corretamente esse fenômeno.
Provas
Questão presente nas seguintes provas
Em uma rede de computadores configurada com topologia de barramento, pode ocorrer colisão de dados quando dois ou mais computadores tentam enviar dados ao mesmo tempo. Uma tecnologia normalmente adotada para evitar o problema é:
Provas
Questão presente nas seguintes provas
O objetivo principal das redes privadas virtuais ou VPNs é permitir que:
Provas
Questão presente nas seguintes provas
Uma onda de ataques a sites ligados ao governo federal teve início no dia 22/06/2011 com a sobrecarga dos sites da Presidência da República (presidencia.gov.br) e do Governo do Brasil (brasil.gov.br). O ataque, reivindicado pela filial brasileira do grupo hacker “Lulz Security”, gerou ações semelhantes de outros grupos. O site do Instituto Brasileiro de Geografia e Estatística (IBGE) foi invadido por hackers na madrugada do dia 24/06/2011. No topo da página na internet, está escrito “IBGE Hackeado – Fail Shell”. Esse tipo de ataque é conhecido como:
Provas
Questão presente nas seguintes provas
Pessoas mal intencionadas utilizam um tipo de programa bastante comum para identificar portas abertas e planejar invasões. Esses programas também são utilizados por empresas de segurança que realizam análises de vulnerabilidades (pen test). Esses programas são conhecidos como:
Provas
Questão presente nas seguintes provas
Considere o código JSP ilustrado a seguir:
<%@ page language="java" import="java.util.*" %>
<HTML> <HEAD> <TITLE> Hello JSP</TITLE></HEAD>
<BODY>
<H1>
<%
Integer n = (Integer)application.getAttribute("numero");
if (n==null) {
n= new Integer(1);
application.setAttribute("numero",n);
}
else
{
n = new Integer(n.intValue() + 1);
application.setAttribute("numero",n);
}
%>
Numero = <%= n.toString() %> !!!
</H1>
</BODY>
</HTML>
O atributo “numero” estará disponível:
Provas
Questão presente nas seguintes provas
TEXTO
Conforme Morin (2000), há muito tempo a sociedade industrial está organizada na forma de um modelo “mecanoprodutivista do positivismo”: o progresso científico!$ ^{(A)} !$ levaria ao progresso técnico, este ao desenvolvimento econômico!$ ^{(A)} !$ e, por fim, ao progresso sociocultural.
Essa concepção de ciência envolveu as pessoas de tal maneira que elas acreditaram e muitas ainda acreditam que a Ciência e a Tecnologia provocam somente o bem-estar social e a felicidade de todos, sem medir a repercussão e as consequências negativas advindas dessa forma de fazer e pensar o mundo. O “bem-estar social” fez com que a maioria das pessoas “tomasse” a ciência como um “deus”!$ ^{(B)} !$, que fosse resolver todos os seus problemas!$ ^{(B)} !$.
Nem todos os problemas, entretanto, podem ser resolvidos cientificamente. O conhecimento científico e tecnológico, estudado como algo desvinculado da realidade, sem relação com as questões sociais, é uma forma que a ciência encontrou de manipular, objetivar, ou seja, controlar o mais possível para a exatidão, a verdade do que se deseja!$ ^{(C)} !$.
(...)
Assim, apesar da boa intenção, nem sempre a Ciência e a Tecnologia produzidas foram benéficas. Vários são os interesses de poder que estão em jogo, principalmente no que se refere aos interesses econômicos, como destaca Iglesias: “C&T é usada hoje na conquista de novos mercados e na produção de novos produtos que acelerem o ciclo de obsolescência característico da sociedade de consumo. [...] grandes investimentos são realizados na área de informática, onde famílias de computadores se tornam obsoletas em poucos anos. [...] As pesquisas sobre a Aids não têm tampouco uma finalidade puramente humanitária; as indústrias químicas e farmacêuticas esperam faturar bilhões de dólares com a produção de remédios e/ou uma vacina para a doença” (1989, p.166).
Temos uma noção!$ ^{(D)} !$ de que a construção do conhecimento científico e tecnológico e o seu rápido avanço!$ ^{(D)} !$ nos trouxeram muitas “regalias”, tais como a engenharia genética com a possibilidade de curar doenças e prever o futuro delas, a clonagem terapêutica, o melhoramento genético das plantas e dos animais (transgênicos), as células-tronco com a possibilidade da especialização destas células em outras (regeneração de órgãos e reprodução de outros). Isso sem mencionar as outras novidades da Ciência e da Tecnologia, na área da computação, na área da eletroeletrônica, na área da Química, da Física... Ao mesmo tempo em que ultrapassou os seus limites de bondade e mostrou também um outro lado, que modificou significativamente as relações entre os sujeitos e destes com o meio, provocando a dizimação imediata ou em longo prazo de espécies animais e plantas, modificações da paisagem, como desvio de rios e montanhas.
(...)
Em parte, a escassa reflexão sobre a forma e o modelo do conhecimento produzido traz algumas consequências negativas para as nossas vidas e nos remete a analisar como e quando essas questões devem ser discutidas pela população em geral. Isso é fundamental para que as pessoas sejam científica e tecnologicamente “formadas” de modo a perceber problemas daí decorrentes e construir soluções conscientes e referenciadas.
(...)
Defende-se aqui a necessidade de uma alfabetização científica e tecnológica de cunho crítico e participativo nas tomadas de decisão para a resolução de problemas!$ ^{(E)} !$ da Ciência, ao invés da simples transmissão-recepção de conteúdos e conceitos sem ao menos refletir, significar e contextualizá-los!$ ^{(E)} !$. Isso será possível talvez na reorganização curricular como possibilidade de mudança, uma possibilidade de reflexão sobre a natureza da Ciência, sobre o papel da Ciência, da Tecnologia, dos temas sociais e suas relações tão complexas.
Adaptado de: MEZALIRA, Sandra Mara. Complexidade e compreensão da relação Ciência, Tecnologia e
Sociedade (CTS). Revista Espaço Acadêmico. Nº 75. Agosto/2007. Disponível em:
http://www.espacoacademico.com.br/075/75mezalira.htm. Acesso em 15 out. 2011.
Assinale a alternativa que indica corretamente a que se refere o pronome destacado.
Provas
Questão presente nas seguintes provas
TEXTO
Conforme Morin (2000), há muito tempo a sociedade industrial está organizada na forma de um modelo “mecanoprodutivista do positivismo”: o progresso científico levaria ao progresso técnico, este ao desenvolvimento econômico e, por fim, ao progresso sociocultural.
Essa concepção de ciência envolveu as pessoas de tal maneira que elas acreditaram e muitas ainda acreditam que a Ciência e a Tecnologia provocam somente o bem-estar social e a felicidade de todos, sem medir a repercussão!$ ^{(A)} !$ e as consequências negativas advindas!$ ^{(E)} !$ dessa forma de fazer e pensar o mundo. O “bem-estar social” fez com que a maioria das pessoas “tomasse” a ciência como um “deus”, que fosse resolver todos os seus problemas.
Nem todos os problemas, entretanto, podem ser resolvidos cientificamente. O conhecimento científico e tecnológico, estudado como algo desvinculado da realidade, sem relação com as questões sociais, é uma forma que a ciência encontrou de manipular, objetivar, ou seja, controlar o mais possível para a exatidão, a verdade do que se deseja.
(...)
Assim, apesar da boa intenção, nem sempre a Ciência e a Tecnologia produzidas foram benéficas. Vários são os interesses de poder que estão em jogo, principalmente no que se refere aos interesses econômicos, como destaca Iglesias: “C&T é usada hoje na conquista de novos mercados e na produção de novos produtos que acelerem o ciclo de obsolescência!$ ^{(B)} !$ característico da sociedade de consumo. [...] grandes investimentos são realizados na área de informática, onde famílias de computadores se tornam obsoletas em poucos anos. [...] As pesquisas sobre a Aids não têm tampouco uma finalidade puramente humanitária!$ ^{(D)} !$; as indústrias químicas e farmacêuticas esperam faturar bilhões de dólares com a produção de remédios e/ou uma vacina para a doença” (1989, p.166).
Temos uma noção de que a construção do conhecimento científico e tecnológico e o seu rápido avanço nos trouxeram muitas “regalias”, tais como a engenharia genética com a possibilidade de curar doenças e prever o futuro delas, a clonagem terapêutica, o melhoramento genético das plantas e dos animais (transgênicos), as células-tronco com a possibilidade da especialização destas células em outras (regeneração de órgãos e reprodução de outros). Isso sem mencionar as outras novidades da Ciência e da Tecnologia, na área da computação, na área da eletroeletrônica, na área da Química, da Física... Ao mesmo tempo em que ultrapassou os seus limites de bondade e mostrou também um outro lado, que modificou significativamente as relações entre os sujeitos e destes com o meio, provocando a dizimação!$ ^{(C)} !$ imediata ou em longo prazo de espécies animais e plantas, modificações da paisagem, como desvio de rios e montanhas.
(...)
Em parte, a escassa reflexão sobre a forma e o modelo do conhecimento produzido traz algumas consequências negativas para as nossas vidas e nos remete a analisar como e quando essas questões devem ser discutidas pela população em geral. Isso é fundamental para que as pessoas sejam científica e tecnologicamente “formadas” de modo a perceber problemas daí decorrentes e construir soluções conscientes e referenciadas.
(...)
Defende-se aqui a necessidade de uma alfabetização científica e tecnológica de cunho crítico e participativo nas tomadas de decisão para a resolução de problemas da Ciência, ao invés da simples transmissão-recepção de conteúdos e conceitos sem ao menos refletir, significar e contextualizá-los. Isso será possível talvez na reorganização curricular como possibilidade de mudança, uma possibilidade de reflexão sobre a natureza da Ciência, sobre o papel da Ciência, da Tecnologia, dos temas sociais e suas relações tão complexas.
Adaptado de: MEZALIRA, Sandra Mara. Complexidade e compreensão da relação Ciência, Tecnologia e
Sociedade (CTS). Revista Espaço Acadêmico. Nº 75. Agosto/2007. Disponível em:
http://www.espacoacademico.com.br/075/75mezalira.htm. Acesso em 15 out. 2011.
Assinale a alternativa em que a relação de sinonímia está correta no contexto.
Provas
Questão presente nas seguintes provas
TEXTO
Conforme Morin (2000), há muito tempo a sociedade industrial está organizada na forma de um modelo “mecanoprodutivista do positivismo”: o progresso científico levaria ao progresso técnico, este ao desenvolvimento econômico e, por fim, ao progresso sociocultural.
Essa concepção de ciência envolveu as pessoas de tal maneira que elas acreditaram e muitas ainda acreditam que a Ciência e a Tecnologia provocam somente o bem-estar social e a felicidade de todos, sem medir a repercussão e as consequências negativas advindas dessa forma de fazer e pensar o mundo. O “bem-estar social” fez com que a maioria das pessoas “tomasse” a ciência como um “deus”, que fosse resolver todos os seus problemas.
Nem todos os problemas, entretanto, podem ser resolvidos cientificamente. O conhecimento científico e tecnológico, estudado como algo desvinculado da realidade, sem relação com as questões sociais, é uma forma que a ciência encontrou de manipular, objetivar, ou seja, controlar o mais possível para a exatidão, a verdade do que se deseja.
(...)
Assim, apesar da boa intenção, nem sempre a Ciência e a Tecnologia produzidas foram benéficas. Vários são os interesses de poder que estão em jogo, principalmente no que se refere aos interesses econômicos, como destaca Iglesias: “C&T é usada hoje na conquista de novos mercados e na produção de novos produtos que acelerem o ciclo de obsolescência característico da sociedade de consumo. [...] grandes investimentos são realizados na área de informática, onde famílias de computadores se tornam obsoletas em poucos anos. [...] As pesquisas sobre a Aids não têm tampouco uma finalidade puramente humanitária; as indústrias químicas e farmacêuticas esperam faturar bilhões de dólares com a produção de remédios e/ou uma vacina para a doença” (1989, p.166).
Temos uma noção de que a construção do conhecimento científico e tecnológico e o seu rápido avanço nos trouxeram muitas “regalias”, tais como a engenharia genética com a possibilidade de curar doenças e prever o futuro delas, a clonagem terapêutica, o melhoramento genético das plantas e dos animais (transgênicos), as células-tronco com a possibilidade da especialização destas células em outras (regeneração de órgãos e reprodução de outros). Isso sem mencionar as outras novidades da Ciência e da Tecnologia, na área da computação, na área da eletroeletrônica, na área da Química, da Física... Ao mesmo tempo em que ultrapassou os seus limites de bondade e mostrou também um outro lado, que modificou significativamente as relações entre os sujeitos e destes com o meio, provocando a dizimação imediata ou em longo prazo de espécies animais e plantas, modificações da paisagem, como desvio de rios e montanhas.
(...)
Em parte, a escassa reflexão sobre a forma e o modelo do conhecimento produzido traz algumas consequências negativas para as nossas vidas e nos remete a analisar como e quando essas questões devem ser discutidas pela população em geral. Isso é fundamental para que as pessoas sejam científica e tecnologicamente “formadas” de modo a perceber problemas daí decorrentes e construir soluções conscientes e referenciadas.
(...)
Defende-se aqui a necessidade de uma alfabetização científica e tecnológica de cunho crítico e participativo nas tomadas de decisão para a resolução de problemas da Ciência, ao invés da simples transmissão-recepção de conteúdos e conceitos sem ao menos refletir, significar e contextualizá-los. Isso será possível talvez na reorganização curricular como possibilidade de mudança, uma possibilidade de reflexão sobre a natureza da Ciência, sobre o papel da Ciência, da Tecnologia, dos temas sociais e suas relações tão complexas.
Adaptado de: MEZALIRA, Sandra Mara. Complexidade e compreensão da relação Ciência, Tecnologia e
Sociedade (CTS). Revista Espaço Acadêmico. Nº 75. Agosto/2007. Disponível em:
http://www.espacoacademico.com.br/075/75mezalira.htm. Acesso em 15 out. 2011.
Quanto ao conhecimento científico e tecnológico (C&T) e o seu rápido avanço, o quinto parágrafo denota que o autor:
Provas
Questão presente nas seguintes provas
Cadernos
Caderno Container