Foram encontradas 70 questões.
Um sistema linear, causal e discreto tem como resposta
ao impulso unitário a expressão
h(n) = [5(2)n + 10(3)n-1]u(n-1)+8δ(n) onde u(n) é o degrau unitário discreto.
Aplicando-se as propriedades da Transformada Z, a expressão da Função de Transferência H(z) desse sistema é
h(n) = [5(2)n + 10(3)n-1]u(n-1)+8δ(n) onde u(n) é o degrau unitário discreto.
Aplicando-se as propriedades da Transformada Z, a expressão da Função de Transferência H(z) desse sistema é
Provas
Questão presente nas seguintes provas
Um motor síncrono trifásico, ligado em delta, foi submetido aos ensaios DC e em vazio, e seus resultados são apresentados na Tabela a seguir.

Diante do exposto, o valor, em W, das perdas por atrito, da ventilação e do núcleo do motor é

Diante do exposto, o valor, em W, das perdas por atrito, da ventilação e do núcleo do motor é
Provas
Questão presente nas seguintes provas
A Figura abaixo ilustra um circuito elétrico, sob a forma de
um quadripolo, definido pelo retângulo pontilhado, onde
os componentes são considerados ideais.

Qual é a expressão da impedância de entrada Z11(S) =
desse circuito?

Qual é a expressão da impedância de entrada Z11(S) =
Provas
Questão presente nas seguintes provas
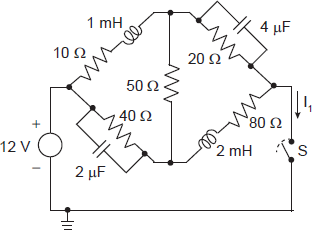
A Figura abaixo ilustra um circuito elétrico em que os
componentes são considerados ideais.
Em determinado instante, a chave S é fechada. Após algum tempo, supondo-se o circuito operando em regime permanente, qual será o valor da corrente I1, em ampère?
Em determinado instante, a chave S é fechada. Após algum tempo, supondo-se o circuito operando em regime permanente, qual será o valor da corrente I1, em ampère?
Provas
Questão presente nas seguintes provas
Na Figura a seguir, há a representação de um capacitor
de placas paralelas, onde o dielétrico que separa ambas
as placas condutivas é composto por duas camadas de
materiais diferentes, D1
e D2, com as mesmas espessuras
d = 15 mm. As constantes dielétricas ε1
e ε2, respectivamente, dos materiais D1
e D2
são tais que ε1 = 3ε2.
Se a esse capacitor for aplicada uma tensão constante VC = 12 V, então, a intensidade de campo elétrico em
Se a esse capacitor for aplicada uma tensão constante VC = 12 V, então, a intensidade de campo elétrico em
Provas
Questão presente nas seguintes provas
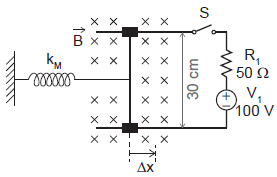
Um aparato experimental, usado para medir a intensidade
de campo magnético, é ilustrado na Figura abaixo. Nesse
aparato, há dois trilhos condutores paralelos na horizontal, por onde uma barra condutora vertical de 30 cm de
comprimento pode deslizar, com força de atrito desprezível, mantendo sempre o contato elétrico com eles. Essa
barra vertical está conectada a uma mola ideal que apresenta uma constante elástica kM = 20 N/m.
Nesse esquema, quando a chave S do circuito é fechada, observa-se que a barra vertical se desloca por uma distância Δx = 1,5 cm, em relação à posição inicial em que a mola estava relaxada.
Considerando-se que o aparato está imerso em um campo magnético
uniforme, qual será, em Tesla, a intensidade desse campo?
Nesse esquema, quando a chave S do circuito é fechada, observa-se que a barra vertical se desloca por uma distância Δx = 1,5 cm, em relação à posição inicial em que a mola estava relaxada.
Considerando-se que o aparato está imerso em um campo magnético
Provas
Questão presente nas seguintes provas
Duas placas condutoras paralelas são posicionadas a
uma distância de 60 cm uma da outra, e a elas é aplicada uma fonte de tensão de 15 kV, conforme ilustrado na
Figura a seguir. Considere que a área das placas é suficientemente grande para que o campo elétrico produzido
pela fonte de tensão possa ser considerado uniforme na
região entre ambas.
No interior das placas, uma carga elétrica pontual q1 = + 2,0 μC é movimentada através da trajetória circular ilustrada acima, até atingir o ponto Y.
Dessa forma, o trabalho realizado pela força elétrica que atua sobre a carga q1 ao longo dessa trajetória será, em joules, dado por
No interior das placas, uma carga elétrica pontual q1 = + 2,0 μC é movimentada através da trajetória circular ilustrada acima, até atingir o ponto Y.
Dessa forma, o trabalho realizado pela força elétrica que atua sobre a carga q1 ao longo dessa trajetória será, em joules, dado por
Provas
Questão presente nas seguintes provas
A Figura a seguir ilustra uma onda eletromagnética propagando-se no vácuo e incidindo sobre um anteparo plano, com
condutividade infinita.
Sobre a reflexão da onda eletromagnética na superfície do anteparo condutor, tem-se que o(a)
Sobre a reflexão da onda eletromagnética na superfície do anteparo condutor, tem-se que o(a)
Provas
Questão presente nas seguintes provas
A Figura a seguir ilustra uma superfície cônica aberta na
base, imersa em um campo elétrico uniforme, cuja intensidade é E = 250 N/C.
Considerando-se que o campo elétrico incide perpendicularmente à sua base, o fluxo de campo elétrico através dessa superfície cônica, expresso em V.m, é igual a
Considerando-se que o campo elétrico incide perpendicularmente à sua base, o fluxo de campo elétrico através dessa superfície cônica, expresso em V.m, é igual a
Provas
Questão presente nas seguintes provas
Uma fonte de tensão contínua Vf
alimenta um circuito puramente resistivo, conforme mostrado na Figura abaixo.
Aplicando-se os conceitos básicos das leis de Kirchoff, para que o valor da corrente I seja de 1A, o valor, em volts, da fonte de tensão Vf deverá ser de
Aplicando-se os conceitos básicos das leis de Kirchoff, para que o valor da corrente I seja de 1A, o valor, em volts, da fonte de tensão Vf deverá ser de
Provas
Questão presente nas seguintes provas
Cadernos
Caderno Container