Foram encontradas 665 questões.
A Figura a seguir ilustra uma onda eletromagnética propagando-se no vácuo e incidindo sobre um anteparo plano, com
condutividade infinita.
Sobre a reflexão da onda eletromagnética na superfície do anteparo condutor, tem-se que o(a)
Sobre a reflexão da onda eletromagnética na superfície do anteparo condutor, tem-se que o(a)
Provas
Questão presente nas seguintes provas
A Figura a seguir ilustra uma superfície cônica aberta na
base, imersa em um campo elétrico uniforme, cuja intensidade é E = 250 N/C.
Considerando-se que o campo elétrico incide perpendicularmente à sua base, o fluxo de campo elétrico através dessa superfície cônica, expresso em V.m, é igual a
Considerando-se que o campo elétrico incide perpendicularmente à sua base, o fluxo de campo elétrico através dessa superfície cônica, expresso em V.m, é igual a
Provas
Questão presente nas seguintes provas
Uma fonte de tensão contínua Vf
alimenta um circuito puramente resistivo, conforme mostrado na Figura abaixo.
Aplicando-se os conceitos básicos das leis de Kirchoff, para que o valor da corrente I seja de 1A, o valor, em volts, da fonte de tensão Vf deverá ser de
Aplicando-se os conceitos básicos das leis de Kirchoff, para que o valor da corrente I seja de 1A, o valor, em volts, da fonte de tensão Vf deverá ser de
Provas
Questão presente nas seguintes provas
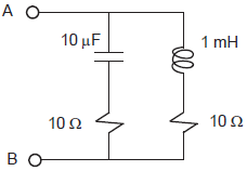
Considere o circuito RLC da Figura abaixo, onde todos os
componentes são considerados ideais.
Ao ser acionado, entre os terminais A e B, por uma fonte de tensão senoidal operando na frequência angular de 104 rad/s, o valor do módulo da impedância, em ohms, medida entre os pontos A e B, será de
Ao ser acionado, entre os terminais A e B, por uma fonte de tensão senoidal operando na frequência angular de 104 rad/s, o valor do módulo da impedância, em ohms, medida entre os pontos A e B, será de
Provas
Questão presente nas seguintes provas
O circuito mostrado na Figura abaixo é puramente resistivo. Deseja-se calcular os elementos do circuito equivalente Thevenin entre os pontos a e b, assinalados na Figura.
O cálculo solicitado resulta no valor de uma tensão equivalente VTH, bem como no valor da resistência equivalente associada RTH.
Os valores de VTH, em volts, e de RTH, em ohms, respectivamente, são:
Os valores de VTH, em volts, e de RTH, em ohms, respectivamente, são:
Provas
Questão presente nas seguintes provas
No circuito mostrado na Figura abaixo, onde todos os
componentes são considerados ideais, após o fechamento da chave ch, a fonte de tensão contínua fornecerá uma
corrente elétrica ao circuito.
O capacitor C é de 100 µF e encontra-se inicialmente descarregado.

O valor da corrente elétrica, em mA, fornecida pela fonte no instante do fechamento da chave (t=0) e o valor da tensão sobre o capacitor, em volts, medida quando o circuito atingir seu funcionamento em regime permanente, respectivamente, são:

O valor da corrente elétrica, em mA, fornecida pela fonte no instante do fechamento da chave (t=0) e o valor da tensão sobre o capacitor, em volts, medida quando o circuito atingir seu funcionamento em regime permanente, respectivamente, são:
Provas
Questão presente nas seguintes provas
Uma função do disjuntor (número funcional 52) é interromper as correntes de defeito de um dado circuito do
sistema elétrico, durante o menor espaço de tempo possível. Para tanto, os disjuntores são providos de meios
para a interrupção do arco elétrico, sendo classificados
de acordo com esse meio de extinção ou da tecnologia
empregada.
Um exemplo é o disjuntor a
Um exemplo é o disjuntor a
Provas
Questão presente nas seguintes provas
Um sistema elétrico equilibrado na configuração Estrela
é composto por uma fonte e uma carga. A sequência de
fases é ACB, e o ângulo da fase B da fonte é igual a zero.
Sabendo-se que o fator de potência da carga é igual a 0,866 capacitivo, o ângulo da corrente de linha da fase A é igual a
Sabendo-se que o fator de potência da carga é igual a 0,866 capacitivo, o ângulo da corrente de linha da fase A é igual a
Provas
Questão presente nas seguintes provas
De acordo com a Lei Complementar nº
141/2012, são consideradas despesas com ações e serviços públicos de saúde
aquelas referentes a
Provas
Questão presente nas seguintes provas
A Portaria do Ministério da Saúde GM-204/2016 define a
Lista Nacional de Notificação Compulsória de doenças,
agravos e eventos de saúde pública e dá outras providências, estabelecendo que a
Provas
Questão presente nas seguintes provas
Cadernos
Caderno Container