Foram encontradas 49 questões.
Considere um transistor bipolar de junção operando em sua região ativa. Sabendo que hfe é o ganho direto de corrente de coletor para base e α é o ganho direto de corrente de coletor para emissor. Dado um transistor NPN, cujo ganho de corrente é hfe=9 e a corrente de emissor é IEDC=10mA. Determine o valor de α, a corrente de coletor ICDC e a corrente de base IBDC, respectivamente.
Provas
Questão presente nas seguintes provas
Brasil negro
A população negra, incluindo pardos, igualou-se, nos últimos 30 anos, ao contingente de brancos no Brasil, e continua em avanço. Ainda este ano, o Brasil será um país de maioria negra. É o que mostra estudo do Instituto de Pesquisa Econômica Aplicada (IPEA), com base nos dados do Instituto Brasileiro de Geografia e Estatística (IBGE) referentes a 2006.
Infelizmente, a presença negra continua órfã em qualidade de vida, oportunidade igual de empregos, acesso ao conjunto de ofertas que aciona a ascensão social. Sob certos aspectos, os afro-brasileiros foram deixados ao desamparo, apenas com a carta de alforria. Passaram da senzala à favela. Hoje, respondem por 60,3% de mão-de-obra agrícola, 57% dos postos na construção civil e 59,1% dos serviços domésticos.
As diferenças persistem, menos traumáticas do que na época da abolição da escravatura, no entanto indicativas de preconceito implícito. As políticas públicas avançaram a passo lento, mas a igualdade racial desejável numa democracia plena é meta distanciada, a depender da vontade política de governantes.
Para enfrentar o quadro de distorções, o Brasil terá de passar da retórica à ação, das meras declarações de intenções a práticas substantivas, neste e em outros futuros governos, se quiser de fato vencer de vez as barreiras da desigualdade, mormente em relação aos negros, que representam agora 49,5% da população, contra 49,7% de brancos.
Esta proporção deverá influir no direcionamento de programas sociais. O Bolsa Família, as cotas reservadas a negros, pardos e índios em universidades já esgotaram a sua capacidade de absorção. São significativos, é certo, mas avultam paralelamente outros programas de adaptação do negro a uma sociedade livre, com possibilidades de crescimento pessoal e comunitário nos campos social, econômico, cultural e outros.
Há um saldo negativo a ser coberto. Estudo pedido pela Secretaria Especial de Igualdade Racial, da Presidência da República, demonstrou que a distribuição da população negra no Brasil reflete ainda hoje o perfil da ocupação do país, com uma grande parcela negra concentrada na região dos portos, que atuaram como receptores de escravos: São Luís, Salvador, Recife e Rio de Janeiro. Salvador tem 54,8% de pardos. São dados imprescindíveis à imediata elaboração de políticas redutoras de desigualdades.
(A Tarde, 15/05/2008)
Assinale a opção incorreta em relação às idéias do texto.
Provas
Questão presente nas seguintes provas
1404259
Ano: 2008
Disciplina: TI - Organização e Arquitetura dos Computadores
Banca: UNIVASF
Orgão: UNIVASF
Disciplina: TI - Organização e Arquitetura dos Computadores
Banca: UNIVASF
Orgão: UNIVASF
Quanto às arquiteturas de um microcontrolador pode-se afirmar:
Provas
Questão presente nas seguintes provas
O decimal é o mais importante dos sistemas numéricos. Além do sistema numérico decimal, existem o octal, hexadecimal, binário entre outros. Sabendo que certa quantidade é representada por 134 no sistema octal (1348), determine esta mesma quantidade no sistema decimal e hexadecimal, respectivamente.
Provas
Questão presente nas seguintes provas
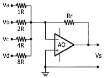
A figura abaixo representa um modelo simples de conversor digital-analógico de quatro bits. Sabendo que suas entradas podem assumir os valores lógicos 1 (5V) ou 0 (0V), determine a saída do circuito quando a palavra digital de entrada for VaVbVcVd=1100, assim como o degrau (step) do conversor.

Provas
Questão presente nas seguintes provas
Dentre as alternativas abaixo, uma está em desacordo com as relações de concordância que prescreve a gramática normativa. Aponte-a
Provas
Questão presente nas seguintes provas
A d.d.p. em um circuito foi medida com o auxílio de três multímetros diferentes, sendo que para cada aparelho foram feitas cinco leituras distintas. Os resultados obtidos foram os seguintes:
Multímetro A: 1,20 + 0,20 V.
Multímetro B: 1,50 + 0,50 V.
Multímetro C: 1,40 + 0,05 V.
Sabendo-se que o valor teórico calculado para a d.d.p. é de 1,50 V, conclui-se corretamente que o multímetro:
Provas
Questão presente nas seguintes provas
“(Marina) (...) encaminhou ao presidente, através do secretário particular de Lula, o seu pedido de demissão do cargo”.
Os quatro termos subilinhados exercem, respectivamente, a função sintática de:
Provas
Questão presente nas seguintes provas
A figura ilustra o sinal de tensão de entrada VE, submetido no circuito transistorizado. Considere, na curva, os seguintes intervalos de tempo:

• T1 de 0s a 1s
• T2 de 1s a 3s
• T3 de 4s a 6s
É CORRETO afirmar que os estados do transistor, nos intervalos T1, T2 e T3, respectivamente, são:
Provas
Questão presente nas seguintes provas
A figura mostra dois circuitos retificadores de onda completa com cargas RL idênticas, alimentados por fontes de tensão senoidal V(t), com mesmas especificações e utilizando diodos considerados ideais. Medidas de tensão e freqüência foram efetuadas nas saídas dos circuitos em cima das cargas RL, obtendo:

- V1 e f1 para C1
- V2 e f2 para C2
Com relação às medidas obtidas, é CORRETO afirmar que:
Provas
Questão presente nas seguintes provas
Cadernos
Caderno Container