Foram encontradas 60 questões.
A função C++ a seguir é usada em um aplicação desenvolvida com Arduino:
int8_t opbits(uint8_t x1){
uint8_t x2 = 0x55;
uint8_t x3 = 0x03;
uint8_t x4 = 0x08;
return ~(((x1 ^ x2) << x3) % x4);
}
Esta função é chamada no código a seguir:
uint8_t x1 = 0xaa;
int16_t y = 10*opbits(x1);
Serial.println(y)
Qual será o valor impresso (decimal) por este código?
Provas
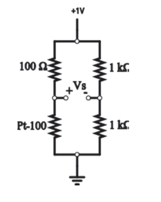
R(T) = R0 × (1 + α × T)
Admitindo que α = 0,4 %/°C, se o Pt-100 for posicionado na ponte de Wheatston da figura apresentada a seguir, qual a diferença de potência Vs quando a temperatura do Pt-100 é de 250 °C e a ponte é alimentada com 1 V?

Provas
Provas
Provas
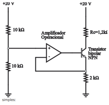
O circuito da figura a seguir representa uma fonte de corrente

Qual a corrente mais próxima da observada no resistor de carga (Rc) que vale 1,2 kΩ? Considere que o amplificador operacional seja ideal.
Provas

Faixas aceitáveis de temperatura operativa para espaços naturalmente condicionados. Adaptado de ASHRAE (2023).
Ainda considerando a figura apresentada, indique qual é, aproximadamente, a temperatura operativa máxima aceita pela norma ASHRAE 55 (ASHRAE, 2023), para um ambiente naturalmente ventilado, localizado em uma cidade hipotética, no dia primeiro de agosto de um ano caracterizado pelas temperaturas médias do ar externo apresentadas na tabela a seguir:
| Mês | Tm (°C) |
|---|---|
| Janeiro | 14,1 |
| Fevereiro | 16,9 |
| Março | 20,1 |
| Abril | 24,5 |
| Maio | 25,2 |
| Junho | 27,6 |
| Julho | 30,0 |
| Agosto | 31,6 |
| Setembro | 29,2 |
| Outubro | 27,0 |
| Novembro | 22,4 |
| Dezembro | 17,6 |
| Ano | 23,9 |
Provas

Faixas aceitáveis de temperatura operativa para espaços naturalmente condicionados. Adaptado de ASHRAE (2023).
Provas
Provas
Observe a figura a seguir:

Padrão da ventilação determinado pelo posicionamento das esquadrias Lamberts et. al., 2014, p.185.
“A ventilação cruzada é uma das técnicas mais eficazes de ventilação num ambiente, pois exige, basicamente, duas aberturas em paredes diferentes e certo conhecimento da orientação dos ventos desejáveis nos períodos quentes.”
Lamberts et. al., 2014, p.185.
Considerando o contexto do excerto citado e a apresentada, assinale a alternativa correta.
Provas
Observe as tabelas a seguir:
| Frequência (Hz) | 125 | 250 | 500 | 1000 | 2000 | 4000 |
|---|---|---|---|---|---|---|
| Ponderação A (dB) | -15 | -8 | -3 | 0 | +1 | +1 |
| Frequência (Hz) | 125 | 250 | 500 | 1000 | 2000 | 4000 |
|---|---|---|---|---|---|---|
| Nível sonoro (dB) | 74 | 68 | 64 | 65 | 57 | 67 |
A tabela 1 apresenta a ponderação A para as bandas de oitava de 125 a 4000 Hz. Assinale a alternativa que apresenta corretamente o nível global de pressão sonora, em dB(A), considerando os níveis sonoros nas bandas de oitava de 125 a 4000 Hz, apresentados na Tabela 2.
Provas
Caderno Container