Foram encontradas 60 questões.
As normas de segurança do trabalho estabelecem que as
medidas de proteção devem priorizar a eliminação ou redução
do risco na fonte, recorrendo-se, quando necessário, a
Equipamentos de Proteção Coletiva (EPCs) ou Equipamentos
de Proteção Individual (EPIs). Assinale a alternativa que
corresponde a um EPC aplicável à operação de máquinas
rotativas.
Provas
Questão presente nas seguintes provas
Os ferros fundidos são amplamente empregados na indústria
mecânica e apresentam, em geral, melhor comportamento
durante operações de usinagem quando comparados a
muitos aços, em função de características próprias de sua
microestrutura. Os ferros fundidos são considerados mais
usináveis porque
Provas
Questão presente nas seguintes provas
Os materiais metálicos, como o aço, reagem às forças
externas aplicadas, apresentando comportamentos
mecânicos que determinam sua aplicação em estruturas,
máquinas e componentes industriais. Essas características
são conhecidas como propriedades mecânicas. Uma
propriedade mecânica do aço é a
Provas
Questão presente nas seguintes provas
O goniômetro representado a seguir tem resolução de 5’.

Do modo como apresentado na figura, a leitura correta do goniômetro é de:
Provas
Questão presente nas seguintes provas
O paquímetro ilustrado a seguir foi utilizado para medir a
dimensão de uma peça, devidamente ajustado a ela e sem
erro de zero.
A leitura correta da dimensão da peça medida, apresentada nesse paquímetro é:
A leitura correta da dimensão da peça medida, apresentada nesse paquímetro é:
Provas
Questão presente nas seguintes provas
O paquímetro é um instrumento de medidas, amplamente
utilizado em medições lineares para obter dimensões
externas, internas e profundidades com precisão elevada. Considerando um paquímetro típico, a menor leitura ou
sensibilidade usual é de:
Provas
Questão presente nas seguintes provas
No processo de Eletroerosão por Penetração (EDM), o fluido
dielétrico desempenha papel essencial para a eficiência,
precisão e segurança do corte, influenciando diretamente a
qualidade do acabamento e a vida útil do eletrodo. A principal
função do dielétrico é
Provas
Questão presente nas seguintes provas
No processo de eletroerosão a fio, a remoção de material
ocorre por descargas elétricas controladas entre um fio
metálico e a peça condutora, permitindo cortes precisos de
contornos complexos em materiais duros. A correta
compreensão da função do fio é essencial para garantir a
precisão dimensional, o acabamento superficial e a eficiência
do processo. Na eletroerosão a fio, o fio utilizado é
Provas
Questão presente nas seguintes provas
No processo de eletroerosão por penetração, a remoção de
material ocorre por descargas elétricas controladas entre o
eletrodo e a peça, imersos em um fluido dielétrico. O
entendimento correto do mecanismo de desgaste é
fundamental para determinar a geometria da peça e do
eletrodo e otimizar a produtividade do processo. Nesse
contexto, o desgaste ocorre
Provas
Questão presente nas seguintes provas
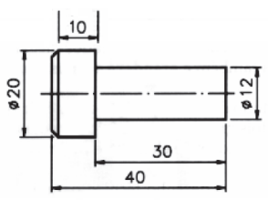
No Desenho Técnico Mecânico, cotas funcionais são aquelas
que indicam e definem a forma, a dimensão e a posição de
partes da peça essenciais para o seu correto funcionamento.
No desenho apresentado, a cota que deve ser considerada funcional é:
No desenho apresentado, a cota que deve ser considerada funcional é:
Provas
Questão presente nas seguintes provas
Cadernos
Caderno Container