Foram encontradas 40 questões.
Um circuito serie RLC é alimentado por uma fonte
de tensão senoidal, cujo valor é v(t) = √2.100 sen
(100π.t).
Sendo: R = 40Ω, L=4/5π H e C = 1/5π mF
Os valores do módulo da impedância, do fator de potência e da corrente eficaz do circuito são, respectivamente:
Sendo: R = 40Ω, L=4/5π H e C = 1/5π mF
Os valores do módulo da impedância, do fator de potência e da corrente eficaz do circuito são, respectivamente:
Provas
Questão presente nas seguintes provas
Assinale a alternativa que preenche corretamente
as lacunas do texto.
“ é o condutor que é ligado ao interruptor e em um dos terminais da lâmpada. No outro terminal da lâmpada é ligado .”
“ é o condutor que é ligado ao interruptor e em um dos terminais da lâmpada. No outro terminal da lâmpada é ligado .”
Provas
Questão presente nas seguintes provas
Assinale a alternativa correta.
Todo condutor elétrico é dimensionado pela:
Todo condutor elétrico é dimensionado pela:
Provas
Questão presente nas seguintes provas
Assinale a alternativa correta.
A norma NBR 5410:2004 determina que os condutores Neutro e Proteção (Terra) devem ser identificados com as seguintes cores, respectivamente:
Provas
Questão presente nas seguintes provas
Assinale a alternativa correta. Na partida de um
motor de indução trifásico, através de uma chave estrela/triangulo,
quando a chave está na posição estrela,
a corrente de partida (Ip), em relação a partida
direta em triangulo, fica reduzida a:
Provas
Questão presente nas seguintes provas
Para uma tensão senoidal da forma !$ v(t) = 220 \sqrt{2}\,sen(50π.t) !$ , é correto afirmar que:
Provas
Questão presente nas seguintes provas
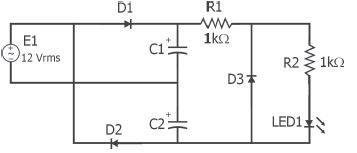
A fonte de tensão E1 é tipo senoidal com frequência
de 60 Hz, tensão de saída de 12 Vrms; os diodos
D1 e D2 são retificadores considerados ideais, o diodo
D3 é um Zener de 10 V / 1W, os capacitores C1 e C2
são de 470 μF e considerados ideais com relação à
tensão de trabalho, o LED1 quando diretamente polarizado
apresenta uma queda de tensão de 2 V, a corrente
de trabalho do LED1 pode variar de 5 a 50 mA.
A potência nominal dos resistores é de 1W.

Para o circuito da figura, assinale a afirmativa que completa corretamente a frase abaixo.
Em relação ao valor da fonte E1, a tensão

Para o circuito da figura, assinale a afirmativa que completa corretamente a frase abaixo.
Em relação ao valor da fonte E1, a tensão
Provas
Questão presente nas seguintes provas
Os conversores de frequência ou inversores são equipamentos eletrônicos destinados a variar a velocidade dos motores elétricos.
Sobre os conversores de frequência ou inversores, é correto afirmar que:
Provas
Questão presente nas seguintes provas
Assinale a afirmativa correta.
Provas
Questão presente nas seguintes provas
Assinale a alternativa correta.
Provas
Questão presente nas seguintes provas
Cadernos
Caderno Container