Foram encontradas 7.312 questões.
Disciplina: Desenho Técnico e Industrial
Banca: IMAIS
Orgão: Pref. Santana Parnaíba-SP
Segundo a norma ABNT de representação de projetos de arquitetura, a representação gráfica de planos externos da edificação, onde os cortes transversais e longitudinais podem ser marcados nas fachadas é a definição de
Provas
Disciplina: Desenho Técnico e Industrial
Banca: IMAIS
Orgão: Pref. Santana Parnaíba-SP
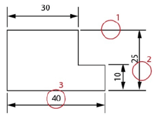
Analise o desenho abaixo para responder à questão.

Com relação ao desenho técnico segundo a imagem acima, é correto afirmar que
Provas
Disciplina: Desenho Técnico e Industrial
Banca: IMAIS
Orgão: Pref. Santana Parnaíba-SP
Analise o esquema abaixo para responder à questão.

Segundo a norma NBR 13.142, deve-se dobrar uma folha de desenho deixando que a legenda fique visível e o formato final do dobramento de cópias de desenhos seja em A4. É correto afirmar que o tipo de dobra representado no esquema acima é voltado para o formato de papel
Provas
Disciplina: Desenho Técnico e Industrial
Banca: IMAIS
Orgão: Pref. Santana Parnaíba-SP
Analise o desenho abaixo para responder à questão.

Sobre os tipos de linhas, conforme a norma NBR 10126, aplicadas ao desenho, assinale a alternativa correta.
Provas
Disciplina: Desenho Técnico e Industrial
Banca: IMAIS
Orgão: Pref. Santana Parnaíba-SP
Segundo a norma NBR 8403 da ABNT, as larguras das linhas devem ser escolhidas conforme o tipo, a dimensão, a escala e a densidade de linhas no desenho, de acordo com o seguinte escalonamento:
Provas
Disciplina: Desenho Técnico e Industrial
Banca: IMAIS
Orgão: Pref. Santana Parnaíba-SP
Acerca da escala ideal a ser aplicada em um projeto (planta baixa) onde será utilizada uma folha no formato A3, com 10 mm de margem em cada lado e com uma edificação de dimensão máxima de 18 m de largura, assinale a alternativa correta.
Provas
Disciplina: Desenho Técnico e Industrial
Banca: IMAIS
Orgão: Pref. Santana Parnaíba-SP
Analise o desenho abaixo para responder à questão.
![]()
Segundo o padrão de desenho técnico, a linha representada na imagem acima é denominada
Provas
Disciplina: Desenho Técnico e Industrial
Banca: IMAIS
Orgão: Pref. Santana Parnaíba-SP
Assinale a alternativa que apresenta o comando existente no AutoCAD 2022 que move a vista sem alterar a direção de visualização ou ampliação. O ícone representado por esse recurso é o de uma mão.
Provas
Disciplina: Desenho Técnico e Industrial
Banca: IMAIS
Orgão: Pref. Santana Parnaíba-SP
Assinale a alternativa que apresenta o atalho padrão aplicado no AutoCAD 2022 para definir uma nova cor aos novos objetos.
Provas
Disciplina: Desenho Técnico e Industrial
Banca: IMAIS
Orgão: Pref. Santana Parnaíba-SP
Assinale a alternativa que apresenta o modo aplicado no AutoCAD 2022 para criar uma nova vista.
Provas
Caderno Container