Foram encontradas 5.225 questões.
O conjunto de ciências e tecnologias que tem por
objetivo proteger todo trabalhador durante suas
atividades, buscando minimizar e evitar acidentes,
bem como doenças ocupacionais, é definido como
Provas
Questão presente nas seguintes provas
O vidro de segurança composto por duas ou mais
placas de vidro, unidas por uma ou mais camadas
intermediárias de PVB (Polivinil Butiral), sendo mais
resistente a impactos, é o vidro
Provas
Questão presente nas seguintes provas
- Sistemas e Processos Construtivos
- Revestimento e Impermeabilização
- Procedimentos Finais e Manutenção
- Manutenção em Edificações
A camada utilizada sobre rebocos internos, com o
objetivo de corrigir as imperfeições da parede e ao
mesmo tempo nivelar a superfície, é a massa
Provas
Questão presente nas seguintes provas
Toda ação sistemática de controle e monitoramento com o objetivo de reduzir ou impedir falhas no
desempenho de equipamentos, aumentando a
confiabilidade durante a operação da máquina, é
definida como manutenção
Provas
Questão presente nas seguintes provas
Na instalação do ar-condicionado, a tubulação
metálica que, em geral, é de cobre, protegida por
espuma de polietileno expandido para passagem
de líquidos e gases gelados, protegidos do calor, é
chamada de rede
Provas
Questão presente nas seguintes provas
O processo construtivo, como ilustrado no desenho a seguir, é o tipo mais utilizado, contando com
inúmeras vantagens, como montagem e desmontagem rápidas; com ótimo reaproveitamento das peças utilizadas, como painéis, portas e vidros, que
são variedades que têm isolamento térmico e acústico, podendo ser produzidas em diversas cores em
seus painéis e perfis e ser feitas em madeira industrializada. Trata-se de


Provas
Questão presente nas seguintes provas
Conforme figura a seguir da instalação de um vaso
sanitário, a medida entre o piso acabado até o eixo
da válvula (7) e o eixo do centro do tubo, na posição
horizontal (2), bem como a distância entre a parede
acabada e o centro da posição final do vaso (5 e 6)
devem ter, respectivamente, as medidas:


Provas
Questão presente nas seguintes provas
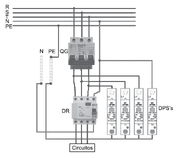
Conforme a ilustração a seguir, a instalação de um dispositivo DPS em um quadro de distribuição tem a principal função de

Provas
Questão presente nas seguintes provas
Os elementos estruturais utilizados nos vãos de portas e janelas com a função de distribuição de cargas
e tensões recebidas da alvenaria são:
Provas
Questão presente nas seguintes provas
São os materiais que unidos aos agregados formam os
concretos ou as argamassas. Também chamados de
ligantes, pois são componentes que dão liga, ou seja, têm a
propriedade de colar os agregados. Estamos falando de:
Provas
Questão presente nas seguintes provas
Cadernos
Caderno Container