Foram encontradas 79.947 questões.
Sobre as condições de acessibilidade em edificações hospitalares, considere as seguintes informações.
I. Nas escadas que interligam os diversos pavimentos, inclusive nas de emergência, junto às portas corta- fogo, deve haver sinalização tátil, visual e/ou sonora, informando o número do pavimento. A mesma informação deve ser sinalizada nos corrimãos. Internamente, locais confinados, como quartos de hospitais, devem conter mapa acessível de rota de fuga da edificação.
II. Nos quartos, banheiros e sanitários de hospitais, devem ser instalados telefones e alarmes de emergência visuais, sonoros e/ou vibratórios.
III. A sinalização de identificação de pavimentos (andares) junto a escadas fixas e rampas deve ser visual, em relevo e em braile. A sinalização visual e em relevo pode ser aplicada no corrimão ou na parede. A sinalização em braile deve estar obrigatoriamente posicionada na geratriz superior do prolongamento do corrimão, conforme especificado em norma técnica vigente.
Está correto o que se afirma em:
Provas
Sobre a sinalização de degraus, considerando as condições de acessibilidade a edificações, é considerado degrau isolado a sequência de até dois degraus. Esse desnível deve ser sinalizado em toda a sua extensão, no piso e no espelho, com uma faixa contrastante com o piso adjacente, preferencialmente fotoluminescente ou retroiluminado, de, no mínimo,
Provas
Sobre as condições de acessibilidade a edificações, mobiliário, espaços e equipamentos urbanos, nas áreas de resgate de cada pavimento, deve ser previsto no mínimo um espaço reservado à P.C.R. (pessoas em cadeiras de rodas) a cada_______ pessoas de sua lotação, sendo no mínimo________ espaço( s) para cada escada e elevador de emergência.
As lacunas são, correta e respectivamente, preenchidas por:
Provas
Sobre as condições de acessibilidade a edificações, mobiliário, espaços e equipamentos urbanos, o espaço livre de obstáculos, correspondente no mínimo a um módulo de referência, a ser utilizado para transferência por pessoa com deficiência ou mobilidade reduzida, observando as áreas de circulação e manobra, denomina-se área de
Provas
Em um edifício foi necessário realizar uma instalação hidráulica de água fria do ponto A à jusante ao ponto B à montante, com 26,0 m de tubulação e com as seguintes peças hidráulicas:

Considerando que a pressão no ponto A é 16,00 mca e a perda de carga unitária é 0,02 m/m, a pressão disponível no ponto B é
Provas
No dimensionamento do sistema predial de água fria potável, deve ser considerada, para a definição da capacidade total de reservação de água potável, a frequência e duração de eventuais interrupções do abastecimento. O volume total de água potável armazenada no reservatório deve ser limitado a um valor que assegure a sua potabilidade dentro do período de detenção médio, sob utilização normal, de modo a evitar a redução excessiva da ação residual do agente desinfetante. Na impossibilidade de determinar o volume máximo permissível, recomenda- se prever meios que assegurem a preservação das características da água potável ou limitar o volume total ao valor que corresponda a
Provas
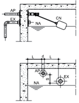
No dimensionamento das tubulações do sistema de distribuição de água, devem ser tomadas medidas de proteção contra o refluxo de água considerada servida, não potável, ou de qualidade desconhecida, para preservar a qualidade da água da fonte de abastecimento nos pontos de suprimento e de utilização dos Sistemas Prediais de Água Fria e Água Quente (SPAFAQ). A separação atmosférica padronizada constitui o recurso mais efetivo de prevenção ao refluxo. Para tanto, considere a figura a seguir sobre a separação atmosférica padronizada em um reservatório inferior:

Separação atmosférica padronizada em um reservatório inferior
Legenda:
AP – alimentador predial
CN – dispositivo automático de controle de nível
EX – extravasor
NA – nível d’água (máximo)
d – diâmetro interno do tubo a montante do ponto de suprimento ou de utilização
L – distância mínima entre o ponto de suprimento ou de utilização e qualquer obstáculo periférico (L ≥ 3d)
S – separação atmosférica mínima
A separação atmosférica mínima (s), para tubos de diâmetro interno (d) a montante do ponto de suprimento ou de utilização ≤ 14 mm, é
Provas
Em qualquer ponto do sistema de distribuição, excetuados os trechos verticais de tomada d’água nas saídas de reservatórios elevados para os respectivos barriletes em sistemas indiretos, a pressão dinâmica da água não pode ser inferior a
Provas
Sobre o abastecimento, reservação e distribuição de água, sabe-se que as tubulações devem ser dimensionadas de modo a limitar a velocidade de escoamento a valores que evitem golpes de aríete com intensidades prejudiciais aos componentes. Pelo exposto, as tubulações são dimensionadas de modo que a velocidade da água, em qualquer trecho da tubulação, não atinja valores superiores a
Provas
Nos projetos dos sistemas prediais de água fria e água quente, para qualquer tipo de edifício, a pressão estática nos pontos de utilização não pode superar
Provas
Caderno Container