Foram encontradas 400 questões.
Em indústrias de processamento, as tubulações podem representar 70% do custo dos equipamentos ou 25% do valor total da instalação. Visando diminuir esse custo, é importante saber que
Provas
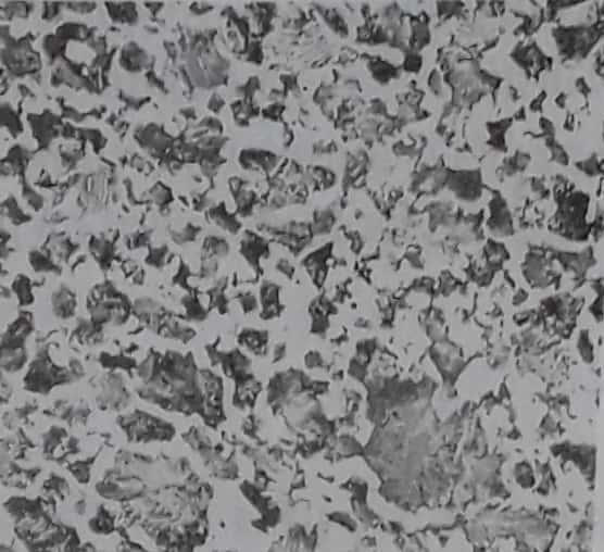
Observe a figura a seguir.

A imagem representa uma amostra de granalha de ferro utilizada para o processo de corte na indústria de granito. Esse material é, de modo geral, à base de uma liga ferrosa com alto teor de carbono. O material é resultado de um processo de fundição e de tratamento térmico. Nele é possível observar a formação de duas fases, sendo uma delas a martensita, que
Provas
A comparação da corrosão dos metais e dos materiais cerâmicos com a degradação dos polímeros evidencia
Provas
Nanopartículas de prata com dimensões de 5 a 10 nm têm sido incorporadas em filmes de polipropileno, visando construir embalagens plásticas mais resistentes e com propriedades antimicrobianas. Para a observação da morfologia e do tamanho das nanopartículas de prata antes da sua inserção no polímero, e para a observação da morfologia, da rugosidade e da porosidade dos polímeros modificados com as nanopartículas, as técnicas de microscopia mais indicadas são, respectivamente:
Provas
O processamento de polímeros termoplásticos por rotomoldagem consiste em introduzir uma quantidade conhecida de polímero, na forma de pó, ou de um líquido viscoso em um molde oco, que será aquecido, rotacionado e balanceado em dois eixos com uma velocidade baixa. O molde é aquecido e o polímero fundido ficará aderido às paredes do molde formando a peça desejada, para resfriar e, a seguir, ser desmoldado. O que indica uma desvantagem deste tipo de processamento?
Provas
- Técnicas de produção e fabricação de peças e materiais
- Características e comportamentos dos materiais
Cerâmica avançada é um termo utilizado para diferenciar a nova geração de materiais cerâmicos das chamadas cerâmicas tradicionais porque
Provas
O que é extrusão?
Provas
De acordo com os princípios da mecânica da fratura, utilizada na análise de falhas de amostras ensaiadas de forma controlada, tenacidade à fratura é:
Provas
Considere a figura a seguir. Ela apresenta um diagrama de fase binário A-B com as reações trifásicas.

Com base nos dados da figura, cinco pontos invariantes são representados, respectivamente, por:
Provas
A curva de tensão-deformação do gráfico a seguir apresenta a zona elástica e a zona plástica, permitindo calcular parâmetros importantes como os limites de escoamento e de resistência, o módulo de elasticidade e a tensão na ruptura.

Nesse caso,
Provas
Caderno Container