Foram encontradas 39.300 questões.
Ao se transformar (converter) 0,125" e 0,875" em polegada ordinária , o resultado será , respectivamente:
Provas
Ao se fazer uma rosca BSW, o seu ângulo do perfil será de:
Provas
NÃO é uma das vantagens do mancal de rolamento sobre o mancal de deslizamento:
Provas
As caldeiras da categoria B são aquelas que, de acordo com a NR 13, tem pressão:
Provas
Durante uma operação de fresagem de uma peça, alguns dentes de uma das engrenagens de ferro fundido da máquina se quebraram, de forma inesperada em função de um esforço excessivo aplicado. O tipo de ação do pessoal da manutenção para trocar a engrenagem quebrada deve ser:
Provas
Micrômetros são instrumentos bastante utilizados nas indústrias, por isso é muito importante conhecer seus principais componentes. A escala centesimal do micrômetro se encontra:
Provas
A respeito de manutenção preventiva, pode-se afirmar que:
Provas
O diagrama de construção gráfica simples que permite visualizar rapidamente a sequência lógica de operações é o diagrama:
Provas
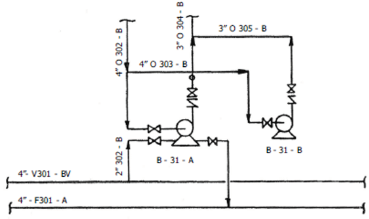
Considere-se a figura a seguir.

A representação na figura corresponde a:
Provas
As válvulas de regulagem são as destinadas especificamente para controlar:
Provas
Caderno Container