Foram encontradas 29.761 questões.
Uma placa de certo metal recebe uma radiação eletromagnética, com uma frequência de 2,0.1015 Hz, capaz de extrair elétrons dessa placa. A função trabalho do metal é de 5,0 eV, a constante de Planck vale 6,63.10–34 J.s, e a carga do elétron, 1,6.10–19 C. A energia cinética máxima que os elétrons vão adquirir ao serem libertados da placa será, em eV, de aproximadamente
Provas
Um calorímetro, de capacidade térmica 100 cal/ºC, contém 500 g de um líquido, de calor específico 0,5 cal/g ºC, em equilíbrio térmico a 20 ºC. O sistema recebe uma pedra de 200 g de gelo a 0 ºC e um aquecedor capaz de fornecer 6.400 J ao sistema a cada segundo. Esse aquecedor passa a transmitir calor até que a temperatura do sistema alcance a marca de 100 ºC. Considerando o equivalente mecânico do calor 4,2 J/cal, o calor latente de fusão do gelo 80 cal/g, o calor específico da água 1,0 cal/g ºC, desprezando qualquer outra interferência externa durante o processo de aquecimento, a temperatura de 100 ºC será atingida em
Provas
Considere-se 2 veículos transitando pela mesma estrada. Um deles, A, é dotado de uma sirene que emite som de mesma frequência, e o outro, B, transporta um observador. Com base nessas informações, é correto o que se afirma em:
Provas
Observe a figura:

Certo corpo, de massa m, desliza por uma pista em forma de arco de circunferência, rugosa, passando pelo ponto A inferior da trajetória, a uma velocidade v. Durante o percurso, age sobre ele uma força de atrito dependente de um coeficiente de atrito μ. O raio da curva é R, e a aceleração da gravidade é g.
Nessas condições, é possível determinar a intensidade da força dissipativa em A pela expressão
Provas
A figura mostra o esquema de uma barra homogênea, de peso 80 N e comprimento L, apoiada sobre um cavalete, distante L/3 da extremidade livre e cujas “pernas” fazem um ângulo reto. A outra extremidade está apoiada em um calço preso a uma parede.

Nessas condições, a força que cada “perna” do cavalete exerce sobre a barra tem intensidade aproximada, em N, de
Provas
A figura ilustra o esquema de uma pista de testes para veículos motorizados sobre a qual uma scooter deve ser movimentada; sua massa total, incluindo a do seu piloto, é de 100 kg.

A scooter passa pelo ponto A a uma velocidade de 72 km/h, dirigindo-se ao ponto B sob ação exclusiva da gravidade, sem interferência de agentes dissipativos. O ponto B é o de máximo alcance desse veículo. A aceleração da gravidade é admitida com o valor de 10 m/s2. Nessas condições, a altura h de B em relação a A e a aceleração de retardamento do movimento deverão ser, respectivamente, de
Provas
Observe a figura:

A figura mostra o esquema de um cilindro girando com seu centro fixado sobre o eixo y de um sistema cartesiano. A frequência de giro do cilindro é f, constante, e, no seu ponto superior, um objeto nele apoiado despenca, sendo lançado horizontalmente e caindo sob a ação da gravidade sobre um piso horizontal a uma distância x da origem do sistema cartesiano Oxy.
Se a frequência de giro do cilindro duplicar, o tempo de queda do objeto até atingir o piso
Provas
Certa nave é tirada do repouso sobre a origem de uma trajetória retilínea e vertical, passando a se deslocar segundo a função da aceleração a = 2 . t, no SI. A posição pela qual a nave deverá passar um minuto depois de iniciado o movimento será, em km,
Provas
Nas questões de Física, quando necessário, utilize:
- Densidade da água = 1,0 kg/L
- Velocidade da luz no vácuo: c = 3,0 ∙ 108 m/s
- Índice de refração do ar: nar = 1,0
- Índice de refração da glicerina: nglicerina = 1,4
- π = 3,0
- Calor específico molar a volume constante do gás ideal monoatômico: \(C_v = \dfrac{2}{3} R\)
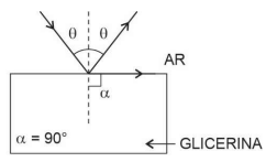
Um raio luminoso monocromático vermelho, que se propaga no ar em temperatura ambiente, incide sob um ângulo θ na superfície plana de separação com glicerina. Dentre as figuras abaixo, a que melhor representa uma possível descrição do comportamento desse raio de luz, após a incidência no dióptro plano, é
Provas
Nas questões de Física, quando necessário, utilize:
- Densidade da água = 1,0 kg/L
- Velocidade da luz no vácuo: c = 3,0 ∙ 108 m/s
- Índice de refração do ar: nar = 1,0
- Índice de refração da glicerina: nglicerina = 1,4
- π = 3,0
- Calor específico molar a volume constante do gás ideal monoatômico: \(C_v = \dfrac{2}{3} R\)
Os dínamos são geradores de corrente elétrica utilizados em bicicletas para acender uma pequena lâmpada. Para isso é necessário que a parte móvel (rotor) esteja em contato com o pneu da bicicleta por meio de uma pequena polia, conforme ilustrado na figura 1.

O movimento do pneu é transmitido à pequena polia de contato convertendo energia mecânica em elétrica. A cada volta do rotor os polos norte e sul do imã passam em frente a cada uma das duas bobinas, alterando o fluxo de indução magnética através delas, conforme esquematizado na figura 2.

Para determinada velocidade da bicicleta tem-se que o comportamento do fluxo de indução magnética (\( \Phi \)), em função do tempo (t), pode ser descrito pelo gráfico seguinte.

A partir da análise das figuras 1 e 2 e do gráfico acima, examine as assertivas seguintes:
I - Considerando o raio da polia de contato igual a 2 cm e não havendo deslizamento da roda e nem da polia, pode-se afirmar que a velocidade da bicicleta é de 36 km/h.
II - A força eletromotriz máxima disponível nos terminais da lâmpada é 12 V.
III - O módulo da carga elétrica transportada pela corrente elétrica, em cada ciclo, é igual a 0,15 µC, considerando-se a resistência elétrica da lâmpada igual a 2,4 \( \Omega \).
São verdadeiras as assertivas
Provas
Caderno Container