Foram encontradas 30.300 questões.
Quando um amperímetro indica 10A, no circuito que atende uma carga resistiva, uma tensão de 0,005V
é medida nos terminais deste amperímetro. A condutância do amperímetro é igual a
Provas
Questão presente nas seguintes provas
- FundamentosGrandezas e Unidades
- EletromagnetismoElétricaEletricidade
- EletromagnetismoElétricaEletrodinâmica
O valor da corrente, que circula através de um condutor, provocada pelo movimento constante de uma
carga de 600 Coulombs em 12 segundos é igual a
Provas
Questão presente nas seguintes provas
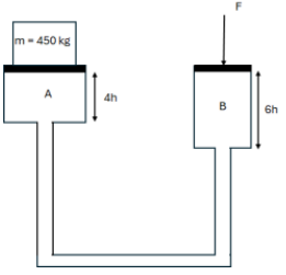
No sistema hidráulico de vasos comunicantes mostrado na figura abaixo, o cilindro A (altura 4h) tem um
volume duas vezes maior que o cilindro B (altura 6h). Considere a aceleração da gravidade g = 10 m/s2
. A
força F aplicada no êmbolo do cilindro B, para que o sistema esteja em equilíbrio, é igual a


Provas
Questão presente nas seguintes provas
- Mecânica ClássicaDinâmicaEnergia Mecânica e sua Conservação
- Mecânica ClássicaDinâmicaTrabalho, Energia e Potência
Em um ensaio de impacto Charpy, uma amostra metálica foi submetida ao teste para medir sua energia
absorvida ao ser fraturada. A massa do pêndulo é de 10 kg e o comprimento do braço do pêndulo é de 1,5
m. O pêndulo é liberado de uma altura inicial de 1,2 m em relação à posição de impacto. Após atingir a
amostra, o pêndulo alcança uma altura máxima de 0,4 m do outro lado. Usando a aceleração da gravidade
g = 10 m/s2
, a energia absorvida pelo material para romper é de
Provas
Questão presente nas seguintes provas
A temperatura de cor de uma fonte de luz é medida em
Provas
Questão presente nas seguintes provas
As propriedades físicas fundamentais do som incluem
Provas
Questão presente nas seguintes provas
O Microscópio Eletrônico de Varredura (MEV) utiliza feixes de
Provas
Questão presente nas seguintes provas
Na física ultrassonográfica, o parâmetro determinado pelo comprimento e velocidade das ondas é a
Provas
Questão presente nas seguintes provas
O cálculo da carga térmica é fundamental para projetos de instalações de ar-condicionado em ambientes
internos. Analise as afirmativas abaixo sobre quais as formas de calor que representam aumento de carga
térmica para um ambiente interno.
I. O calor sensível devido à circulação de pessoas.
II. O calor latente devido à iluminação artificial.
III.O calor sensível devido à iluminação artificial.
IV. O calor latente devido à circulação de pessoas.
É(São) correto(as) a(s) afirmativa(s)
I. O calor sensível devido à circulação de pessoas.
II. O calor latente devido à iluminação artificial.
III.O calor sensível devido à iluminação artificial.
IV. O calor latente devido à circulação de pessoas.
É(São) correto(as) a(s) afirmativa(s)
Provas
Questão presente nas seguintes provas
Seja um copo com água dentro de um forno micro-ondas, despreze a capacidade térmica do copo e
considere o calor específico sensível da água igual a 1,0 cal/g ºC. O tempo necessário para aquecer 250
g de água a 20ºC para 60ºC dentro do forno que produz 12.000 cal/min é
Provas
Questão presente nas seguintes provas
Cadernos
Caderno Container