Foram encontradas 29.717 questões.
Durante uma expedição botânica, um grupo de pesquisadores utilizava lupas para análise de campo. Ao entrarem em uma gruta, um dos cientistas posicionou uma dessas lupas perto de uma das paredes internas da gruta e observou que se projetava nela uma imagem nítida da paisagem externa, porém invertida.
Desejando retificar a orientação da imagem para que ela fosse projetada de forma direta (direita) na parede da gruta, os pesquisadores discutiram a adição de uma segunda lente ao arranjo.
A configuração que permite obter uma imagem final que seja simultaneamente real e direta da paisagem externa é composta por
Provas
No século XVIII, um monarca europeu recebeu de presente uma barra maciça de um metal com brilho prateado, descrita como sendo platina, um metal extremamente valioso e denso. Suspeitando que pudesse ser uma liga de menor valor ou outro metal prateado, o rei solicitou à sua equipe científica que verificasse a autenticidade do material. Os cientistas realizaram dois procedimentos experimentais simples:
Pesagem: utilizando uma balança de precisão, determinaram que a massa da barra era de 1.785 g.
Medição de Volume: utilizaram o método de deslocamento de líquido, mergulhando a barra em um recipiente graduado contendo água; o nível da água subiu de 200 mL para 370 mL.
Os cientista também utilizaram a Tabela de Massas Específicas a seguir

Com base nos dados experimentais e na Tabela de Massas Específicas, o material da barra era
Provas
Durante uma prova de ciclismo de pista em um velódromo, um atleta percorre uma seção circular da pista. O raio da trajetória percorrida pelo ciclista é de 20,0 m, e ele completa uma volta inteira a cada 15,0 s.
Considere π = 3
O módulo da velocidade média tangencial do ciclista em m/s vale, aproximadamente,
Provas
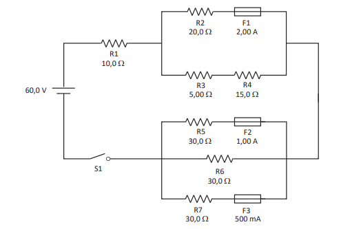
O sistema é alimentado por uma fonte de tensão contínua ideal de 60 V e contém uma chave S1 inicialmente aberta.
O circuito é protegido por três fusíveis: F1, F2 e F3, cujos valores nominais estão indicados na Figura. Os resistores são
todos ôhmicos, com valores indicados no esquema.
Após o fechamento da chave S1 e aguardado o tempo necessário para que qualquer eventual dispositivo de segurança
atue, a intensidade da corrente em A que atravessa o resistor R1 será deProvas
Ao atingir o ponto mais alto da trajetória (ponto P), o piloto fica de cabeça para baixo e experimenta a sensação de imponderabilidade, ou seja, a força de contato exercida pelo assento sobre ele é momentaneamente nula. O módulo da
aceleração da gravidade é g.
Desprezando-se a resistência do ar e assumindo-se que, devido à potência do motor, a energia mecânica do piloto permanece constante durante a manobra, a intensidade da força exercida pelo assento sobre o piloto no ponto mais baixo da trajetória (ponto Q) é
Provas
Verifica-se que, nessa situação, o sistema se mantém em equilíbrio estático.
A força de interação entre o suporte Q e a barra, em N, vale
Provas
A equipe de manutenção elétrica de uma guarnição militar recebeu o desafio de adaptar um antigo aquecedor de imersão cujo resistor é composto por um fio de níquel-cromo de resistividade constante. Originalmente projetado para operar em uma rede de 110 V utilizando um fio de 1,00 m de comprimento, o equipamento precisa ser modificado para funcionar em uma nova instalação de 220 V, mantendo-se, obrigatoriamente, a mesma potência elétrica dissipada pelo modelo original.
Para a reforma, a equipe dispõe de fios de níquel-cromo cuja espessura (diâmetro da seção transversal) é 80,0% da espessura do fio original. Para que o novo projeto atenda aos requisitos de potência na nova tensão, o comprimento do fio utilizado no novo aquecedor deverá ser, em m, de
Provas
Provas
Sensores instalados na linha fornecem os seguintes dados:
• No Trecho 1 (tubulação principal, antes do redutor): a área da seção transversal é de 10,00 cm2 , o medidor de vazão indica que a velocidade da água nesse ponto é de 2,000 m/s, e o manômetro registra uma pressão de 2,000 x 105 Pa. • No Trecho 2 (bocal redutor, na entrada do trocador): a tubulação se estreita para uma área de seção transversal de 5,000 cm2 .
Considerando-se a densidade da água como r = 1,000 x 103 kg/m3 , o escoamento como ideal (incompressível e sem viscosidade) e que ambos os trechos estão na mesma cota altimétrica, a pressão da água P2 no Trecho 2 é, em Pa,
Provas
Em um laboratório de termodinâmica, um docente de Física propõe aos seus alunos a análise de um protótipo de máquina térmica que opera em regime cíclico utilizando gás hélio como substância de trabalho. O dispositivo realiza trocas de calor com dois reservatórios térmicos mantidos a temperaturas constantes de 27,0 o C (fonte fria) e 127 o C (fonte quente). O ciclo operacional do protótipo é composto pelas seguintes etapas sucessivas:
1. uma expansão isotérmica em contato com a fonte quente;
2. uma expansão adiabática até que o gás atinja a temperatura da fonte fria;
3. uma compressão isotérmica em contato com a fonte fria;
4. uma compressão adiabática que retorna o gás ao seu estado inicial.
Com base nos princípios da Segunda Lei da Termodinâmica e considerando-se que o hélio se comporta como um gás ideal nas condições descritas, a fração máxima do calor absorvido da fonte quente que pode ser convertida em trabalho útil por essa máquina é de

Provas
Caderno Container