Foram encontradas 29.761 questões.
Assinale a alternativa que indica corretamente a razão entre o empuxo e o volume deslocado para um objeto que afunda na água (densidade da água igual a 1g/cm3). Considere o módulo da aceleração da gravidade igual a 10 m/s2.
Provas
Um transformador ideal, com 50 espiras no enrolamento primário e 2000 espiras no secundário, é alimentado com uma tensão alternada de 150V. Sendo a potência no primário igual a 3000W, qual dos equipamentos abaixo poderá ser ligado ao secundário sem se queimar?
Provas
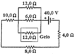
Propõe-se a realização de um experimento no qual um resistor de !$ 12,0 \Omega !$ está inserido dentro de um bloco de gelo a 0 ºC. O circuito montado está apresentado na figura abaixo.

A bateria tem resistência interna desprezível, e o calor latente de fusão para o gelo é de 3,34x105 J/kg. Sendo assim, qual é o valor da taxa (em g/s) em que esse circuito derreterá o gelo?
Provas
Centro de Massa (CM) é definido como o ponto geométrico no qual se pode considerar toda a massa do corpo, ou do sistema físico, em estudo. Na figura a seguir, tem-se três partículas A, B e C contidas em um mesmo plano e de massas, respectivamente, iguais a 1 kg, 2 kg e 2 kg. As coordenadas, em metros, de cada partícula são dadas pelos eixos coordenados x e y, dispostas no gráfico da figura. Portanto, as coordenadas do centro de massa do sistema, na sequência (xCM, yCM), será .

Provas
Um carro de montanha russa parte do repouso do ponto A situado a 25m do solo. Admitindo que ele não abandone a pista, desprezando os atritos e considerando g=10m/s2 ,calcule a velocidade do carro no ponto C situado a 20m do solo e assinale a opção correta.

Provas
Provas
Em um laboratório, foram aquecidas duas amostras de um mesmo líquido, inicialmente à temperatura ambiente de 25 ºC. A amostra A continha 1 litro desse líquido e a amostra B continha 2 litros. Ambas as amostras foram aquecidas por 3 minutos, em recipientes de mesmo material e garantindo-se que a quantidade de calor cedida pela chama fosse a mesma para as duas amostras. Das figuras que se seguem, qual delas representa o gráfico da quantidade de calor cedida às amostras em função da variação de suas temperaturas, durante o período de tempo considerado?
Provas
O texto a seguir é referência para a questão.
Em todas as questões, as medições são feitas por um referencial inercial.
O módulo da aceleração gravitacional é representado por g. Onde for necessário, use g = 10 m/s2 para o módulo da aceleração gravitacional.
Uma certa massa de gás ideal passa pelo processo termodinâmico ilustrado na figura abaixo, que apresenta um diagrama P x V (pressão em função do volume).

Considerando que a temperatura do gás no ponto A vale TA = 50 K, assinale a alternativa que apresenta corretamente a temperatura TB do gás no ponto B.
Provas
O gráfico a seguir representa o comportamento do fluxo magnético através de uma espira imersa em um campo magnético uniforme, em função do tempo. Em qual(ais) intervalo(s) de tempo, um amperímetro, ligado aos terminais da espira, não acusará passagem de corrente elétrica?

Provas
Uma máquina térmica realiza a cada ciclo um trabalho de 8 x 102 J, com uma eficiência de 20%. Considerando que essa máquina opere segundo um ciclo de Carnot, com a fonte fria a uma temperatura de 300 K, qual é a temperatura da fonte quente e quanto calor é cedido para a fonte fria, respectivamente?
Provas
Caderno Container