Foram encontradas 4.779 questões.
São tipos de válvulas de retenção
Provas
A derivação de um tubo em outro, por processo de soldagem, é o(a):
Provas
O CO2 é um agente extintor que pode ser utilizado para o combate ao incêndio pleno nos seguintes materiais:
Provas
Para combater um incêndio pleno em elementos pirofóricos, tal como o zircônio, deve ser utlizado(a) como agente extintor o(a):
Provas
Os 10 parafusos de um acoplamento rotativo, uniformemente distribuídos ao longo da circunferência, precisam ser ordenados, em função de suas massas, para a montagem em seqüência, um ao lado do outro. A seqüência que apresenta condições de balanceamento mais adequadas é:
Provas
O tipo de material utilizado em anéis de segmentos de compressores não lubrificados é o:
Provas
O sistema complementar de lubrificação de alguns tipos de compressores alternativos visa à lubrificação de:
Provas
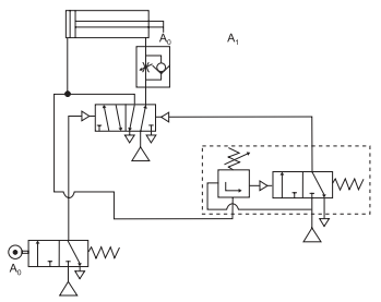
Observe o circuito pneumático na figura abaixo e responda às questões 37 e 38.

O elemento que processa o sinal de fim de curso no avanço do atuador A é o(a):
Provas
Observe o circuito pneumático na figura abaixo e responda às questões 37 e 38.

O comportamento do atuador A é:
Provas
Os materiais das molas devem ser selecionados em função do tipo de serviço, sendo considerados serviços pesados aqueles com incidência da carga máxima, em número de ciclos, acima de:
Provas
Caderno Container