Foram encontradas 4.779 questões.
Um técnico responsável pela manutenção de um sistema pneumático, ao fazer a inspeção mensal desse sistema, observou o seguinte:
- a pressão de saída do regulador de pressão estava oscilando;
- o filtro de ar estava deixando passar muito condensado;
- o lubrificador estava lubrificando em demasia;
- uma válvula de atuação elétrica não estava realizando comutação;
- uma válvula de atuação pneumática estava realizando comutação, mas não estava voltando à posição inicial.
Considerando os sintomas detectados no sistema, julgue os itens que se seguem.
Considerando a ocorrência de lubrificação em demasia, é possível que o seu sistema de regulagem esteja danificado.
Provas
Considerando as desvantagens e vantagens dos mancais de rolamento e dos mancais de deslizamento convencional, julgue os itens que se seguem.
Uma desvantagem dos mancais de rolamento é o grande aumento de folga durante a sua vida útil, o que proporciona o incremento de vibrações dos eixos.
Provas

Um dos parafusos de uma tubulação flangeada está ilustrado no desenho acima. Uma régua graduada foi utilizada para fazer uma medição do comprimento do parafuso. As medidas indicadas na régua estão gravadas no sistema inglês (polegadas e frações). Nesse contexto, julgue os itens que se seguem.
A menor divisão dessa régua graduada é de 1/32".
Provas
Um torquímetro será usado para apertar os parafusos passantes da carcaça de uma turbina a vapor. O mecânico de manutenção terá de tomar precauções para que a ação de apertar os parafusos siga a técnica correta.
Em face da situação acima, julgue os itens que se seguem, relativos a calibração, construção e uso do torquímetro.
O mecânico deve cuidar para que a ferramenta não caia de sua mão, pois ela não pode sofrer choques violentos.
Provas
Um técnico foi designado para dimensionar a área de seção de uma cordoalha de aço para suspender verticalmente uma peça industrial de 10 tf. Nessa situação, sabendo que a tensão média de ruptura à tração e a tensão média de ruptura por cisalhamento dessa cordoalha são, respectivamente, iguais a 1.500 kgf/cm2 e 800 kgf/cm2 e que, para não se gastar muito com material, recomendou-se o coeficiente de segurança total igual a 3, julgue os itens a seguir.
O coeficiente de segurança é uma reserva estratégica que espelha em uma carga adicional, aumentando o custo da cordoalha. No dimensionamento em consideração, a seção da cordoalha deve ser de 6,666 cm2.
Provas

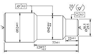
O desenho acima mostra a vista frontal de um eixo cilíndrico de três corpos, que vai ser fabricado segundo as dimensões e tolerâncias indicadas. Também estão mostrados os valores dos graus de rugosidade para as várias superfícies. Nessa situação, julgue os itens subseqüentes.
A tolerância da cota do diâmetro da ponta de eixo é de 0,5 mm.
Provas
Um técnico foi designado para dimensionar a área de seção de uma cordoalha de aço para suspender verticalmente uma peça industrial de 10 tf. Nessa situação, sabendo que a tensão média de ruptura à tração e a tensão média de ruptura por cisalhamento dessa cordoalha são, respectivamente, iguais a 1.500 kgf/cm2 e 800 kgf/cm2 e que, para não se gastar muito com material, recomendou-se o coeficiente de segurança total igual a 3, julgue os itens a seguir.
No dimensionamento descrito, o técnico deverá preocupar-se exclusivamente com o cisalhamento, pois a resistência média de tração pode variar para cada elemento da cordoalha, o que não permite a sua utilização para o cálculo solicitado.
Provas
Um técnico responsável pela montagem e desmontagem de sistemas/componentes hidráulicos, foi encarregado de elaborar um manual, visando enfocar os cuidados necessários para minimizar as falhas e os retrabalhos, e garantir o sucesso dessas operações.
Considerando a situação acima, julgue os itens seguintes.
No manual, o técnico deve recomendar que, na desmontagem de bombas, seja verificado o paralelismo dos flanges dos bocais, mediante o uso de um calibrador de lâminas em 4 posições a 90º.
Provas
Considerando as desvantagens e vantagens dos mancais de rolamento e dos mancais de deslizamento convencional, julgue os itens que se seguem.
Os mancais de deslizamento são excelentes, pois apresentam menor desgaste durante a sua vida útil do que os mancais de rolamento.
Provas

A figura acima mostra uma junta de solda para unir um tubo de cobre a um tubo de aço, ambos pertencentes a uma tubulação de vapor para aquecimento de uma rede de óleo residual pesado. A soldagem usa um maçarico oxiacetilênico, varetas de latão e uma lata de fluxo. Nesse contexto, julgue os itens seguintes.
A vareta de solda que está sendo usada é a mesma utilizada no processo de soldagem TIG.
Provas
Caderno Container