Foram encontradas 3.470 questões.
Leia o trecho abaixo e, em seguida, assinale a alternativa que preenche corretamente a lacuna.
O(A) _____________ é um material metálico não ferroso.
O(A) _____________ é um material metálico não ferroso.
Provas
Questão presente nas seguintes provas
Observe a figura.

As rótulas do cilindro de levantamento das lâminas devem ser lubrificadas com graxa sob pressão, a cada

As rótulas do cilindro de levantamento das lâminas devem ser lubrificadas com graxa sob pressão, a cada
Provas
Questão presente nas seguintes provas
As alavancas da figura a seguir acionam os implementos da motoniveladora.

Esses implementos atuam por meio de um sistema

Esses implementos atuam por meio de um sistema
Provas
Questão presente nas seguintes provas
A figura apresenta o eixo traseiro da motoniveladora.

As letras X e Y correspondem, correta e respectivamente a

As letras X e Y correspondem, correta e respectivamente a
Provas
Questão presente nas seguintes provas
Observe a ilustração.

Essa figura apresenta a manutenção preventiva realizada com jato de ar pressurizado no sistema de

Essa figura apresenta a manutenção preventiva realizada com jato de ar pressurizado no sistema de
Provas
Questão presente nas seguintes provas

O anel de vedação mostrado na Figura acima possui 7 furos passantes distribuídos ao longo de sua circunferência, todos com 12 mm de diâmetro.
A forma de escrever a cota P mostrada no desenho é
Provas
Questão presente nas seguintes provas
Um conjunto habitacional de 350 casas possui um con- sumo médio diário de 100 litros de água, por cada casa.
Qual a ordem de grandeza do volume de água, em mtros cúbicos, que deve ser bombeado para o conjunto, de modo a abastecer o total de casas por um dia?
Qual a ordem de grandeza do volume de água, em mtros cúbicos, que deve ser bombeado para o conjunto, de modo a abastecer o total de casas por um dia?
Provas
Questão presente nas seguintes provas
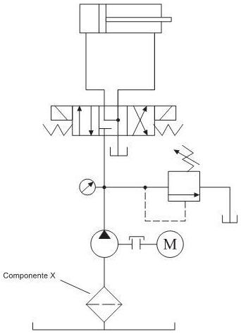
Considere o circuito hidráulico ilustrado abaixo.

O componente X desse circuito hidráulico é um(a)
Provas
Questão presente nas seguintes provas
O circuito hidráulico mostrado na Figura abaixo possui um controle de velocidade para o atuador linear de dupla ação.

Esse controle é realizado pela válvula de controle de fluxo quando a haste se move para a:
Provas
Questão presente nas seguintes provas
Três medições realizadas em um laboratório apresentaram os seguintes resultados: 23,507 mm, 0,00045 mm e 98,300 mm.
Quantos algarismos significativos possuem, respectivamente, esses números?
Quantos algarismos significativos possuem, respectivamente, esses números?
Provas
Questão presente nas seguintes provas
Cadernos
Caderno Container