Foram encontradas 3.470 questões.
Ao microconstituinte metaestável de uma liga Fe-C correspondente a uma estrutura eutetoide, denomina-se
Provas
Questão presente nas seguintes provas
Um compressor utiliza um sistema manivela-biela-pistão para comprimir um gás, o qual, posteriormente, é armazenado em um reservatório.
Com o objetivo de estimar a potência consumida pelo motor de acionamento do sistema, mediu-se as duas variáveis cujo produto fornece a potência, quais sejam, o torque do eixo de acionamento da manivela e a sua rotação.
No Sistema Internacional de Unidades (SI), para se obter a potência expressa em watts, o torque deve ser expresso em N.m e a velocidade de rotação em:
Com o objetivo de estimar a potência consumida pelo motor de acionamento do sistema, mediu-se as duas variáveis cujo produto fornece a potência, quais sejam, o torque do eixo de acionamento da manivela e a sua rotação.
No Sistema Internacional de Unidades (SI), para se obter a potência expressa em watts, o torque deve ser expresso em N.m e a velocidade de rotação em:
Provas
Questão presente nas seguintes provas

Provas
Questão presente nas seguintes provas
Em relação ao padrão de cores adotado na coleta seletiva de lixo, a cor laranja identifica o seguinte material:
Provas
Questão presente nas seguintes provas
A soldabilidade é função da composição química do aço.
Essa soldabilidade é
Essa soldabilidade é
Provas
Questão presente nas seguintes provas
O gerador mostrado na Figura abaixo aciona uma turbina por meio de um eixo composto (eixo 1 e eixo 2, de diâmetros distintos).
Se o torque necessário à turbina é T e d2 < d1 , a relação entre os torques nos dois eixos (T1 e T2 ) e a relação entre as tensões cisalhantes máximas nos dois eixos (
e
) são, respectivamente, tais que
Se o torque necessário à turbina é T e d2 < d1 , a relação entre os torques nos dois eixos (T1 e T2 ) e a relação entre as tensões cisalhantes máximas nos dois eixos (
Provas
Questão presente nas seguintes provas
No processo de soldagem TIG a arco elétrico, o eletrodo empregado
Provas
Questão presente nas seguintes provas
Que tipo de eletrodo contém, em seu revestimento, materiais orgânicos combustíveis, sendo muito usado para soldagens em que a penetração é muito importante e as inclusões de escória são indesejáveis?
Provas
Questão presente nas seguintes provas
Nas representações em desenho técnico da posição do plano de corte e da posição limite de peças móveis, são usadas, respectivamente, linhas do tipo.
Provas
Questão presente nas seguintes provas

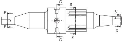
As duas válvulas de controle de fluxo presentes na entrada e na saída do atuador linear mostrado na Figura acima controlam a velocidade do atuador pela
Provas
Questão presente nas seguintes provas
Cadernos
Caderno Container