Foram encontradas 12.703 questões.
889575
Ano: 2011
Disciplina: TI - Organização e Arquitetura dos Computadores
Banca: CESGRANRIO
Orgão: Petrobrás
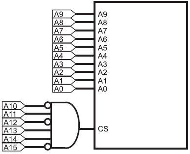
Disciplina: TI - Organização e Arquitetura dos Computadores
Banca: CESGRANRIO
Orgão: Petrobrás

A faixa de endereços mapeada pela memória acima é
Provas
Questão presente nas seguintes provas
889574
Ano: 2011
Disciplina: TI - Organização e Arquitetura dos Computadores
Banca: CESGRANRIO
Orgão: Petrobrás
Disciplina: TI - Organização e Arquitetura dos Computadores
Banca: CESGRANRIO
Orgão: Petrobrás
A instrução da arquitetura x86 que realiza um acesso direto entre memória e I/O, não passando o dado, portanto, pela CPU, é
Provas
Questão presente nas seguintes provas
872209
Ano: 2011
Disciplina: TI - Organização e Arquitetura dos Computadores
Banca: CESPE / CEBRASPE
Orgão: BRB
Disciplina: TI - Organização e Arquitetura dos Computadores
Banca: CESPE / CEBRASPE
Orgão: BRB
Provas:
Com relação aos conceitos de arquitetura de computadores, julgue
os itens a seguir.
O barramento USB (universal serial bus) permite a conexão de muitos periféricos simultaneamente ao barramento. Tal barramento está ligado à placa-mãe por uma única conexão.os itens a seguir.
Provas
Questão presente nas seguintes provas
872208
Ano: 2011
Disciplina: TI - Organização e Arquitetura dos Computadores
Banca: CESPE / CEBRASPE
Orgão: BRB
Disciplina: TI - Organização e Arquitetura dos Computadores
Banca: CESPE / CEBRASPE
Orgão: BRB
Provas:
Com relação aos conceitos de arquitetura de computadores, julgue
os itens a seguir.
O número de bits de um computador — por exemplo, uma máquina de 32 bits — representa o tamanho da célula de memória desse computador.os itens a seguir.
Provas
Questão presente nas seguintes provas
872207
Ano: 2011
Disciplina: TI - Organização e Arquitetura dos Computadores
Banca: CESPE / CEBRASPE
Orgão: BRB
Disciplina: TI - Organização e Arquitetura dos Computadores
Banca: CESPE / CEBRASPE
Orgão: BRB
Provas:
Com relação aos conceitos de arquitetura de computadores, julgue
os itens a seguir.
Geralmente, as máquinas CISC utilizam os registradores da CPU para o armazenamento dos parâmetros e das variáveis em chamadas de rotinas e funções.os itens a seguir.
Provas
Questão presente nas seguintes provas
832250
Ano: 2011
Disciplina: TI - Organização e Arquitetura dos Computadores
Banca: CESGRANRIO
Orgão: Transpetro
Disciplina: TI - Organização e Arquitetura dos Computadores
Banca: CESGRANRIO
Orgão: Transpetro
Provas:
O relógio de um processador consiste em um dispositivo que tem como finalidade sincronizar e cadenciar (controlar a velocidade) as ações executadas por essa unidade. Em cada ciclo (intervalo de tempo entre o início da subida/ descida de um pulso até o início de sua descida/subida), uma ação é realizada pelo processador.
Se o intervalo de tempo entre duas ações consecutivas de um processador é igual a 2 nanossegundos, qual será a sua frequência em Gigahertz (GHz)?
Se o intervalo de tempo entre duas ações consecutivas de um processador é igual a 2 nanossegundos, qual será a sua frequência em Gigahertz (GHz)?
Provas
Questão presente nas seguintes provas
832248
Ano: 2011
Disciplina: TI - Organização e Arquitetura dos Computadores
Banca: CESGRANRIO
Orgão: Transpetro
Disciplina: TI - Organização e Arquitetura dos Computadores
Banca: CESGRANRIO
Orgão: Transpetro
Provas:
Considere o cenário descrito abaixo, para responder
às questões de nos
34 e 35.
Segue-se o trecho final de uma memória principal, onde
o endereço FFF representa a maior posição endereçável.
Todos os números são apresentados em hexadecimal.

Considere agora um trecho de uma memória cache interligada à memória principal apresentada. Cada linha abriga um bloco de memória com duas células. No exemplo ilustrado a seguir, a linha 220 armazena o bloco que contém as células de endereços FF8 e FF9.às questões de nos
34 e 35.
Segue-se o trecho final de uma memória principal, onde
o endereço FFF representa a maior posição endereçável.
Todos os números são apresentados em hexadecimal.


O processador então envia uma solicitação de escrita à memória principal na célula FF9. Após a operação ser completada, a memória cache tem o valor alterado para 3EBF, mas a memória principal mantém armazenado o valor anterior, que é 3EBC.

Considerando-se esse cenário, tem-se que a memória cache implementa a
Provas
Questão presente nas seguintes provas
832247
Ano: 2011
Disciplina: TI - Organização e Arquitetura dos Computadores
Banca: CESGRANRIO
Orgão: Transpetro
Disciplina: TI - Organização e Arquitetura dos Computadores
Banca: CESGRANRIO
Orgão: Transpetro
Provas:
Considere o cenário descrito abaixo, para responder
às questões de nos
34 e 35.
Segue-se o trecho final de uma memória principal, onde
o endereço FFF representa a maior posição endereçável.
Todos os números são apresentados em hexadecimal.

O número máximo de células que essa memória pode conter será igual aàs questões de nos
34 e 35.
Segue-se o trecho final de uma memória principal, onde
o endereço FFF representa a maior posição endereçável.
Todos os números são apresentados em hexadecimal.

Provas
Questão presente nas seguintes provas
832246
Ano: 2011
Disciplina: TI - Organização e Arquitetura dos Computadores
Banca: CESGRANRIO
Orgão: Transpetro
Disciplina: TI - Organização e Arquitetura dos Computadores
Banca: CESGRANRIO
Orgão: Transpetro
Provas:
Seja N uma base de numeração, e os números
. Sabendo-se que a igualdade B + D = A + E.C é válida, o produto de valores válidos para a base N é
Provas
Questão presente nas seguintes provas
775335
Ano: 2011
Disciplina: TI - Organização e Arquitetura dos Computadores
Banca: CESPE / CEBRASPE
Orgão: SEGER-ES
Disciplina: TI - Organização e Arquitetura dos Computadores
Banca: CESPE / CEBRASPE
Orgão: SEGER-ES
Com relação aos sistemas de numeração e representação de dados, à aritmética computacional e às linguagens de programação e arquitetura de computadores, julgue os itens subsequentes.
Em base hexadecimal, a soma dos números 31 e F tem como resultado o número 0100 0110 em base binária.
Provas
Questão presente nas seguintes provas
Cadernos
Caderno Container