Foram encontradas 60 questões.
A figura abaixo ilustra duas simbologias de circuito aplicáveis ao dispositivo:

Provas
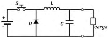
A figura abaixo ilustra o esquema de um circuito tipo:

Provas
Um conversor CC/CC tipo SEPIC não isolado tem seu esquema simplificado ilustrado na figura abaixo.

Os seus modos de operação permitem afirmar que:
Provas
O conversor CC/CC, abaixador-elevador de tensão, caracterizado por entrada tipo fonte de tensão e por saída tipo fonte de corrente é designado por:
Provas
Um processo de conversão CC/CC é realizado pelo circuito básico esquematizado na figura abaixo.

Esse processo é identificado do tipo:
Provas
A figura abaixo ilustra a curva característica de saída de um transistor SOl MOSFET parcialmente depletado para várias temperaturas.

Na figura, o ponto de polarização incógnita indicado (?) é conhecido como:
Provas
O modelo de circuito equivalente de um IGBT ilustrado na figura abaixo é válido para situações de tensão anodo-catodo com valores:

Provas
A figura abaixo ilustra a seção transversal da estrutura física de um IGBT do tipo:

Provas
A figura abaixo ilustra a simbologia elétrica de um MOSFET tipo:

Provas
Na figura abaixo, ilustram-se as curvas características de um MOSFET tipo:

Provas
Caderno Container