Foram encontradas 120 questões.
- Modelo OSIIntrodução ao Modelo OSI
- Modelo OSIModelo OSI: Camada de Enlace
- Modelo OSIModelo OSI: Camada de Rede
- Modelo OSIModelo OSI: Camada de Transporte
Com o advento das redes de comutadores, a interoperabilidade de sistemas e a interatividade das aplicações tornaram-se um imperativo. Entretanto, essas facilidades visíveis aos usuários das redes são possíveis graças a diversos serviços prestados de maneira padronizada nas camadas mais baixas das redes, que não estão expostos ao usuário final. Um dos principais esforços de padronização de interfaces e serviços é o modelo de referência OSI da ISO. Esse modelo serve ainda hoje de referência para a estruturação da arquitetura de serviços de rede. Quanto aos principais serviços de rede disponíveis nas camadas de 1 a 4 do modelo OSI, julgue os itens a seguir.
As funções de controle de erros de transmissão estão presentes, com diferentes níveis de confiabilidade, em diversas camadas do modelo.
Provas
Disciplina: TI - Segurança da Informação
Banca: CESPE / CEBRASPE
Orgão: ABIN
A análise da complexidade de algoritmos computacionais permite, entre outras coisas, calcular a escalabilidade do uso de determinado algoritmo em função da dimensão de um sistema em que o algoritmo é aplicado. Assim, freqüentemente a complexidade é expressa em termos da dimensão do sistema, usualmente anotada com n. Com relação a algoritmos de complexidade linear, polinomial, exponencial e logarítmica, julgue os itens a seguir.
Uma função criptográfica não pode ser considerada segura computacionalmente se a complexidade do algoritmo para criptoanálise que resulte em quebra do segredo criptográfico dessa função for linear.
Provas
Disciplina: TI - Desenvolvimento de Sistemas
Banca: CESPE / CEBRASPE
Orgão: ABIN
A análise da complexidade de algoritmos computacionais permite, entre outras coisas, calcular a escalabilidade do uso de determinado algoritmo em função da dimensão de um sistema em que o algoritmo é aplicado. Assim, freqüentemente a complexidade é expressa em termos da dimensão do sistema, usualmente anotada com n. Com relação a algoritmos de complexidade linear, polinomial, exponencial e logarítmica, julgue os itens a seguir.
Algoritmos com complexidade logarítmica são computacionalmente convenientes para sistemas de grande dimensão. Em alguns casos, esses algoritmos podem ser inclusive mais eficientes que algoritmos com complexidade linear, qualquer que seja o valor de n.
Provas
Disciplina: TI - Organização e Arquitetura dos Computadores
Banca: CESPE / CEBRASPE
Orgão: ABIN
Ainda que existam diversos tipos de plataformas de processamento, a arquitetura dos principais tipos de computadores converge para uma combinação cada vez mais uniforme de dispositivos: processadores, memória RAM, discos rígidos, barramentos e dispositivos periféricos. Acerca da organização e da arquitetura de sistemas computacionais, julgue os itens subseqüentes.
Provas
Disciplina: TI - Organização e Arquitetura dos Computadores
Banca: CESPE / CEBRASPE
Orgão: ABIN
Ainda que existam diversos tipos de plataformas de processamento, a arquitetura dos principais tipos de computadores converge para uma combinação cada vez mais uniforme de dispositivos: processadores, memória RAM, discos rígidos, barramentos e dispositivos periféricos. Acerca da organização e da arquitetura de sistemas computacionais, julgue os itens subseqüentes.
Em processadores com arquitetura RISC, a quantidade de memória cache de hardware é pouco significativa para o desempenho, pois as instruções de programa são lidas diretamente da memória principal, dentro da pipeline de execução do processador, com zero wait states.
Provas
Disciplina: TI - Gestão e Governança de TI
Banca: CESPE / CEBRASPE
Orgão: ABIN

Tendo essas informações como referência, julgue os itens que se seguem.
Caso existam referências a funções ou variáveis que são utilizadas no módulo “principal.o”, ou “biblioteca.o”, e que não estejam definidas nesse mesmo módulo, o processo de linkagem resultará em erro.
Provas
Disciplina: TI - Gestão e Governança de TI
Banca: CESPE / CEBRASPE
Orgão: ABIN

Tendo essas informações como referência, julgue os itens que se seguem.
A compilação da cláusula I deve ser realizada antes da compilação da cláusula II, caso contrário é possível que o resultado da execução da cláusula II resulte em erro de compilação.
Provas
Disciplina: TI - Organização e Arquitetura dos Computadores
Banca: CESPE / CEBRASPE
Orgão: ABIN

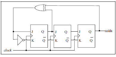
A figura acima apresenta o diagrama de um circuito digital para geração de uma seqüência pseudo-aleatória. Com relação a esse circuito, julgue os itens que se seguem.
A seqüência pseudo-aleatória gerada pelo circuito tem período máximo.
Provas
Disciplina: TI - Organização e Arquitetura dos Computadores
Banca: CESPE / CEBRASPE
Orgão: ABIN

A figura acima apresenta o diagrama de um circuito digital para geração de uma seqüência pseudo-aleatória. Com relação a esse circuito, julgue os itens que se seguem.
Esse circuito pode ser considerado assíncrono, uma vez que há um retardo progressivo na propagação dos bits nos estágios do registrador de deslocamento.
Provas
Disciplina: TI - Organização e Arquitetura dos Computadores
Banca: CESPE / CEBRASPE
Orgão: ABIN

A figura acima apresenta o diagrama de um circuito digital para geração de uma seqüência pseudo-aleatória. Com relação a esse circuito, julgue os itens que se seguem.
A função de realimentação é formada por duas portas: uma ou-exclusivo e outra inversora.
Provas
Caderno Container