Foram encontradas 2.300 questões.

Julgue os itens subsequentes, relativos ao circuito mostrado na figura acima, que é constituído da interconexão de um gerador de corrente alternada, com tensão vS(t), de amplitude 20 VRMS, frequência 1 kHz e fase 25º, e de três elementos de impedância Z1, Z2 e Z3. Para seu julgamento, considere que as amplitudes e fases das três impedâncias sejam, respectivamente, iguais a 10
e 90º, 20
e 0º, e 20
e 270º.
A impedância Z3 é capacitiva, e o seu valor (magnitude e fase) é consequência da conexão de um capacitor de 50
nos terminais onde a impedância se encontra indicada no circuito, à frequência da fonte de tensão.
Provas

Considerando as correntes de malha indicadas no circuito resistivo ilustrado na figura acima, que é alimentado com uma fonte independente de corrente CC com amplitude igual a 12 mA, julgue os próximos itens.
A tensão VA sobre a fonte de corrente é superior a 30 V.
Provas

Considerando as correntes de malha indicadas no circuito resistivo ilustrado na figura acima, que é alimentado com uma fonte independente de corrente CC com amplitude igual a 12 mA, julgue os próximos itens.
A diferença de corrente I1 – I2 através do resistor de 2
é igual a 9,6 mA.
Provas

Considerando as correntes de malha indicadas no circuito resistivo ilustrado na figura acima, que é alimentado com uma fonte independente de corrente CC com amplitude igual a 12 mA, julgue os próximos itens.
A soma das potências dissipadas por todos os resistores do circuito é inferior a 370 mW.
Provas

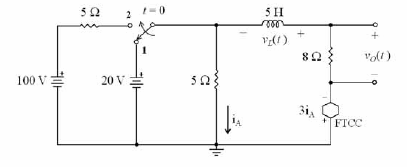
Considere que, no circuito chaveado ilustrado na figura acima acima, constituído de uma fonte de tensão controlada por corrente (FTCC), fontes de tensão independentes CC e elementos passivos de circuito ideais, a chave seja mantida na posição 1, por um longo tempo, em regime permanente, antes do instante t = 0, e que, exatamente nesse instante, a chave seja repentinamente deslocada para a posição 2. Com base nessas informações, julgue os itens seguintes.
Imediatamente após o deslocamento da chave da posição 1 para a posição 2, em t = 0, a tensão de saída vO(0+) e a tensão sobre o indutor vL(0+) são iguais a 8 V e –46 V, respectivamente.
Provas

Considere que, no circuito chaveado ilustrado na figura acima acima, constituído de uma fonte de tensão controlada por corrente (FTCC), fontes de tensão independentes CC e elementos passivos de circuito ideais, a chave seja mantida na posição 1, por um longo tempo, em regime permanente, antes do instante t = 0, e que, exatamente nesse instante, a chave seja repentinamente deslocada para a posição 2. Com base nessas informações, julgue os itens seguintes.
A constante de tempo do circuito chaveado na posição 2 é igual a 
Provas

Considere que, no circuito chaveado ilustrado na figura acima acima, constituído de uma fonte de tensão controlada por corrente (FTCC), fontes de tensão independentes CC e elementos passivos de circuito ideais, a chave seja mantida na posição 1, por um longo tempo, em regime permanente, antes do instante t = 0, e que, exatamente nesse instante, a chave seja repentinamente deslocada para a posição 2. Com base nessas informações, julgue os itens seguintes.
Com a chave do circuito na posição 2, o valor em regime permanente da tensão de saída
é superior a 50 V.
Provas
Para projetar ou analisar projetos de engenharia, um programa muito utilizado é o AutoCAD, que permite maior agilidade no envio e manuseio de plantas e demais desenhos. Nesse sentido, visando ao uso do AutoCAD para a elaboração dos desenhos de projetos de engenharia, independentemente das versões utilizadas, e, ainda, a necessidade de que o engenheiro tenha conhecimento de alguns comandos e procedimentos a fim de realizar o seu trabalho, julgue os itens subsequentes.
Para apagar objetos selecionados, uma opção é o acionamento simultâneo das teclas
Provas
Para projetar ou analisar projetos de engenharia, um programa muito utilizado é o AutoCAD, que permite maior agilidade no envio e manuseio de plantas e demais desenhos. Nesse sentido, visando ao uso do AutoCAD para a elaboração dos desenhos de projetos de engenharia, independentemente das versões utilizadas, e, ainda, a necessidade de que o engenheiro tenha conhecimento de alguns comandos e procedimentos a fim de realizar o seu trabalho, julgue os itens subsequentes.
Caso o usuário execute o comando rectangle, selecione um ponto na tela, digite @2,2 e acione a tecla
será criado um quadrado com duas unidades de lado, em que o ponto selecionado na tela será o vértice inferior esquerdo do quadrado.
Provas
Para projetar ou analisar projetos de engenharia, um programa muito utilizado é o AutoCAD, que permite maior agilidade no envio e manuseio de plantas e demais desenhos. Nesse sentido, visando ao uso do AutoCAD para a elaboração dos desenhos de projetos de engenharia, independentemente das versões utilizadas, e, ainda, a necessidade de que o engenheiro tenha conhecimento de alguns comandos e procedimentos a fim de realizar o seu trabalho, julgue os itens subsequentes.
Para criar cópias de um objeto, distribuídas em linhas e colunas previamente definidas, o usuário deve usar o comando polar array, podendo selecionar o objeto antes ou depois do comando ser efetuado.
Provas
Caderno Container