Foram encontradas 100 questões.
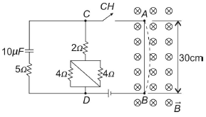
O trecho AB, de comprimento 30 cm, do circuito elétrico abaixo, está imerso num campo magnético uniforme de intensidade 4 T e direção perpendicular ao plano da folha. Quando a chave CH é fechada e o capacitor completamente carregado, atua sobre o trecho AB uma força magnética de intensidade 3 N, deformando-o, conforme a figura.

Sabe-se que os fios são ideais. A intensidade da corrente elétrica, em ampères, e a diferença de potencial elétrico entre os pontos C e D, em volts, são, respectivamente
Provas
Questão presente nas seguintes provas
Texto I
Preces por São Francisco
Por meio de uma greve de fome de 23 dias, o bispo dom Cappio voltou a chamar a atenção para os problemas inerentes à transposição das águas do Velho Chico!$ ^{(C)} !$ para o semi-árido nordestino.
Em dezembro de 2007, um religioso fez jejum de 23 dias por São Francisco. Esse, que poderia ser uma manifestação qualquer de algum dos milhões de católicos brasileiros, ultrapassou os limites da Igreja e virou um problema de Estado. Afinal, não era um São Francisco qualquer, mas o rio brasileiro que atravessa cinco estados!$ ^{(A)} !$; tampouco se tratava de um religioso qualquer, mas de dom Luís Flávio Cappio, bispo de Barra, histórico ambientalista!$ ^{(D)} !$, defensor e conhecedor das populações pobres do sertão nordestino. A greve de fome foi amplamente divulgada pela imprensa nacional e esquentou o debate sobre as obras no Velho Chico.
(...)
O Velho Chico, como o rio é conhecido Brasil afora!$ ^{(B)} !$, nasce em João de Roque de Minas, na serra da Canastra, e lança suas águas entre Alagoas e Sergipe no oceano Atlântico. O São Francisco foi descoberto por Américo Vespúcio em 4 de outubro de 1501, quando o navegador mapeava o litoral brasileiro. Sua bacia hidrográfica representa 8% do território nacional e 57% da área do semi-árido. São 32 sub-bacias, 168 afluentes e envolve 505 municípios – 101 no vale do rio – onde vivem aproximadamente 15 milhões de pessoas.
(Revista Discutindo Geografia, Ano 3 – adaptado.)
Assinale a opção cujo termo grifado NÃO está coerente com o sentido original do Texto I.
Provas
Questão presente nas seguintes provas
Ultimamente, vários adereços têm sido utilizados em bailes e em festas noturnas. Em alguns casos, “lá pelas tantas horas”, são distribuídos óculos coloridos, colares, chapéus e plumas. É um dos momentos de maior descontração na festa.
Em geral, acima da pista de dança, é colocado um objeto luminoso, chamado “sputinik”.
Considere um “sputinik” construído do seguinte modo:
1º) toma-se um cubo de aresta 3pcm
2º) em cada encontro de três arestas, retira-se um tetraedro cuja base é um triângulo equilátero de lado p !$ \sqrt 2 !$ cm e
3º) no sólido restante, são acopladas pirâmides triangulares de altura !$ 3p \sqrt 3 cm !$ e pirâmides octogonais de altura 3pcm ; ambos os tipos de pirâmides são retas e possuem bases coincidentes com as faces desse sólido.
Se o volume desse “sputinik” é !$ xp^3 \, cm^3 !$ , então x é um número do intervalo
Provas
Questão presente nas seguintes provas
Texto II
Degradação
O rio São Francisco tem enorme importância socioeconômica atribuída à utilização de suas águas!$ ^{(C)} !$. Dentre os diversos usos, destacam-se: o consumo humano, a produção de energia elétrica distribuída para aproximadamente 97% da região Nordeste!$ ^{(A)} !$, a agricultura irrigada — praticada em diversas agrovilas espalhadas ao longo das margens — a piscicultura!$ ^{(B)} !$ — como a criação de tilápias no cânion do rio, no município baiano de Paulo Afonso — a navegação e o turismo, entre outras funções.
O São Francisco se encontra em estágio avançado de degradação. O problema é imputado às ações humanas!$ ^{(D)} !$ como, por exemplo, devastação das nascentes e matas ciliares, despejo de esgoto e lixo — doméstico e industrial — ; às atividades agropecuárias, mineradoras e de garimpo; às queimadas etc.
(...)
Esses impactos ambientais na região drenada pelo Velho Chico e seus afluentes começaram a ocorrer por volta de 500 anos atrás, época em que se iniciou o povoamento no vale do São Francisco. Hoje, o rio está debilitado e em diversos setores da bacia hidrográfica a degradação preocupa, aflige e entristece.
(Revista Discutindo Geografia, Ano 3 – adaptado.)
Assinale, entre as expressões destacadas abaixo, aquela cujo valor semântico NÃO foi corretamente indicado.
Provas
Questão presente nas seguintes provas
Question is related to the following text.
Dealing with Sensitive Materials on the Internet
With the emergency of user-friendly online systems, the World Wide Web and its introduction into the classroom, more and more children are taking advantage of the power of the internet. However, it remains largely an adult forum, and so it carries with it adult subject matter.
Does it raise the question of what happens when adult topics and a child’s naive explorations meet? The debate has raised not only questions of obscenity, harassment, free speech, and censorship, but also of government control of the Internet, and its very nature as a communications resource.
Whatever the outcome of this war is, it will set a precedent for how society and government deal with the exchange of information in the future. Is the internet a free forum for discussion or is it a broadcasting service and therefore subject to the same restrictions as television, print, or radio?
Are to internet communications on the right privacy covered by the, or can e-mail messages be legally observedH? Are web pages free speech or are some subjects taboo on the internet because a child may stumble upon them? And who is responsible for internet content in a
communications medium where traditional publishing scenarios no longer apply and content can be posted anonymously?
For people who wish to control or limit the use of the internet, the issue of children and pornography has been a valuable tool for gaining public support. The key is to find a solution to protect our children while at the same time, avoid setting up a climate of control that will limit our rights as adults.
(Adapted from Framework Level 3 – Richmond)
The underlined question in text has been mixed up. Put the words in the right order according to the context.
Provas
Questão presente nas seguintes provas
O polinômio !$ P_1(x)=mx^3-2nx^2-mx+n^2 !$, onde !$ \{m,n\} \subset IR\ !$ é unitário e não é divisível por !$ P_2(x)=x !$
Sabe-se que !$ P_1(x)=0 !$ admite duas raízes simétricas.
Sobre as raízes de !$ P_1(x)=0 !$ é INCORRETO afirmar que
Provas
Questão presente nas seguintes provas
Um par de blocos A e B, de massas !$ m_A = 2 \,kg !$ e !$ m_B = 10 \,kg !$, apoiados em um plano sem atrito, é acoplado a duas molas ideais de mesma constante elástica K = 50 N/m, como mostra a figura abaixo.

Afastando-se horizontalmente o par de blocos de sua posição de equilíbrio, o sistema passa a oscilar em movimento harmônico simples com energia mecânica igual a 50 J.
Considerando !$ g = 10 m/s^2 !$, o mínimo coeficiente de atrito estático que deve existir entre os dois blocos para que o bloco A não escorregue sobre o bloco B é
Provas
Questão presente nas seguintes provas
Dispõe-se de quatro polias ideais de raios !$ R_A=R\ !$, !$ R_B=3R\ !$, !$ R_C= \large{R \over 2} !$ e !$ R_D=\large{R \over 10} !$ que podem ser combinadas e acopladas a um motor cuja freqüência de funcionamento tem valor f.
As polias podem ser ligadas por correias ideais ou unidas por eixos rígidos e, nos acoplamentos, não ocorre escorregamento. Considere que a combinação dessas polias com o motor deve acionar uma serra circular (S) para que ela tenha uma freqüência de rotação igual a 5/3 da freqüência do motor. Sendo assim, marque a alternativa que representa essa combinação de polias.
Provas
Questão presente nas seguintes provas
Dois corpos A e B, esféricos, inicialmente estacionários no espaço, com massas respectivamente iguais a !$ m_A !$ e !$ m_B !$, encontram-se separados, centro a centro, de uma distância x muito maior que os seus raios, conforme figura abaixo.

Na ausência de outras forças de interação, existe um ponto P do espaço que se localiza a uma distância d do centro do corpo A. Nesse ponto P é nula a intensidade da força gravitacional resultante, devido à ação dos corpos A e B sobre um corpo de prova de massa m, ali colocado.
Considere que os corpos A e B passem a se afastar com uma velocidade constante ao longo de uma trajetória retilínea que une os seus centros e que !$ m_A = 16m_B !$. Nessas condições, o gráfico que melhor representa d em função de x é
Provas
Questão presente nas seguintes provas
Sobre as retas !$ (r) (1-k)x+10y+3k=0 !$ e !$ (s) \begin{cases} x=2-t \\ y=-1+(1-k)t \end{cases} !$ onde k, t !$ ∈ \, IR\ !$, pode-se afirmar que
Provas
Questão presente nas seguintes provas
Cadernos
Caderno Container