Foram encontradas 100 questões.
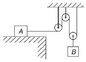
Na situação de equilíbrio abaixo, os fios e as polias são ideais e a aceleração da gravidade é g. Considere !$ μ e !$ o coeficiente de atrito estático entre o bloco A, de massa !$ m_A !$, e o plano horizontal em que se apóia.

A maior massa que o bloco B pode ter, de modo que o equilíbrio se mantenha, é
Provas
Questão presente nas seguintes provas
O diagrama abaixo representa as posições de dois corpos A e B em função do tempo.

Por este diagrama, afirma-se que o corpo A iniciou o seu movimento, em relação ao corpo B, depois de
Provas
Questão presente nas seguintes provas
The Reluctant Learner
My friend Tom is one of those six-to-midnight, enthusiastic, determined, and well-mentioned studiers. At six o’clock he approaches his desk, and carefully organizes everything in preparation for the study period to follow. Having everything in place, he next carefully adjusts each item again, giving him time to think up the first excuse; he recalls that in the morning he did not have quite enough time to read all the items of interest in the newspaper. He also realizes distractions completely out of the way before setting down to the task at hand.
(Skyline 5 – Macmillan)
The sentence, “...he recalls that in the morning he did not have quite enough time to read all the items of interest in the newspaper” shows us how Tom
Provas
Questão presente nas seguintes provas
Question is related to the following text.
Dealing with Sensitive Materials on the Internet
With the emergency of user-friendly online systems, the World Wide Web and its introduction into the classroom, more and more children are taking advantage of the power of the internet. However, it remains largely an adult forum, and so it carries with it adult subject matter.
Does it raise the question of what happens when adult topics and a child’s naive explorations meet? The debate has raised not only questions of obscenity, harassment, free speech, and censorship, but also of government control of the Internet, and its very nature as a communications resource.
Whatever the outcome of this war is, it will set a precedent for how society and government deal with the exchange of information in the future. Is the internet a free forum for discussion or is it a broadcasting service and therefore subject to the same restrictions as television, print, or radio?
Are to internet communications on the right privacy covered by the, or can e-mail messages be legally observedH? Are web pages free speech or are some subjects taboo on the internet because a child may stumble upon them? And who is responsible for internet content in a
communications medium where traditional publishing scenarios no longer apply and content can be posted anonymously?
For people who wish to control or limit the use of the internet, the issue of children and pornography has been a valuable tool for gaining public support. The key is to find a solution to protect our children while at the same time, avoid setting up a climate of control that will limit our rights as adults.
(Adapted from Framework Level 3 – Richmond)
Mark the correct question to the answer below extracted from the text.
“The debate”
Provas
Questão presente nas seguintes provas
João Victor e Samuel são dois atletas que competem numa mesma maratona. Num determinado momento, João Victor encontra-se no ponto M, enquanto Samuel encontra-se no ponto N, 5 m à sua frente. A partir desse momento, um observador passa a acompanhá-los registrando as distâncias percorridas em cada intervalo de tempo de 1 segundo, conforme tabelas abaixo.
| João Victor | |
| Intervalo | Distância ( m ) |
| 1º | !$ \large{1 \over 2} !$ |
| 2º | !$ \large{3 \over 4} !$ |
| 3º | !$ \large{9 \over 8} !$ |
![]() |
![]() |
| Samuel | |
| Intervalo | Distância ( m ) |
| 1º | !$ \large{1 \over 2} !$ |
| 2º | !$ \large{3 \over 4} !$ |
| 3º | 1,0 |
![]() |
![]() |
Sabe-se que os números da tabela acima que representam as distâncias percorridas por João Victor formam uma progressão geométrica, enquanto os números da tabela acima que representam as distâncias percorridas por Samuel formam uma progressão aritmética.
Com base nessas informações, é INCORRETO afirmar que ao final do
Provas
Questão presente nas seguintes provas
Texto III
Prós e contras
A idéia de transferir parte das águas do São Francisco remonta aos finais do século XIX e vem à tona, neste início de século XXI, como uma das ações prioritárias!$ ^{(A)} !$ de governo na gestão do presidente Lula.
O debate em torno da obra de transposição segue cada vez mais acalorado. Uns dizem que a obra de engenharia é viável tecnicamente e deve trazer geração de empregos, aumento de renda e redução da migração populacional!$ ^{(A)} !$, com a implantação de agronegócios. Propaga-se!$ ^{(B)} !$ que 12 milhões de pessoas serão beneficiadas. Outros defendem a necessidade de revitalização do rio, por causa do quadro avançado de degradação do São Francisco, além da urgência de estudos técnicos com fins de se prever os possíveis impactos socioambientais. Argumenta-se ainda a incerteza da viabilidade econômica do projeto e a falta de clareza quanto aos benefícios sociais e à distribuição de renda que poderá trazer.
(Revista Discutindo Geografia, Ano 3 – adaptado.)
Sobre o Texto III, assinale a alternativa INCORRETA.
Provas
Questão presente nas seguintes provas
A figura I representa uma lente delgada convergente com uma de suas faces escurecida por tinta opaca, de forma que a luz só passa pela letra F impressa.

Um objeto, considerado muito distante da lente, é disposto ao longo do eixo óptico dessa lente, como mostra a figura II.

Nessas condições, a imagem fornecida pela lente e projetada no anteparo poderá ser
Provas
Questão presente nas seguintes provas
Read the text below to answer question.
The Car Washer Who Became An Executive
Robert L. Johnson is the CEO (Chief Executive Officer) of BET. Black Entertainment Television, a cable TV channel in the United States, BET specializes in producing programs for the African-American community.
Read what this successful executive says about his first job.
“I ________ in Freeport, Illinois. My first job was at the local carwash. I ________ sixteen years old. I ________ every day, all summer, for a dollar an hour. I worked with ten other guys. All of us ________from different racial, religious and economic backgrounds. We had to clean cars in teams, and we quickly learned to work together.
I learned the better way to become indispensable: you know how to do all aspects of your job. At the carwash, ‘all aspects’ included vacuuming the interior, scrubbing whitewalls and polishing chrome until it shined. Sixteen years later, when I started my own business, I again had to know how to do every job in the company – advertising, marketing, producing and negotiation contracts.
Working at the carwash taught me that there is a direct connection between work and a feeling of self-esteem. Young people who refuse jobs that they consider inferior or low-paying are only hurting themselves. As long as you do your best, every job is a learning experience and a step to a better job.”
(Adapted from Reader’s Digest, January, 1999)
Mark the option that completes the gaps respectively.
Provas
Questão presente nas seguintes provas
Considere todos os números complexos !$ z=x+yi !$, onde !$ x ∈ IR\ !$, !$ y ∈ IR\ !$ e !$ i= \sqrt{-1} !$, tais que !$ \left\vert z - \sqrt {-1} \right\vert \leqslant \left\vert \large{ \sqrt 2 \over 1+i} \right\vert !$
Sobre esses números complexos z, é correto afirmar que
Provas
Questão presente nas seguintes provas
Warning: Flying is bad for your health
Flying is the safest way to travelHor is it? Some doctors think the airplane is a dangerous place, especially for the old or the unhealthy.
Although the airplane is pressurized, there is less oxygen than on the ground. So anyone who has had a heart attack should not try for at least two weeks after the attack. After an operation, you should stay on the ground for at least ten days.
Sitting on a plane for many hours – especially in economy class where there isn’t very much leg room – gives everyone aches and pain, so you should get some exercise, especially on long flights.
Flying also causes dehydration. If you drink or eat too much, you’ll wake up feeling sick. Everyone needs to drink more in the air, but you shouldn’t drink alcohol because it makes you even more thirsty.
The most common problem is jet lag. You should change to your new time zone as soon as possible, and you shouldn’t sleep if it’s still daylight.
Crowded airports, long lines, and delays cause stress and high blood pressure. So, be careful! Flying is the safest way to travel, but is it the healthiest?
(Move Up, Heinemann )
According to the text it’s correct to affirm that
Provas
Questão presente nas seguintes provas
Cadernos
Caderno Container
