Foram encontradas 719 questões.
A figura a seguir apresenta a topologia de um circuito inversor, cujo funcionamento se baseia na abertura e fechamento das chaves S1, S2, S3 e S4. Considere as afirmativas abaixo a respeito desse circuito:

I. O par de chaves S1 e S4 devem estar no mesmo estado, assim como o par S2 e S3, contudo,cada par de chaves deve estar com o estado contrário um do outro.
II. A forma de onda da tensão na carga resistiva R é:

III. A forma de onda da corrente na carga para uma carga indutiva é:

Assinale:
Provas
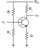
Considere o circuito da figura a seguir, em que o ponto de operação do transistor é:
• tensão Base – Emissor = 0,96 V.
• tensão Coletor – Emissor = 4,0 V.
• corrente de Coletor = 2,00 mA.
• corrente de Emissor = 2,02 mA.

Sabendo-se que EC é 15 V, que o resistor que RL é 3,48 kΩ e queR1 é 25 kΩ, o valor de R2, em kΩ, é:
Provas
A figura a seguir apresenta uma onda que se propaga no eixo z. Essa onda choca-se em z=0 contra uma superfície condutora perfeita com condutividade infinita.

Sob o ponto de vista do observador, que olha para a face da superfície condutora, os sentidos da corrente na placa condutora, do campo elétrico refletido e do campo magnético refletido, estão orientados, respectivamente,
Provas
A figura a seguir apresenta um elemento condutor, sendo submetido a um forte campo magnético B ortogonalmente ao comprimento desse condutor (o desenho apresenta um segmento para fins de análise).

Uma corrente elétrica fluí por esse condutor, fazendo com que os portadores de carga sejam submetidos a uma força F e uma velocidade v, conforme indicados na figura.
Assinale a opção que apresenta corretamente a polaridade dos portadores de carga e a polaridade nos terminais do voltímetro V.
Provas
O circuito a seguir é composto por um resistor, um indutor e um capacitor em paralelo.
Sabe-se que o resistor é de 10Ω, o indutor de 100 mH e o capacitor de 100 µF.

A respeito desse circuito pode-se dizer que se trata de um circuito
Provas
O circuito elétrico a seguir é composto por uma fonte de tensão com ddp U um resistor de valor R e um indutor com indutância L.
Sabe-se que o indutor está desenergizado.

Ao fechar a chave, o valor da tensão no resistor no instante t igual a duas vezes a constante de tempo do circuito é dado pela expressão:
Provas
O circuito elétrico a seguir é composto por uma fonte de tensão com ddp U um resistor de valor R e um capacitor com capacitância C.
Sabe-se que o capacitor está totalmente sem carga.

Ao fechar a chave, o valor da corrente elétrica no circuito no instante t igual a duas vezes a constante de tempo do circuito é dado pela expressão:
Provas
A figura a seguir apresenta um circuito composto por uma fonte de tensão com ddp U e seis resistores de valores R.

A potência elétrica solicitado da fonte pelo circuito é igual a
Provas
I. Os blocos cerâmicos para vedação constituem as alvenarias externas ou internas que não têm a função de resistir a outras cargas verticais, além do peso da alvenaria da qual faz parte. II. O bloco cerâmico de vedação deve trazer, obrigatoriamente, gravado em alto relevo em uma das suas faces externas, a identificação do fabricante e suas dimensões em metros. III. O bloco cerâmico de vedação deve ser fabricado por conformação plástica de matéria-prima arenosa, e queimado a elevadas temperaturas.
Assinale:
Provas
| Intervalo de Vazão (m3/s) | Frequência Simples |
| 0 – 10 | 110 |
| 10 – 20 | 150 |
| 20 – 30 | 190 |
| 30 – 40 | 280 |
| 40 – 50 | 370 |
| 50 – 60 | 220 |
| 60 – 70 | 120 |
| 70 – 80 | 60 |
Provas
Caderno Container