Magna Concursos

Foram encontradas 1.172 questões.

2624534 Ano: 2023
Disciplina: Engenharia Mecânica
Banca: FUMARC
Orgão: AL-MG
Os efeitos da cavitação são visíveis, mensuráveis e até audíveis. Quando a cavitação começa, ela reduz rapidamente o desempenho da bomba. Por isso, a cavitação deve ser evitada para manter a operação estável e eficiente.

Uma bomba succiona água de um reservatório situado 5 metros abaixo de si. As perdas na tubulação totalizam 1,5 mca para a sucção e 8 mca para o recalque. Considerando que a pressão atmosférica local é de 98 kPa, que a água possui massa específica de 1000 kg/m³ e pressão de vaporização de 4,9 kPa, assinale a alternativa que MELHOR indica o valor da altura manométrica disponível na instalação para evitar a cavitação.
 

Provas

Questão presente nas seguintes provas
2624533 Ano: 2023
Disciplina: Engenharia Elétrica
Banca: FUMARC
Orgão: AL-MG

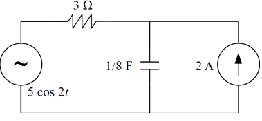
No circuito a seguir, o módulo da fonte de tensão CA (5 V) equivale ao valor eficaz.

CALCULE a potência (W) absorvida pelo resistor.

Enunciado 3168683-1

A resposta CORRETA é:

 

Provas

Questão presente nas seguintes provas
2624532 Ano: 2023
Disciplina: Engenharia Elétrica
Banca: FUMARC
Orgão: AL-MG

Alguns distúrbios na rede elétrica influenciam a qualidade da energia, e resultam em falha ou má operação de equipamentos dos consumidores.

São algumas definições de distúrbios importantes, EXCETO:

 

Provas

Questão presente nas seguintes provas
2624531 Ano: 2023
Disciplina: Engenharia Elétrica
Banca: FUMARC
Orgão: AL-MG

Um circuito LC ressonante em 2.000 kHz tem grau de seletividade igual a 100. CALCULE a largura de banda total (kHz) desse circuito.

A resposta CORRETA é:

 

Provas

Questão presente nas seguintes provas
2624530 Ano: 2023
Disciplina: Engenharia Elétrica
Banca: FUMARC
Orgão: AL-MG

Um motor de indução de rotor em gaiola, 8 polos, 60 Hz, aciona uma carga mecânica de 100 kW a uma velocidade de 855 rpm. CALCULE o escorregamento de funcionamento (%) do motor.

A resposta CORRETA é:

 

Provas

Questão presente nas seguintes provas
2624529 Ano: 2023
Disciplina: Engenharia Elétrica
Banca: FUMARC
Orgão: AL-MG

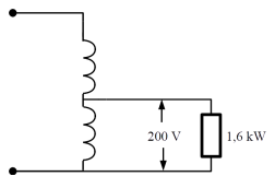
Um transformador ideal de 5 kVA, 600/200 V, é ligado como autotransformador e alimenta uma carga de 1,6 kW com fator de potência unitário no enrolamento da baixa, como mostra a figura a seguir. As tensões aplicadas na alta e na baixa do autotransformador são nominais.

CALCULE a corrente (A) no enrolamento da baixa.

Enunciado 3168679-1

A resposta CORRETA é:

 

Provas

Questão presente nas seguintes provas
2624528 Ano: 2023
Disciplina: Engenharia Elétrica
Banca: FUMARC
Orgão: AL-MG
Os filtros passivos têm como objetivo filtrar correntes harmônicas injetadas no sistema elétrico por dispositivos não lineares em uma instalação. O diagrama de um filtro passivo de dupla sintonia é:
 

Provas

Questão presente nas seguintes provas
2624527 Ano: 2023
Disciplina: Engenharia Elétrica
Banca: FUMARC
Orgão: AL-MG

Um transformador monofásico tem os dados apresentados na tabela a seguir. Em um ensaio de curto-circuito (lado da baixa curto-circuitado), os seguintes dados foram obtidos na alta: Valta = 200 V, Ialta = 4 A e Palta = 128 W.

CALCULE o módulo da impedância e a resistência do circuito equivalente do transformador do ponto de vista da alta.

Potência (kVA) Tensão (V) Frequência (Hz)

20 120/2.400 60

A resposta CORRETA é:

 

Provas

Questão presente nas seguintes provas
2624526 Ano: 2023
Disciplina: Engenharia Elétrica
Banca: FUMARC
Orgão: AL-MG

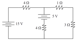
No circuito a seguir, CALCULE a queda de tensão (V) no resistor de 3 Ω.

Enunciado 3168676-1

A resposta CORRETA é:

 

Provas

Questão presente nas seguintes provas
2624525 Ano: 2023
Disciplina: Engenharia Elétrica
Banca: FUMARC
Orgão: AL-MG
As modalidades tarifárias são definidas de acordo com o Grupo Tarifário, segundo as opções de contratação definidas na Resolução Normativa ANEEL nº 1.000/2021 e no Módulo 7 dos Procedimentos de Regulação Tarifária - Proret. Sobre essas modalidades tarifárias, NÃO está correto afirmar:
 

Provas

Questão presente nas seguintes provas