Foram encontradas 1.172 questões.
Uma indústria consome, no horário de pico, 100 kW e fator de potência igual a 0,85 atrasado. CALCULE a potência (kVAr) de um banco de capacitores, tal que o fator de potência dessa indústria suba para 0,92 atrasado nesse mesmo horário.
Considere:

O resultado CORRETO é:
Provas
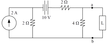
No circuito a seguir, encontre a resistência (Ω) equivalente de Thévenin entre os pontos a-b do ponto de vista da carga L.

A resistência equivalente é de:
Provas
Segundo a Norma Brasileira ABNT NBR 5419, as características e classes de um Sistema de Proteção Contra Descargas Atmosféricas (SPDA) são determinadas pelas características da estrutura a ser protegida e pelo nível de proteção considerado para descargas atmosféricas.
São fatores que dependem da classe de SPDA, EXCETO:
Provas
Provas
Provas
O diagrama ladder, mostrado na figura, é utilizado para programação de controladores programáveis. No diagrama, onde I0 representa uma entrada e Q0 uma saída, qual a tarefa realizada quando I0 for acionada pela primeira vez?

Provas
Provas
Provas
Provas
Os religadores vêm substituindo os disjuntores instalados nas subestações, para proteção dos alimentadores de distribuição. Dentre as diversas características dos religadores, podemos citar:
I. Possuem unidades de proteção digitais para a proteção de fase e de terra.
II. São disponibilizados, quanto ao meio extintor do arco, em religadores a óleo, a vácuo e a SF6.
III. Reduzem consideravelmente o tempo de falta de energia, nas ocorrências em redes de distribuição, quando comparados aos disjuntores.
É CORRETO o que se afirma e
Provas
Caderno Container