Foram encontradas 80 questões.
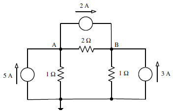
Para o quadripolo mostrado a seguir,

Provas
Questão presente nas seguintes provas
Um circuito composto por uma fonte E e pelos resistores R1 e R2,
é apresentado a seguir.

O valor da ddp da fonte E é igual a 225 V, o do resistor R1 é igual a 50 Ω e o do resistor R2 é igual a 100 Ω. Nos terminais A e B será conectada uma carga resistiva.
Na situação em que ocorre o maior percentual de transferência de potência para essa carga, a corrente elétrica, em ampères, é igual a

O valor da ddp da fonte E é igual a 225 V, o do resistor R1 é igual a 50 Ω e o do resistor R2 é igual a 100 Ω. Nos terminais A e B será conectada uma carga resistiva.
Na situação em que ocorre o maior percentual de transferência de potência para essa carga, a corrente elétrica, em ampères, é igual a
Provas
Questão presente nas seguintes provas
Uma indústria opera com os seguintes patamares de carga e fatores de potência:

Nestas condições, a potência máxima do banco de capacitores que poderia ser instalado é de
Provas
Questão presente nas seguintes provas
Para o circuito apresentado na figura a seguir,

Provas
Questão presente nas seguintes provas

Para o circuito apresentado na figura acima, determine o valor VA.
Provas
Questão presente nas seguintes provas
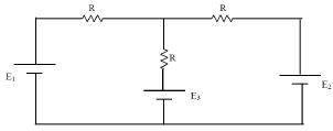
A figura abaixo apresenta um circuito composto por três
resistores iguais a R e três fontes contínuas E1, E2 e E3.

Os valores de E1 e E2 são iguais a E e E3 igual a 2E. O módulo da corrente elétrica em um dos ramos laterais dividido pelo módulo da corrente do ramo central é igual a:

Os valores de E1 e E2 são iguais a E e E3 igual a 2E. O módulo da corrente elétrica em um dos ramos laterais dividido pelo módulo da corrente do ramo central é igual a:
Provas
Questão presente nas seguintes provas
Um circuito é composto por uma fonte de 150 V, que possui
resistência interna de 5 Ω, em paralelo com dois resistores de 20
Ω e 16 Ω. Esse circuito conecta-se a uma carga resistiva. O
equivalente de Norton visto por essa carga é composto por uma
fonte de corrente de
Provas
Questão presente nas seguintes provas
O engenheiro de projeto de uma empresa trabalha no
desenvolvimento do sistema de controle de velocidade de um
motor de corrente contínua. Para que o sistema de controle
possibilite o emprego do motor com velocidade abaixo da
nominal, e engenheiro deverá
Provas
Questão presente nas seguintes provas
A respeito da isolação dos fios e cabos, analise as afirmativas a
seguir.
I. O condutor com isolação de XLPE possui menor capacidade de condução que o de isolação de PVC. II. A temperatura de trabalho dos condutores determina a capacidade de condução de corrente elétrica. III. O condutor com isolação de EPR possui uma maior capacidade de sobrecarga que o de isolação de PVC.
Está correto o que se afirma em
I. O condutor com isolação de XLPE possui menor capacidade de condução que o de isolação de PVC. II. A temperatura de trabalho dos condutores determina a capacidade de condução de corrente elétrica. III. O condutor com isolação de EPR possui uma maior capacidade de sobrecarga que o de isolação de PVC.
Está correto o que se afirma em
Provas
Questão presente nas seguintes provas
Um motor síncrono hipotético está conectado a um barramento
infinito. Inicialmente, o motor tem sua corrente de campo
ajustada de modo que seu fator de potência seja indutivo.
Suponha agora que, a corrente de campo seja gradualmente aumentada até seu valor nominal e que a potência de saída do motor seja constante ao longo de todo o processo.
Diante do exposto, à medida que a corrente de campo aumenta,
Suponha agora que, a corrente de campo seja gradualmente aumentada até seu valor nominal e que a potência de saída do motor seja constante ao longo de todo o processo.
Diante do exposto, à medida que a corrente de campo aumenta,
Provas
Questão presente nas seguintes provas
Cadernos
Caderno Container