Foram encontradas 130 questões.
De acordo com o que dispõe a Lei n.6.107/94, as alternativas a seguir apresentam requisitos básicos para investidura em cargo público, à exceção de uma. Assinale-a.
Provas
Questão presente nas seguintes provas
- Linguagens e Suportes MidiáticosProdução AudiovisualRoteiro, Produção e Edição de Conteúdo Audiovisual e Cinematográfico
Independentemente dos modelos individuas – analógicos ou digitais – as mesas de áudio ou de controle de áudio executam cinco funções principais: entrada, , controle de qualidade, e .
Assinale a alternativa que completa corretamente as lacunas do fragmento acima.
Provas
Questão presente nas seguintes provas
As vias terrestres urbanas e rurais incluem, por exemplo, as estradas e as rodovias. Avalie se elas também incluem:
I. As ruas e avenidas.
II. Os caminhos e as passagens.
III. As praias abertas à circulação pública e as vias internas pertencentes aos condomínios constituídos por unidades autônomas.
Assinale:
Provas
Questão presente nas seguintes provas
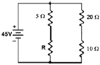
Um circuito elétrico resistivo é representado a seguir.

O valor do resistor R, para que a potência do circuito seja de 135 W é igual a
Provas
Questão presente nas seguintes provas
Em uma instalação de esgoto sanitário, o menor diâmetro para o ramal de descarga de um vaso sanitário vale
Provas
Questão presente nas seguintes provas
Com relação à divisão de uma instalação elétrica, analise as afirmativas a seguir.
I. Os circuitos devem ser divididos em circuitos de força e iluminação.
II. Os circuitos que alimentam cargas em áreas molhadas devem ser dotados de dispositivos a corrente diferencial – DR.
III. A instalação deve ser dividida de modo a atender um aumento de carga previsto.
Assinale:
Provas
Questão presente nas seguintes provas
A expedição de novo Certificado de Registro de Veículo é obrigatória nos seguintes casos, à exceção de um. Assinale-o.
Provas
Questão presente nas seguintes provas
Analise o equipamento a seguir.

Trata-se de uma chave
Provas
Questão presente nas seguintes provas
Uma instalação elétrica tem uma demanda máxima de 3 kW de potência e um fator de carga, correspondente às 24 horas do dia, igual a 0,4. O consumo diário de energia elétrica será de
Provas
Questão presente nas seguintes provas
Nas figuras a seguir, aprentam-se detalhes da sáida e da entrada de uma caixa d'água.

Os elementos indicados com os números 1, 2 e 3 são chamados de:
Provas
Questão presente nas seguintes provas
Cadernos
Caderno Container