Foram encontradas 1.256 questões.
Uma instalação elétrica solicita uma potência reativa Q da fonte.
O fator de potência dessa instalação é igual a 0,5 indutivo. Para elevar o fator de potência para o valor mínimo de
√3/2, o banco de
capacitores (Bco) a ser instalado deve ser tal que
Provas
Questão presente nas seguintes provas
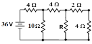
A figura a seguir ilustra um circuito composto por uma fonte e seisresistores:

Se R assumir os valores de 0,8Ω e 2,8Ω, as correntes elétricas quefluirão por R serão, respectivamente, iguais a

Se R assumir os valores de 0,8Ω e 2,8Ω, as correntes elétricas quefluirão por R serão, respectivamente, iguais a
Provas
Questão presente nas seguintes provas
Um circuito elétrico é por composto por uma fonte senoidalmonofásica com valor médio de tensão igual a 200V em série comdois resistores Ω.
O valor da tensão eficaz em um dos resistores é igual a
O valor da tensão eficaz em um dos resistores é igual a
Provas
Questão presente nas seguintes provas
Uma carga resistiva trifásica equilibrada, na configuração estrela,
solicita da fonte uma potência de 3kW.
Ao colocar essa carga na configuração delta, a potência passa a ser de
Ao colocar essa carga na configuração delta, a potência passa a ser de
Provas
Questão presente nas seguintes provas
Uma impedância com componente indutiva de10√3/πmH solicita uma potência de 1.000W com fator de potência de√3/2.
A frequência da fonte senoidal de 100V que alimenta essacarga é:
Provas
Questão presente nas seguintes provas
Em perícias na construção civil, o arquiteto/perito deve avaliar se
os requisitos gerais
Provas
Questão presente nas seguintes provas
Na elaboração do laudo técnico de inspeção de um edifício, o
arquiteto descreveu as anomalias e falhas caracterizadas pela
perda de desempenho de um elemento ou sistema construtivo.
Assinale a opção que indica uma falha relativa ao telhado desse edifício.
Assinale a opção que indica uma falha relativa ao telhado desse edifício.
Provas
Questão presente nas seguintes provas
“Toda concessão ou permissão pressupõe a prestação de serviço
adequado ao pleno atendimento dos usuários, conforme
estabelecido nesta Lei, nas normas pertinentes e no respectivo
contrato”
(Lei 8.987/1995, Art. 6º)
A definição de serviço adequado prevê o estabelecimento de alguns conceitos. A conservação dos equipamentos e das instalações, assim como a melhoria e expansão do serviço, se enquadram no conceito de
(Lei 8.987/1995, Art. 6º)
A definição de serviço adequado prevê o estabelecimento de alguns conceitos. A conservação dos equipamentos e das instalações, assim como a melhoria e expansão do serviço, se enquadram no conceito de
Provas
Questão presente nas seguintes provas
As licenças ambientais exigidas para uma obra devem ocorrer na
seguinte ordem:
Provas
Questão presente nas seguintes provas
O procedimento de licitação de uma obra deve ser iniciado com a
atuação, protocolo e numeração de um processo que contém a
autorização, indicação do objeto e origem do recurso para a obra.
Esta etapa é conhecida como
Esta etapa é conhecida como
Provas
Questão presente nas seguintes provas
Cadernos
Caderno Container