Foram encontradas 670 questões.
No multímetro digital, o teste de continuidade deve ser feito com a chave seletora posicionada em
Provas
Questão presente nas seguintes provas
Um gerador de sinais com impedância interna de 600 Ω é ajustado para produzir um sinal senoidal de 1kHz e 500 mVpp em aberto. Ao ser ligado a um pré-amplificador com impedância de entrada de 2,4 kΩ, a potência na entrada que efetivamente será amplificada é de, aproximadamente,
Provas
Questão presente nas seguintes provas
Um sinal sonoro de 2,5 kHz propagando-se no ar tem comprimento de onda de, aproximadamente,
Provas
Questão presente nas seguintes provas
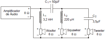
Considere o circuito do divisor de frequências abaixo.

As reatâncias da bobina L1 e do capacitor C1 na frequência de 400 Hz, nessa ordem, valem, aproximadamente,
Provas
Questão presente nas seguintes provas
Quando um amplificador produz muito ruído durante o ajuste do volume, o problema provável é o
Provas
Questão presente nas seguintes provas
Técnica de modulação que consiste em chavear a frequência de uma portadora analógica de acordo com o nível lógico de um sinal modulante digital:
Provas
Questão presente nas seguintes provas
É uma tensão padrão de linha telefônica fixa quando o telefone encontra-se com o fone no gancho ou quando o telefone encontra-se desconectado da linha:
Provas
Questão presente nas seguintes provas
Em um circuito série composto de um indutor de 50 mH, um capacitor de 200 nF e um resistor de 47 Ω, a ressonância ocorre aproximadamente na frequência de, em krad/s,
Provas
Questão presente nas seguintes provas
Sobre fibras ópticas, considere as proposições seguintes:
I. A emenda de fibras ópticas por fusão oferece atenuação menor do que a emenda mecânica, mas exige um procedimento mais complexo.
II. Os sinais infravermelhos usados em comunicação óptica possuem comprimentos de onda entre 455 e 750 nm.
III. Em um enlace óptico, a perda de retorno é o parâmetro que mede a relação entre a potência do sinal refletido de volta à fonte e a potência do sinal incidente.
Está correto o que se afirma APENAS em
Provas
Questão presente nas seguintes provas
A expressão booleana
pode ser implementada de forma simplificada a partir da expressão equivalente:
Provas
Questão presente nas seguintes provas
Cadernos
Caderno Container