Foram encontradas 60 questões.
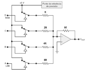
O circuito abaixo configura um conversor D/A de malha ponderada com 4 bits.

Sabe-se que R = 2,5kΩ e Rf = 1kΩ. Para que a tensão de fundo de escala seja 750 mV, o novo valor do resistor Rf é
Provas
Questão presente nas seguintes provas
Dentre as assertivas abaixo, sobre os serviços disponíveis no protocolo Ethernet/IP,
I. O BOOTP possibilita um dispositivo Ethernet obter automaticamente seu endereço IP de um servidor.
II. O HTTP permite a manutenção e o diagnóstico de produtos alocados na rede através do navegador padrão de mercado.
III. O DHCP é utilizado para endereçamento automático de um equipamento após uma falha.
IV. O SNMP permite o monitoramento da rede, possibilitando o diagnóstico e a análise do rendimento dos dispositivos.
II. O HTTP permite a manutenção e o diagnóstico de produtos alocados na rede através do navegador padrão de mercado.
III. O DHCP é utilizado para endereçamento automático de um equipamento após uma falha.
IV. O SNMP permite o monitoramento da rede, possibilitando o diagnóstico e a análise do rendimento dos dispositivos.
verifica-se que estão corretas
Provas
Questão presente nas seguintes provas
Um tanque de armazenagem intermediária de Gás Natural estoca o produto a 42°C e pressão absoluta igual a 2,2Kgf/cm². Sabe-se que o volume específico do conteúdo do tanque é igual a 0,68m³/kg. Assumindo que esse gás se comporta como gás ideal, assinale a opção abaixo que indica a massa específica desse gás.
Provas
Questão presente nas seguintes provas
A questão refere-se ao texto abaixo.
Existem pessoas que moram em lan houses(D). Explico: em Tóquio, há lan houses(A) com espaços privativos. A pessoa chega de mochila(E). Pendura-se no computador noite e dia. Dorme algumas horas num colchonete e volta a viver no fantástico mundo da web. Quando sai, leva tudo o que tem na mochila. Alimenta-se e arruma dinheiro de algum jeito(B) e volta a se instalar na lan house de sua preferência(C) (Walcyr Carrasco, Época, 23 de janeiro/2012, p. 96).
Assinale a opção em que está expresso o argumento básico do autor.
Provas
Questão presente nas seguintes provas
Sejam A, B e C três subconjuntos de um universo U e as seguintes afirmações,
I. !$ (A - B) \cup (B - A) = (A \cup B) - (A \cap B) !$
II. !$ ( A - B) \cup B = A \cup B !$
III. !$ ( A - B) \cup A = A !$
II. !$ ( A - B) \cup B = A \cup B !$
III. !$ ( A - B) \cup A = A !$
temos que
Provas
Questão presente nas seguintes provas
O circuito abaixo representa um amplificador diferencial, amplamente utilizado em unidades de CI.

Para as condições apresentadas, a tensão de polarização do coletor é, aproximadamente, igual a
Provas
Questão presente nas seguintes provas
O controle de corrosão é de fundamental importância na proteção de estruturas tais como, dutos de óleo e gás de petróleo, tanques, plataformas de petróleo e demais acessórios e equipamentos, enterrados ou submersos. A proteção catódica ou anódica são dois dos principais métodos de combate à corrosão. Dadas as afirmações abaixo,
I. A proteção catódica é uma forma ou técnica de proteger o metal, que se deseja preservar, da corrosão, forçando-o a funcionar como o cátodo, e não o ânodo, de uma pilha eletroquímica. Usualmente se acopla o metal a outro, que possui um maior potencial de oxidação, ou seja, oxida-semais facilmente que o metal de interesse.
II. A proteção anódica é uma forma ou técnica para inibir a reação anódica (oxidação do ferro). O procedimento mais comum é revestir a superfície do metal por uma camada de tinta ou de óxido protetor.
III. Um ânodo de sacrifício é, normalmente, um metal que possui potencial de corrosão mais baixo do que o metal que se deseja proteger da corrosão, o qual é fisicamente conectado com o metal que se deseja proteger e, portanto, o ânodo é corroído preservando o material que se quer proteger.
verifica-se que
Provas
Questão presente nas seguintes provas
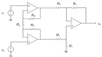
O circuito de um amplificador para instrumentação, normalmente utilizado em controle de processos industriais, é apresentado na figura abaixo.

A expressão que determina a tensão de saída vo é
Provas
Questão presente nas seguintes provas
A solução da equação diferencial 5.dy/dt + 4y = 2, assumindo a condição inicial y(0) =1, pode ser encontrada, no domínio de Laplace, em qual das opções abaixo?
Provas
Questão presente nas seguintes provas
A questão refere-se ao texto seguinte.
A primeira característica a ser ressaltada na poesia de João Cabral é sua linguagem poética: bastante concisa e econômica, é completamente isenta de sentimentalismos. Os substantivos prevalecem sobre os adjetivos, surgindo assim poemas despidos de qualquer acessório sentimental, com predominância, portanto, da objetividade. É o que se vê no seguinte texto, no qual o poeta fala de poesia:
Lição de poesia
A luta branca sobre o papel
que o poeta evita.
Luta branca onde corre o sangue
de suas veias de água salgada.
A física do susto percebida
entre os gestos diários;
susto das coisas jamais pousadas
porém imóveis — natureza.
E as vinte palavras recolhidas
nas águas salgadas do poeta
de que se servirá o poeta
em sua máquina útil.
Vinte palavras sempre as mesmas,
de que conhece o funcionamento,
a evaporação, a densidade
menos que a do ar.
que o poeta evita.
Luta branca onde corre o sangue
de suas veias de água salgada.
A física do susto percebida
entre os gestos diários;
susto das coisas jamais pousadas
porém imóveis — natureza.
E as vinte palavras recolhidas
nas águas salgadas do poeta
de que se servirá o poeta
em sua máquina útil.
Vinte palavras sempre as mesmas,
de que conhece o funcionamento,
a evaporação, a densidade
menos que a do ar.
A esta preocupação com uma linguagem precisa e econômica, que se atenha ao essencial, a poesia de João Cabral soma uma outra grande preocupação com o corte do poema, que volta a ser construído com formas rígidas e regulares. Este cuidado formal que se manifesta na obra do poeta pernambucano já se patenteia em alguns títulos de suas obras: O Engenheiro, Psicologia da Composição. A menção a “engenheiro” e “composição” reflete o ato poético de João Cabral, que está muito mais próximo da matemática e geometria do que da oratória e da retórica.
(Lajolo & Clara)
Dadas as proposições a seguir sobre o texto,
I. A respeito da tipologia textual, o excerto anterior pode ser caracterizado como predominantemente expositivo, pois nele o objetivo fundamental é a explicação do estilo poético de João Cabral.
II. Como parte de um texto predominantemente expositivo, a citação da poesia de João Cabral ilustra informações constantes no primeiro parágrafo, podendo ser desconsiderada para efeito de um resumo do texto de Lajolo e Clara.
III. Infere-se da leitura do texto que a prevalência de substantivos sobre adjetivos em um texto a este confere objetividade e racionalidade.
IV. O emprego do pronome demonstrativo no último parágrafo do texto mostra-se incorreto para referir-se às características da poesia de João Cabral apontadas no primeiro parágrafo. verifica-se que
Provas
Questão presente nas seguintes provas
Cadernos
Caderno Container