Magna Concursos

Foram encontradas 960 questões.

1868337 Ano: 2007
Disciplina: Engenharia Civil
Banca: CESPE / CEBRASPE
Orgão: BASA

A escolha correta dos componentes para a execução de uma obra, a organização do canteiro de obras e a qualificação dos profissionais da construção são fundamentais para se garantir boa produtividade e condições de segurança adequadas para os operários. Com relação a esse conjunto de fatores, julgue os itens a seguir.

Os andaimes em balanço são aqueles cuja estrutura trabalha simplesmente apoiada, podendo ser fixos ou com deslocamento no sentido horizontal.

 

Provas

Questão presente nas seguintes provas
1868336 Ano: 2007
Disciplina: Engenharia Civil
Banca: CESPE / CEBRASPE
Orgão: BASA

enunciado 1868336-1

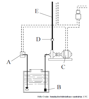
A parte inferior de uma instalação típica de bombeamento de água, com caixas simples e grupo monofásico está representada na figura acima. Com base nessa instalação, é correto afirmar que o componente

E é a coluna de recalque.

 

Provas

Questão presente nas seguintes provas
1868335 Ano: 2007
Disciplina: Engenharia Civil
Banca: CESPE / CEBRASPE
Orgão: BASA

enunciado 1868335-1

A parte inferior de uma instalação típica de bombeamento de água, com caixas simples e grupo monofásico está representada na figura acima. Com base nessa instalação, é correto afirmar que o componente

D é uma chave de faca monofásica.

 

Provas

Questão presente nas seguintes provas
1868334 Ano: 2007
Disciplina: Engenharia Civil
Banca: CESPE / CEBRASPE
Orgão: BASA

enunciado 1868334-1

A parte inferior de uma instalação típica de bombeamento de água, com caixas simples e grupo monofásico está representada na figura acima. Com base nessa instalação, é correto afirmar que o componente

C é o grupo eletrobomba.

 

Provas

Questão presente nas seguintes provas
1868333 Ano: 2007
Disciplina: Engenharia Civil
Banca: CESPE / CEBRASPE
Orgão: BASA

enunciado 1868333-1

A parte inferior de uma instalação típica de bombeamento de água, com caixas simples e grupo monofásico está representada na figura acima. Com base nessa instalação, é correto afirmar que o componente

B é a válvula de retenção.

 

Provas

Questão presente nas seguintes provas
1868332 Ano: 2007
Disciplina: Engenharia Civil
Banca: CESPE / CEBRASPE
Orgão: BASA

enunciado 1868332-1

A parte inferior de uma instalação típica de bombeamento de água, com caixas simples e grupo monofásico está representada na figura acima. Com base nessa instalação, é correto afirmar que o componente

A é a válvula de recalque.

 

Provas

Questão presente nas seguintes provas
1868331 Ano: 2007
Disciplina: Engenharia Civil
Banca: CESPE / CEBRASPE
Orgão: BASA

Julgue os itens que se seguem, relativos a instalações de telefonia.

Cabe à empresa de telefonia local executar toda a fiação e cabeação de telecomunicação da construção, a identificação, nas caixas de distribuição de telefonia, dos fios correspondentes a cada tamanho e a interligação dos cabos.

 

Provas

Questão presente nas seguintes provas
1868330 Ano: 2007
Disciplina: Engenharia Civil
Banca: CESPE / CEBRASPE
Orgão: BASA

Julgue os itens que se seguem, relativos a instalações de telefonia.

Tronco é a porta de conexão entre a central privada de comunicação telefônica e a rede pública de telefonia.

 

Provas

Questão presente nas seguintes provas
1868329 Ano: 2007
Disciplina: Engenharia Civil
Banca: CESPE / CEBRASPE
Orgão: BASA

Os sistemas de isolamento térmico, ventilação e condicionamento de ar garantem condições de conforto térmico às construções civis. Acerca desses tipos de instalações, julgue os itens seguintes.

Entende-se por carga térmica de uma instalação de arcondicionado, a quantidade de calor, por unidade de tempo, que deve ser fornecida ou retirada do ar a ser introduzido nos recintos condicionados, a fim de que estes se mantenham nas condições de conforto prefixadas.
 

Provas

Questão presente nas seguintes provas
1868328 Ano: 2007
Disciplina: Engenharia Civil
Banca: CESPE / CEBRASPE
Orgão: BASA

Os sistemas de isolamento térmico, ventilação e condicionamento de ar garantem condições de conforto térmico às construções civis. Acerca desses tipos de instalações, julgue os itens seguintes.

Denomina-se ventilação forçada de um local, o processo de movimentação de ar provocado por diferenças de pressões naturais originadas pelos ventos.

 

Provas

Questão presente nas seguintes provas