Foram encontradas 50 questões.
O 3way é um circuito que permite que dois interruptores, acionados de dois locais diferentes de uma casa, acendam e apaguem, de forma independente, uma mesma lâmpada.

Na figura acima, o esquema desse circuito é obtido ao se conectar
Provas
Questão presente nas seguintes provas
Uma plataforma horizontal é sustentada por dois pilares verticais homogêneos feitos de metais diferentes, como mostra a figura abaixo.

O coeficiente de dilatação linear do pilar maior é α = 2,0 x 10−5 °C−1.
Para que a plataforma permaneça na horizontal, independente de variações não muito grandes de temperatura, o valor do coeficiente de dilatação linear, em °C−1, do pilar menor, deverá ser, aproximadamente,
Provas
Questão presente nas seguintes provas
O eletrodo de membrana de vidro é utilizado para determinação da atividade de íons H+ em sistemas aquosos. Sobre o funcionamento desse eletrodo, pode-se verificar que
Provas
Questão presente nas seguintes provas
Considere a suíte Microsoft Office 2003 para responder à questão.
Assim como os aplicativos Word e PowerPoint, o aplicativo Excel possui uma barra de menus que contém, em cada menu, comandos padronizados na instalação da suíte Office.
O comando Função... incluso no menu Inserir, permite selecionar, entre outras, as seguintes funções:
Provas
Questão presente nas seguintes provas
Um material cuja massa é 200 g, inicialmente sólido, recebe 1,50 x 103 W em potência térmica de uma fonte externa. Durante esse processo, a temperatura do material foi registrada através do gráfico a seguir.

Os valores aproximados do calor específico desse material no estado líquido em kJ /kg ºC e do calor latente de vaporização em kJ/kg são, respectivamente,
Provas
Questão presente nas seguintes provas
Setor de Informações
I
O rapazinho que seguia à minha frente na Visconde de Pirajá abordou um velho que vinha em sentido contrário:
– O senhor pode me informar onde é a Rua Gomes Carneiro?
O velho ficou calado um instante, compenetrado:
– Você vai seguindo por aqui - falou afinal, apontando com o braço: - Ali adiante, depois de passar a praça, dobra à direita. Segue mais dois quarteirões.
Chegando na Lagoa...
Não resisti e me meti no meio:
– Me desculpe, mas Gomes Carneiro é logo ali.
Mostrei a esquina, na direção oposta.
– Ah, é aquela ali? – o velho não se abalou:
– Pois eu estava certo de que era lá para os lados da Lagoa.
E foi-se embora, muito digno. O rapazinho me agradeceu e foi-se embora também, depois de resmungar:
– Se não sabe informar, por que informa?
Realmente, não há explicação para esta estranha compulsão que a gente sente de dar informação, mesmo que não saiba informar.
II
Pois ali estava eu agora na esquina das Ruas Bulhões de Carvalho e Gomes Carneiro (a tal que o rapazinho procurava), quando fui abordado pelo motorista de um carro à espera do sinal.
– Moço, o senhor pode me mostrar onde fica a casa do sogro do doutor Adolfo?
Seu pedido de informação era tão surpreendente que não resisti e perguntei, para ganhar tempo:
– A casa do sogro do doutor Adolfo?
Ele deixou escapar um suspiro de cansaço:
– O doutor Adolfo me mandou trazer o Dodge dele de Pedro Leopoldo até a casa do sogro, aqui no Rio de Janeiro. O carro está velho, penei como o diabo para trazer até aqui. Perdi o endereço, só sei que é em Copacabana.
O Dodge do doutor Adolfo. O doutor Adolfo de Pedro Leopoldo. Aquilo me soava um tanto familiar:
– Como é o nome do sogro do doutor Adolfo?
Ele coçou a cabeça, encafifado:
– O senhor sabe que não me lembro? Um nome esquisito...
Esse doutor Adolfo de Pedro Leopoldo mora hoje em Belo Horizonte?
– Mora sim senhor.
– Tem um irmão chamado Oswaldo?
– Tem sim senhor.
– Por acaso o nome dele é Adolfo Gusmão?
– Isso mesmo. O senhor sabe onde é que é a casa do sogro dele?
Respirei fundo, mal podendo acreditar:
– Sei. O sogro dele mora na Rua Souza Lima. É aqui pertinho. Você entra por ali, vira aquela esquina, torna a virar a primeira à esquerda...
Ele agradeceu com a maior naturalidade, como se achasse perfeitamente normal que a primeira pessoa abordada numa cidade de alguns milhões de habitantes soubesse onde mora o sogro do doutor Adolfo, de Pedro Leopoldo. Antes que se fosse, não sei como não me ajoelhei, tomei-lhe a bênção e pedi que me informasse o caminho da morada de Deus.
SABINO, Fernando. A volta por cima. Rio de Janeiro: Record, 1990. p. 34-39. Adaptado.
A análise da abordagem temática das passagens I e II do texto permite concluir que ambas
Provas
Questão presente nas seguintes provas
Sobre a espectrometria de absorção atômica, NÃO procede a seguinte afirmação:
Provas
Questão presente nas seguintes provas
Um projetor de cinema utiliza apenas uma lente para projetar uma imagem nítida de um filme em uma tela situada a 20 m de distância dele. De largura, o filme possui 35 mm, e a imagem, 5,0 m.
O valor aproximado da distância focal da lente, em cm, é
Provas
Questão presente nas seguintes provas
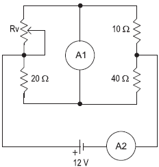
No circuito abaixo, o valor de Rv é ajustado para que o amperímetro A1 não registre passagem de corrente elétrica. Considere desprezíveis as resistências internas dos amperímetros e da fonte.

Nessas condições, a intensidade da corrente, em A, que atravessa o amperímetro A2, é
Provas
Questão presente nas seguintes provas
No protótipo de geração alternativa de energia esquematizado na figura abaixo, uma pessoa gira, com velocidade constante de duas voltas por segundo, uma polia de 33 cm de raio. Uma correia transfere esse movimento para uma polia menor, acoplada a um gerador elétrico, que gera energia para acender uma lâmpada que consome 40 W. A eficiência do gerador é de 80%, e os atritos cinéticos são desprezíveis.
Nessas condições, a tração na correia é, em N, aproximadamente
Dado: !$ \pi !$ = 3
Provas
Questão presente nas seguintes provas
Cadernos
Caderno Container