Foram encontradas 31 questões.
Provas
Provas
Provas

Provas
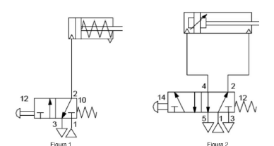
Os sistemas hidráulicos e pneumáticos possuem aplicação prática em diversos tipos de indústrias. Um elemento importante nesses sistemas é a válvula de controle direcional que consiste em um corpo com passagens internas nas quais são conectadas e desconectadas por uma parte móvel. A figura abaixo mostra exemplos de circuitos com válvulas de controle direcional de aplicação prática na indústria.

Tomando como referência as figuras acima, assinale a alternativa correta.
Provas
Os sistemas compostos por grupos moto-bombas constituem uma aplicação prática dos sistemas de saneamento por contribuir para a movimentação de fluidos entre pontos da planta. A figura abaixo mostra um exemplo de uma curva que identifica os principais parâmetros de bombas hidráulicas em função da vazão volumétrica.

Tomando como referência a figura acima, assinale a alternativa correta que elenca os números que representam, respectivamente, curva característica da bomba, curva de rendimento, curva do sistema, curva de potência consumida.
Provas
Provas
Segundo o Decreto de nº 7.217/2010, a prestação de serviços públicos de saneamento básico, observará o plano editado pelo titular, que atenderá os planos de saneamento básico, devendo ser compatíveis com os planos de recursos das bacias hidrográficas em que os Municípios estiverem inseridos. Com base no texto acima, assinale a alternativa CORRETA.
I - O plano de saneamento básico deverá abranger os serviços de abastecimento de água, de esgotamento sanitário, de manejo de resíduos sólidos, de limpeza urbana e de manejo de águas pluviais, podendo o titular, a seu critério, elaborar planos específicos para um ou mais desses serviços.
II - O plano de saneamento básico, ou o eventual plano específico, poderá ser elaborado mediante apoio técnico ou financeiro prestado por outros entes da Federação, pelo prestador dos serviços ou por instituições universitárias ou de pesquisa científica, garantida a participação das comunidades, movimentos e entidades da sociedade civil.
III - O plano de saneamento básico será revisto periodicamente, em prazo não superior a quatro anos, anteriormente à elaboração do plano plurianual.
Provas
Provas
Provas
Caderno Container