Foram encontradas 40 questões.
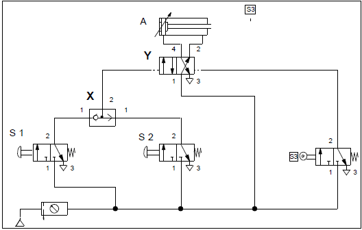
Analise o circuito pneumático apresentado a seguir.

Fonte: FUNCERN, 2013.
Os componentes identificados como X e Y, correspondem, respectivamente, a
Provas
Questão presente nas seguintes provas
A falta de emprego e oportunidades para as gerações mais jovens, além da repressão política e a concentração de poder e riqueza na mão de poucos, desencadeou um grande movimento nos países árabes, que ficou conhecido como Primavera Árabe. O fato considerado o estopim para desencadear esse movimento foi
Provas
Questão presente nas seguintes provas
Para o sistema trifásico equilibrado, representado abaixo, as tensões de fase no gerador apresentam valores complexos na forma cartesiana: !$ V_{AN} = (120+j0) \,V !$, !$ V_{BN} = (-60-j60 \sqrt 3 ) \,V !$ e !$ V_{CN} = (-60+j60 \sqrt 3 )\, V !$.

Fonte: FUNCERN, 2013.
Sabendo que as impedâncias da carga valem !$ Z_C = (5 \sqrt 3 +j5) Ω !$, é correto afirmar que o valor da corrente !$ I_N !$, no referido sistema, é
Provas
Questão presente nas seguintes provas
TEXTO 2
Saneamento básico é preocupação para receber a Copa do Mundo e Olimpíadas
A chance de um gol de placa na universalização dos serviços de água e esgoto
Que o Brasil vai sediar a Copa do Mundo de 2014 e as Olimpíadas de 2016, todos sabem; e que o Governo Federal está se preparando para organizar o saneamento do país, todos esperam. Mas o Instituto Trata Brasil (ITB) está acendendo o sinal amarelo para as expectativas. De acordo com um estudo divulgado semana passada, apenas 20% dos recursos do PAC Saneamento foram utilizados. A Região Sul tem o menor percentual de investimentos (8,4%), enquanto Nordeste e Centro-Oeste ficaram pouco acima da média nacional (22,8% e 20,9%, respectivamente). Para diagnosticar o problema e tentar ajudar a buscar e agilizar soluções, o Instituto Trata Brasil está organizando, em parceria com a Planeja & Informa Comunicação e Marketing, o Seminário '2014 Saneamento na Rede - A chance de um gol de placa na universalização dos serviços de água e esgoto', que acontece no período de 18 a 20 de maio, no Rio de Janeiro.
Somente para o Rio de Janeiro, serão mobilizados R$ 23 bilhões em investimentos na área de infraestrutura, na qual o saneamento ambiental poderá ser priorizado de uma forma como nunca foi, historicamente. Isso, porém, vai depender de bons projetos e gestão eficiente das obras, de forma que elas possam trazer resultados concretos à população!$ ^{(d)} !$, através de metas bem definidas e respaldadas em indicadores confiáveis, além de crescimento para toda a cadeia do saneamento.
O relatório 'De olho no PAC!$ ^{(b)} !$' analisou 101 contratos de redes coletoras e estações de tratamento de esgotos em municípios com mais de 500 mil habitantes, no total de R$ 2,8 bilhões. Dessas, 44% ainda não atingiram 20% da sua execução física, e 23% nem saíram do papel.
O seminário deverá reunir governos federal, estaduais e municipais!$ ^{(c)} !$, secretarias de saneamento, desenvolvimento, turismo, meio ambiente, companhias de saneamento (operadoras estaduais, municipais e privadas), empresas de consultoria e projetos, fabricantes de materiais e equipamentos, prestadores de serviços, empresas de engenharia e construção, entidades de classe e profissionais de saneamento e engenharia, para que sejam expostos modelos de gestão, soluções, equipamentos e experiências bem sucedidas que possam ser multiplicadas e aceleradas. Serão colocados em debate os desafios, necessidades e soluções, através da discussão dos projetos e potencialidades de cada cidade e estado eleitos pela FIFA para sediar a Copa, com a análise conjuntural da estrutura e gestão do saneamento, perspectivas de recursos e formas de otimizar!$ ^{(a)} !$ e agilizar!$ ^{(a)} !$ os investimento do PAC em cada cidade.
Fonte: http://www.tratabrasil.org.br/detalhe.php?codigo=5797 Acesso: 10/03/2013 (adaptado para esta avaliação)
Considerando os aspectos linguísticos do texto 2, escolha, entre os itens a seguir, a opção correta.
Provas
Questão presente nas seguintes provas
Uma instalação elétrica, alimentada por uma rede de 250 V, possui cargas elétricas conectadas em paralelo apresentando as seguintes características:
- CARGA 1: potência ativa de 9,0 kW e fator de potência 0,60 indutivo.
- CARGA 2: corrente elétrica de 12 A e fator de potência unitário.
- CARGA 3: banco de capacitores com potência reativa de 3,0 kvar.
- CARGA 4: potência aparente de 10,0 kVA e fator de potência 0,80 indutivo.
A partir das informações acima, é correto afirmar que essa instalação é equivalente a uma carga elétrica com potência total de
Provas
Questão presente nas seguintes provas
O sistema telefônico do Estado do Rio Grande do Norte utiliza oito algarismos para identificar os diversos telefones. Supondo que o primeiro algarismo seja sempre 3 (três) e que o algarismo 0 (zero) não seja utilizado na 2ª e 3ª posições, o número de telefones diferentes que poderão ser formados nessa situação é
Provas
Questão presente nas seguintes provas
1637947
Ano: 2013
Disciplina: Segurança e Saúde no Trabalho (SST)
Banca: FUNCERN
Orgão: CAERN
Disciplina: Segurança e Saúde no Trabalho (SST)
Banca: FUNCERN
Orgão: CAERN
Provas:
A NR10 estabelece que em todos os serviços executados em instalações elétricas devem ser previstas e adotadas, prioritariamente, medidas de proteção coletiva. Dentre as medidas de proteção coletiva, deve-se dar prioridade à desenergização elétrica. Somente serão consideradas desenergizadas as instalações elétricas liberadas para trabalho, mediante os procedimentos apropriados, obedecida a sequência pré-estabelecida na NR 10. Analise os procedimentos apresentados abaixo:
I- instalação da sinalização de impedimento de reenergização;
II- seccionamento;
III- constatação da ausência de tensão e
IV- impedimento de reenergização.
Assinale a opção que apresenta a sequência correta desses procedimentos.
Provas
Questão presente nas seguintes provas
De acordo com a Lei do Município do Natal 5.250, de 10 de janeiro de 2001, a responsabilidade de criar mecanismos para controlar o nível de qualidade da água oferecida, assim como proceder a publicação bimestral dos resultados da análise e qualidade da água do município é da
Provas
Questão presente nas seguintes provas
Observe o transformador trifásico, com relação de transformação !$ \alpha = \large { \sqrt3 \over 1} !$ , representado na figura a seguir.

Se a tensão e corrente de linha do primário em triângulo forem 600 V e 18 A, considerando !$ \sqrt 3 = 1,73 !$ , então os valores da tensão e corrente de linha do secundário em estrela valem, respectivamente,
Provas
Questão presente nas seguintes provas
Considerando-se a utilização do editor de textos MS Word© 2010, é possível termos arquivos que apresentem páginas tanto na orientação retrato quanto na orientação paisagem, independentemente da posição que elas ocupam no documento. Para isso, é necessário a inserção de
Provas
Questão presente nas seguintes provas
Cadernos
Caderno Container