Foram encontradas 40 questões.
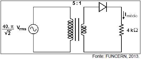
A figura a seguir mostra um transformador monofásico, com relação de transformação 5:1, tendo o enrolamento primário alimentado por uma fonte de tensão senoidal de valor eficaz igual a !$ { \large { 40. \pi \over \sqrt2}}V_{rms} !$ e o enrolamento secundário ligado a um circuito retificador de meia onda com uma carga de 4 k!$ \Omega !$.

Considerando o diodo ideal (!$ V_D = 0 V !$), o valor médio da corrente na carga é igual a
Provas
Questão presente nas seguintes provas
A figura que segue é um fragmento de uma tela capturada.

O recurso do Windows© 7 Home Premium que está sendo utilizado corresponde a um item da
Provas
Questão presente nas seguintes provas
Ao inserir um Indicador em um bloco de textos, utilizando o editor de textos MS Word© 2010, é possível recortar, copiar e colar o conteúdo marcado. Nesse caso, é correto afirmar que
Provas
Questão presente nas seguintes provas
Um Técnico em Controle Ambiental da CAERN ficou responsável por visitar as escolas públicas da cidade de Parnamirim e ministrar palestras para as crianças, visando à conscientização sobre o consumo de água. Seu filho estuda em uma dessas escolas. Ao chegar a essa escola, ele observou que a turma de seu filho estava agrupada em fila no pátio e que o garoto era o 23º aluno da frente para trás e de trás para frente. A quantidade de crianças que havia no pátio era de
Provas
Questão presente nas seguintes provas
Nos contatores acionados por corrente alternada, a força magnética necessária para a atração entre a parte móvel e a parte fixa é obtida através da energização da bobina que está alojada na parte fixa do núcleo. Na mesma parte fixa, encontram-se, também, espiras em curto-circuito cuja função é
Provas
Questão presente nas seguintes provas
ATENÇÃO: A questão é relativa ao esquema elétrico representado a seguir.

Admitindo que o motor elétrico representado, após a partida, trabalhe com carga máxima, a proteção térmica FT1 deve ser ajustada para o valor de
Provas
Questão presente nas seguintes provas
O motor síncrono trifásico apresenta um enrolamento trifásico no estator que é alimentado pela rede elétrica da concessionária e um rotor bobinado que é alimentado por uma fonte CC. O problema da máquina síncrona, funcionando como motor, é que o rotor, sozinho, não consegue atingir a velocidade de sincronismo. Uma das soluções para a partida do motor síncrono é a utilização de
Provas
Questão presente nas seguintes provas
Na figura reproduzida a seguir, a fonte de tensão senoidal alimenta o circuito elétrico com uma tensão de valor eficaz igual a 10 !$ \sqrt2 !$ V e uma frequência de 60 Hz.

A partir do circuito acima, é correto afirmar que a representação fasorial da corrente elétrica i fornecida pela fonte é exatamente
Provas
Questão presente nas seguintes provas
TEXTO 2
Saneamento básico é preocupação para receber a Copa do Mundo e Olimpíadas
A chance de um gol de placa na universalização dos serviços de água e esgoto
Que o Brasil vai sediar a Copa do Mundo de 2014 e as Olimpíadas de 2016, todos sabem; e que o Governo Federal está se preparando para organizar o saneamento do país, todos esperam. Mas o Instituto Trata Brasil (ITB) está acendendo o sinal amarelo para as expectativas. De acordo com um estudo divulgado semana passada, apenas 20% dos recursos do PAC Saneamento foram utilizados. A Região Sul tem o menor percentual de investimentos (8,4%), enquanto Nordeste e Centro-Oeste ficaram pouco acima da média nacional (22,8% e 20,9%, respectivamente). Para diagnosticar o problema e tentar ajudar a buscar e agilizar soluções, o Instituto Trata Brasil está organizando, em parceria com a Planeja & Informa Comunicação e Marketing, o Seminário '2014 Saneamento na Rede - A chance de um gol de placa na universalização dos serviços de água e esgoto', que acontece no período de 18 a 20 de maio, no Rio de Janeiro.
Somente para o Rio de Janeiro, serão mobilizados R$ 23 bilhões em investimentos na área de infraestrutura, na qual o saneamento ambiental poderá ser priorizado de uma forma como nunca foi, historicamente. Isso, porém, vai depender de bons projetos e gestão eficiente das obras, de forma que elas possam trazer resultados concretos à população, através de metas bem definidas e respaldadas em indicadores confiáveis, além de crescimento para toda a cadeia do saneamento.
O relatório 'De olho no PAC' analisou 101 contratos de redes coletoras e estações de tratamento de esgotos em municípios com mais de 500 mil habitantes, no total de R$ 2,8 bilhões. Dessas, 44% ainda não atingiram 20% da sua execução física, e 23% nem saíram do papel.
O seminário deverá reunir governos federal, estaduais e municipais, secretarias de saneamento, desenvolvimento, turismo, meio ambiente, companhias de saneamento (operadoras estaduais, municipais e privadas), empresas de consultoria e projetos, fabricantes de materiais e equipamentos, prestadores de serviços, empresas de engenharia e construção, entidades de classe e profissionais de saneamento e engenharia, para que sejam expostos modelos de gestão, soluções, equipamentos e experiências bem sucedidas que possam ser multiplicadas e aceleradas. Serão colocados em debate os desafios, necessidades e soluções, através da discussão dos projetos e potencialidades de cada cidade e estado eleitos pela FIFA para sediar a Copa, com a análise conjuntural da estrutura e gestão do saneamento, perspectivas de recursos e formas de otimizar e agilizar os investimento do PAC em cada cidade.
Fonte: http://www.tratabrasil.org.br/detalhe.php?codigo=5797 Acesso: 10/03/2013 (adaptado para esta avaliação)
A partir da leitura do texto 2, julgue os itens a seguir e escolha a opção correta.
Provas
Questão presente nas seguintes provas
TEXTO 2
Saneamento básico é preocupação para receber a Copa do Mundo e Olimpíadas
A chance de um gol de placa na universalização dos serviços de água e esgoto
Que o Brasil vai sediar a Copa do Mundo de 2014 e as Olimpíadas de 2016, todos sabem; e que o Governo Federal está se preparando para organizar o saneamento do país, todos esperam. Mas o Instituto Trata Brasil (ITB) está acendendo o sinal amarelo para as expectativas. De acordo com um estudo divulgado semana passada, apenas 20% dos recursos do PAC Saneamento foram utilizados. A Região Sul tem o menor percentual de investimentos (8,4%), enquanto Nordeste e Centro-Oeste ficaram pouco acima da média nacional (22,8% e 20,9%, respectivamente). Para diagnosticar o problema e tentar ajudar a buscar e agilizar soluções,!$ ^{(III)} !$ o Instituto Trata Brasil está organizando, em parceria com a Planeja & Informa Comunicação e Marketing, o Seminário '2014 Saneamento na Rede - A chance de um gol de placa na universalização dos serviços de água e esgoto', que acontece no período de 18 a 20 de maio, no Rio de Janeiro.
Somente para o Rio de Janeiro, serão mobilizados R$ 23 bilhões em investimentos na área de infraestrutura, na qual o saneamento ambiental poderá ser priorizado de uma forma como nunca foi, historicamente. Isso, porém, vai depender de bons projetos e gestão eficiente das obras, de forma que elas possam trazer resultados concretos à população, através de metas bem definidas e respaldadas em indicadores confiáveis, além!$ ^{(II)} !$ de crescimento para toda a cadeia!$ ^{(I)} !$ do saneamento.
O relatório 'De olho no PAC' analisou 101 contratos de redes coletoras e estações de tratamento de esgotos em municípios com mais de 500 mil habitantes, no total de R$ 2,8 bilhões. Dessas, 44% ainda não atingiram 20% da sua execução física, e 23% nem saíram do papel.
O seminário deverá reunir governos federal, estaduais e municipais, secretarias de saneamento, desenvolvimento, turismo, meio ambiente, companhias de saneamento (operadoras estaduais, municipais e privadas), empresas de consultoria e projetos, fabricantes de materiais e equipamentos, prestadores de serviços, empresas de engenharia e construção, entidades de classe e profissionais de saneamento e engenharia, para que sejam expostos modelos de gestão, soluções, equipamentos e experiências bem sucedidas que possam ser multiplicadas e aceleradas. Serão colocados em debate os desafios, necessidades e soluções, através da discussão dos projetos e potencialidades de cada cidade e estado eleitos pela FIFA para sediar a Copa, com a análise conjuntural da estrutura e gestão do saneamento, perspectivas de recursos e formas de otimizar e agilizar os investimento do PAC em cada cidade.
Fonte: http://www.tratabrasil.org.br/detalhe.php?codigo=5797 Acesso: 10/03/2013 (adaptado para esta avaliação)
Ainda com base no texto 2, analise os aspectos textuais e gramaticais das afirmativas a seguir .
I- A troca da expressão “além de crescimento para toda a cadeia” pela expressão “além de crescimento pra toda cadeia” não representaria desvios à prescrição gramatical do uso formal da linguagem.
II- O termo “além” está sendo utilizado com a função de conjunção coordenativa aditiva.
III- O uso da vírgula na expressão “Para diagnosticar o problema e tentar ajudar a buscar e agilizar soluções,” (L6-7) se justifica por ser oração adverbial deslocada.
Estão corretas
Provas
Questão presente nas seguintes provas
Cadernos
Caderno Container