Foram encontradas 40 questões.
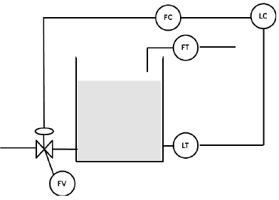
Este é um diagrama funcional detalhado típico de uma malha de controle por Feedforward + Feedback.

O elemento responsável pela variável controlada é indicado por:
Provas
Determine a expressão minimizada obtida da simplificação dos grupamentos dos termos do mapa de Veitch Karnough abaixo e assinale a alternativa correta.

Provas
Que tipo de circuito é representado abaixo?

Provas
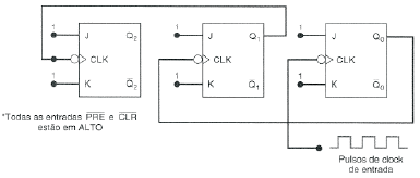
O diagrama lógico abaixo ilustra um contador assíncrono crescente de módulo 8. A troca de estado entre os Flip-Flops do tipo master slave ocorre:

Provas
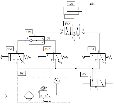
Afigura abaixo ilustra um sistema pneumático.

A função lógica desenvolvida pela válvula “1V1” é:
Provas
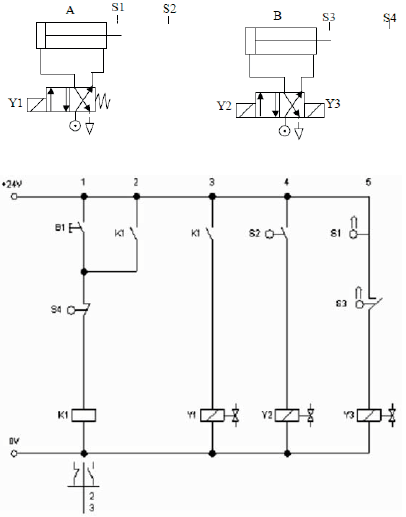
As figuras a seguir representam um sistema eletropneumático e a sua solução de comando eletropneumático.

A expressão que corresponde ao diagrama trajeto -passo para o sistema representado acima é:
Provas
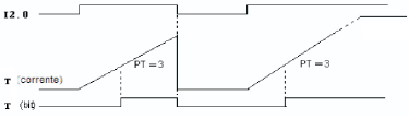
Observe a representação de um temporizador com retardo para ligarTON(Timer OnDelay).

A temporização começa quando o sinal na entrada IN vai para o nível lógico 1.
Quando isso ocorre, o registro que contém o valor acumulado ET é incrementado segundo a base de tempo. Quando o valor PT for igual ao valor pré-selecionado, a saída Qdo bloco é energizada.
O diagrama de tempo correspondente a operação do temporizador é:
Provas
Um sistema de transporte de cargas é composto de um elevador para conduzir cargas em dois pisos, conforme ilustrado na figura abaixo.

Para seu comando, em cada piso está previsto um botão de impulso colocado nos seguintes locais:
♦No piso inferior para pedir a subida.
♦No piso superior para pedir a descida.
Para que o sistema funcione corretamente, é necessário que o elevador esteja parado no seu piso correspondente. Para saber se o elevador está no piso inferior ou no superior, existem duas chaves fim de curso que permitem indicar as posições do elevador.
O diagrama gráfico que representa o sistema em Grafcet comportamental é representado por:
Provas
Um depósito alimentado por uma bomba que retira água de um poço é ilustrado na figura abaixo. Pretende-se que a bomba B apenas entre em funcionamento quando as válvulas V1 e V2 estiverem abertas simultaneamente ou enquanto o nível de água no tanque estiver abaixo de um valor predeterminado. Essa indicação é fornecida por um sensor de nível S1.

Considere que os estados de cada uma das variáveis podem ser representados pelos seguintes níveis lógicos:
| Variável | Estado | Valor lógico |
| MOTOR B1 | Ligado | 1 |
| Desligado | 0 | |
| VÁLVULA V1 | Aberta | 1 |
| Fechada | 0 | |
| VÁLVULA V2 | Aberta | 1 |
| Fechada | 0 | |
| SENSOR S1 | Nível baixo | 0 |
| Nível máximo | 1 |
O diagrama em ladder que executa essa função é:
Provas
A implementação em diagrama ladder correspondente à função lógica abaixo é:

Assinale a opção que contém o circuito que realiza corretamente essa função.
Provas
Caderno Container