Foram encontradas 50 questões.
A resistividade elétrica correspondente a um condutor de cobre de 1mde comprimento e 1 mm² se seção transversal a 20 °C é:
Provas
Três lâmpadas incandescentes estão conectadas a uma bateria de 9 V, conforme representado na figura abaixo. Calcule a corrente total fornecida pela bateria e a corrente na lâmpada de 10W.

Provas
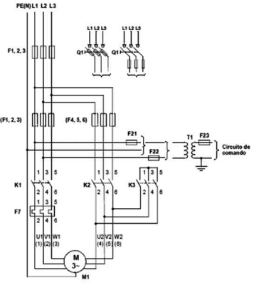
A figura abaixo representa o diagrama de comando de um sistema de reversão de um motor de indução trifásico. Nesse diagrama, os contatos 31/32 dos contatores K1, K2 e K3 têm a função de:

Provas
As Termorresistências são elementos cuja operação se baseia na variação linear de resistência com a temperatura intrínseca a alguns materiais. Esses elementos possibilitam o acompanhamento contínuo do processo de aquecimento de motores elétricos, pelo “display” do controlador do sistema. Sobre termorresistências, é correto afirmar que apresentam uma resistência de:
Provas
A figura abaixo representa a curva característica de um relé térmico de proteção contra sobrecargas para motores de indução trifásicos. No eixo das abscissas, encontram-se os valores múltiplos da corrente de regulagem, e no eixo das ordenadas, o tempo de desarme.

O valor de desligamento apontado na curva é válido para sobrecarga a partir da temperatura ambiente, ou seja, sem aquecimento prévio (estado frio). Considerando que o relé irá operar sob corrente nominal, ou seja, relé preaquecido (estado quente), devem-se considerar os tempos de atuação de 30% dos valores das curvas. De acordo com o exposto e com base na curva característica do relé, pode-se afirmar que para uma corrente de sobrecarga de 2 x In do motor, o relé irá atuar num tempo de:
Provas
Resistência de isolamento significa o valor encontrado de “resistência elétrica” do circuito sob ensaio, com os equipamentos de utilização desconectados. A resistência de isolamento mínima considerada satisfatória para circuitos com tensão nominal até 500V(AC) medida com tensão de ensaio de 500V(DC) é:
Provas
Segundo a ABNT NBR 5410:2004, para que a proteção dos condutores contra sobrecargas fique assegurada, as características de atuação do dispositivo destinado a provê-la devem satisfazer aseguinte condição:
Onde:
IB é a corrente de projeto do circuito
Iz é a capacidade de condução de corrente dos condutores, nas condições previstas para sua instalação
In é a corrente nominal do dispositivo de proteção (ou corrente de ajuste, para dispositivos ajustáveis), nas condições previstas para sua instalação.
Provas
De acordo com a norma vigente, a NBR 5410/2004, os esquemas de aterramento, para efeito de proteção, são classificados em: TN , TT e IT.
O sistema TN tem um ponto diretamente aterrado, sendo as massas ligadas a este ponto através de condutores de proteção. De acordo com a disposição dos condutores, Neutro e de Proteção, podemos afirmar que o esquema abaixo representa um sistema TN do tipo:

Provas
O seguinte esquema unifilar representa um sistema de partida estrela-triângulo. Para quais valores de correntes os contatores K1, K2 e K3 deverão ser selecionados?

Provas
O diagrama a seguir representa um sistema de partida indireta estrela-triângulo para um motor trifásico de indução de 30 CV, 380/660 V, 42 A. Determine os valores de tensão e corrente medidos no contator K1, durante o tempo em que o motor estiver conectado para a partida em estrela.

Provas
Caderno Container