Foram encontradas 70 questões.
Julgue os itens que se seguem, acerca de cargas trifásicas
equilibradas alimentadas por meio de fontes de tensão trifásicas
senoidais também equilibradas.
I No caso de cargas trifásicas equilibradas conectadas em estrela, o fasor da corrente de linha é igual ao fasor da corrente de fase, enquanto que o módulo do fasor da tensão de linha é igual a √3 vezes o módulo do fasor da tensão de fase.
II No caso de cargas trifásicas equilibradas conectadas em triângulo, o fasor da tensão de linha é igual ao fasor da tensão de fase, enquanto que o módulo do fasor da corrente de linha é igual a √3 vezes o módulo do fasor da corrente de fase.
III No caso de cargas trifásicas equilibradas conectadas em triângulo, é possível determinar uma carga equivalente conectada em estrela, de modo que a relação entre suas impedâncias seja ZY = 3ZΔ.
Assinale a opção correta.
I No caso de cargas trifásicas equilibradas conectadas em estrela, o fasor da corrente de linha é igual ao fasor da corrente de fase, enquanto que o módulo do fasor da tensão de linha é igual a √3 vezes o módulo do fasor da tensão de fase.
II No caso de cargas trifásicas equilibradas conectadas em triângulo, o fasor da tensão de linha é igual ao fasor da tensão de fase, enquanto que o módulo do fasor da corrente de linha é igual a √3 vezes o módulo do fasor da corrente de fase.
III No caso de cargas trifásicas equilibradas conectadas em triângulo, é possível determinar uma carga equivalente conectada em estrela, de modo que a relação entre suas impedâncias seja ZY = 3ZΔ.
Assinale a opção correta.
Provas
Questão presente nas seguintes provas

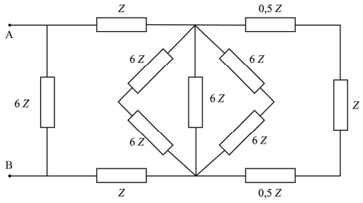
No circuito precedente, a impedância equivalente vista entre os pontos A e B tem valor igual a
Provas
Questão presente nas seguintes provas
Uma impedância constituída pela associação em série de um
resistor, um capacitor e um indutor ideais, alimentada por uma
fonte de tensão senoidal com a frequência fundamental,
Provas
Questão presente nas seguintes provas
Os sistemas elétricos de baixa tensão são classificados segundo
diversos esquemas de aterramento, que diferem entre si em
função da situação de alimentação e das massas com relação à
terra. Acerca dos esquemas de aterramento, assinale a opção
correta de acordo com a norma ABNT 5410:2004.
Provas
Questão presente nas seguintes provas
Toda instalação elétrica de alta e baixa tensão deve possuir um
sistema de aterramento dimensionado adequadamente, a fim de
apresentar desempenho satisfatório do ponto de vista elétrico e
também reduzir os riscos de acidentes fatais. A esse respeito,
julgue os seguintes itens.
I Tensão de toque é aquela entre o pé e a mão da pessoa que toca uma massa metálica energizada em relação à terra, ocasionada, por exemplo, por uma falha de isolamento.
II Tensão de passo é aquela que surge no solo entre os pés de uma pessoa que está próxima de um eletrodo (ou malha) de aterramento no instante em que passa pelo solo uma corrente elétrica proveniente, por exemplo, de uma descarga atmosférica ou defeito para a terra.
III A fim de reduzir a tensão de passo em ambientes de subestações de energia elétrica, devem ser colocadas camadas de brita sobre o solo para melhorar o nível de isolamento do indivíduo.
Assinale a opção correta.
I Tensão de toque é aquela entre o pé e a mão da pessoa que toca uma massa metálica energizada em relação à terra, ocasionada, por exemplo, por uma falha de isolamento.
II Tensão de passo é aquela que surge no solo entre os pés de uma pessoa que está próxima de um eletrodo (ou malha) de aterramento no instante em que passa pelo solo uma corrente elétrica proveniente, por exemplo, de uma descarga atmosférica ou defeito para a terra.
III A fim de reduzir a tensão de passo em ambientes de subestações de energia elétrica, devem ser colocadas camadas de brita sobre o solo para melhorar o nível de isolamento do indivíduo.
Assinale a opção correta.
Provas
Questão presente nas seguintes provas

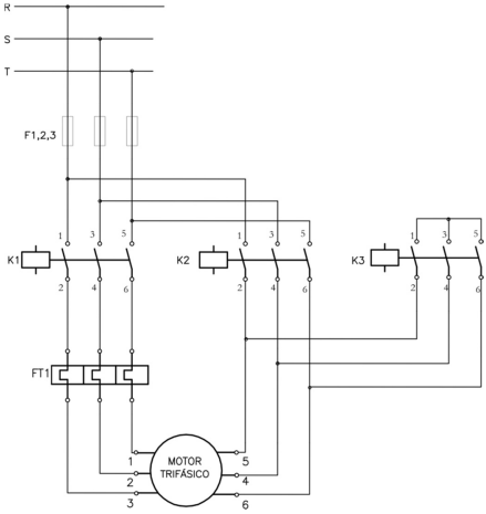
Com base na figura precedente, que ilustra o circuito de força de uma chave de partida suave do tipo triângulo/estrela, é correto afirmar que, quando os contatores
Provas
Questão presente nas seguintes provas
Acerca do acionamento elétrico de motores de indução trifásicos
via chave de partida direta sem reversão, julgue os seguintes
itens.
I Em cada fase do circuito de força, utiliza-se um contato normalmente fechado do contator em série com o terminal de alimentação do motor.
II No circuito de comando, utiliza-se um contato de selo ou de retenção do tipo normalmente fechado em paralelo com a botoeira liga.
III No circuito de comando, o contato normalmente fechado do relé térmico deve ser conectado em série com a botoeira desliga.
Assinale a opção correta.
I Em cada fase do circuito de força, utiliza-se um contato normalmente fechado do contator em série com o terminal de alimentação do motor.
II No circuito de comando, utiliza-se um contato de selo ou de retenção do tipo normalmente fechado em paralelo com a botoeira liga.
III No circuito de comando, o contato normalmente fechado do relé térmico deve ser conectado em série com a botoeira desliga.
Assinale a opção correta.
Provas
Questão presente nas seguintes provas
Assinale a opção em que são apresentados apenas equipamentos
empregados em circuitos de força e comando de acionamento
elétrico de motores de indução trifásicos.
Provas
Questão presente nas seguintes provas
3363137
Ano: 2024
Disciplina: Legislação Estadual e Distrital
Banca: CESPE / CEBRASPE
Orgão: CAGEPA
Disciplina: Legislação Estadual e Distrital
Banca: CESPE / CEBRASPE
Orgão: CAGEPA
Provas:
Segundo a Resolução n.º 1/2012 da ARPB, no que se refere à
regular imposição de penalidades aos responsáveis pela prestação
dos serviços públicos de abastecimento de água e esgotamento
sanitário em todo o estado da Paraíba, é classificada como
infração de natureza leve, sujeita à penalidade de multa, a
conduta de
Provas
Questão presente nas seguintes provas
3363136
Ano: 2024
Disciplina: Legislação Estadual e Distrital
Banca: CESPE / CEBRASPE
Orgão: CAGEPA
Disciplina: Legislação Estadual e Distrital
Banca: CESPE / CEBRASPE
Orgão: CAGEPA
Provas:
Conforme a Resolução n.º 2/2010 da Agência de Regulação do
Estado da Paraíba (ARPB), para atendimento dos pedidos de
vistoria e ligação nos casos de abastecimento de água e coleta de
esgoto em áreas urbanas e rurais em que haja rede de distribuição
e(ou) coletora, o prazo
Provas
Questão presente nas seguintes provas
Cadernos
Caderno Container