Foram encontradas 950 questões.

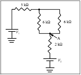
A figura acima mostra um circuito elétrico. Com relação a esse circuito, que deve ser testado por um engenheiro, julgue o item seguinte.
Se V1 = 10 V e V2 = 5 V, o potencial no ponto A será de 6 V.
Provas
Para combater incêndios em edifícios residenciais, mantêm-se reservatórios de água na cobertura. Considere um reservatório com capacidade para 125.000 litros de água, no formato de um cubo, totalmente cheio de água, posicionado no piso da cobertura, que está a 30 metros de altura. Considerando essas informações e o peso específico da água !$ \rho !$= 10.000 N/m3, julgue o item a seguir.
A força resultante por causa da pressão da água em uma lateral do reservatório é inferior a 650 kN.
Provas
Disciplina: Legislação das Casas Legislativas
Banca: CESPE / CEBRASPE
Orgão: Câm. Deputados
Acerca das possíveis emendas que um deputado pode apresentar a projetos de lei que tramitam na Câmara dos Deputados, julgue o item a seguir.
Se um deputado federal apresentar, a um projeto de lei, emenda que determine simultaneamente a adição de um artigo e a supressão de outro, essa emenda será do tipo aglutinativa e, portanto, deverá ser apreciada logo após as emendas modificativas.
Provas
No que se refere ao direito das licitações e dos contratos, julgue o item a seguir.
Nos editais de licitação referentes a compras, é vedado que a especificação do objeto do contrato envolva a indicação da marca do bem a ser adquirido.
Provas

A figura acima mostra o diagrama unifilar do circuito de alimentação de um motor de indução trifásico. Nessa figura, diversos componentes do circuito de alimentação são indicados e, embora não seja apresentado, o motor é dotado de um circuito de comando para sua partida e parada. Com relação à identificação e à função dos componentes indicados no diagrama unifilar, é correto afirmar que
o componente I normalmente é um fusível, cuja função é atuar como proteção de retaguarda contra curtos no circuito de distribuição a jusante.
Provas
Julgue o seguinte item, relativo ao uso e à adequação da linguagem em televisão.
As cifras em moeda estrangeira não precisam ser convertidas para a moeda corrente do país porque, com a globalização, a maioria dos espectadores conhece o valor das principais moedas do mundo.
Provas

A treliça é uma estrutura largamente utilizada em máquinas e em engenharia em geral, por ser leve e de fácil construção. Um dos maiores problemas para construí-las é evitar a instabilidade estrutural. Considerando a treliça plana apresentada na figura acima, constituída de barras de 3 tamanhos distintos e sujeita ao carregamento P, julgue o item seguinte.
Se L1 for igual a L2, os esforços nas barras BC e BI valerão respectivamente 4P e 2P.
Provas
A respeito de textos e scripts para TV, julgue o item a seguir.
O uso de dálias, recurso aceito em teledramaturgia, no telejornalismo muda o sentido do olhar do repórter ou apresentador e dá um ar falso para a apresentação, quebrando o ritmo da leitura.
Provas
O aterramento nas instalações elétricas prediais é uma ligação intencional com a terra, ao longo da qual a corrente elétrica pode fluir, difundindo-se. São aterrados invólucros de equipamentos e partes de instalações. No referente a esse assunto, julgue o item subseqüente.
A seção do condutor ligado à terra de um sistema de eletrodutos metálicos deverá ser escolhida em função do circuito de menor capacidade.
Provas

A figura acima mostra um cabo constituído por um condutor central e um outro externo. Os condutores são isolados por camadas concêntricas de material isolante. No que se refere aos materiais e às características do cabo mostrado, julgue o item subseqüente.
O gradiente de perfuração do dielétrico, ou rigidez dielétrica, assume pouca importância na escolha do
material isolante, uma vez que a blindagem em si atenua consideravelmente a intensidade do campo elétrico em torno do condutor.
Provas
Caderno Container