Foram encontradas 950 questões.
Uma das alternativas possíveis para combate a incêndios consiste no sistema hidráulico, comandado por hidrantes e mangotinhos.
Com referência a esse sistema, julgue o item subseqüente.
Os pontos de tomada de água devem localizar-se preferencialmente nas escadas de edifícios, para facilitar a distribuição de água em casos de incêndios.
Provas
Disciplina: Ética e Regulação Profissional
Banca: CESPE / CEBRASPE
Orgão: Câm. Deputados
A respeito da lei de imprensa, do Código de Ética do Jornalista, da regulamentação da profissão de jornalista, da Constituição da República, do Código Brasileiro de Telecomunicações e do Código de Ética da Radiodifusão, julgue o seguinte item.
O Código de Ética do Jornalista Brasileiro fixa as normas a que deverá subordinar-se a atuação do profissional, nas suas relações com a comunidade, com as fontes de informação, entre os jornalistas e entre os agentes financeiros sustentadores da notícia.
Provas
Acerca de instrumentação, julgue o item subseqüente.
Considere que se possa medir o volume de um cilindro de raio 10 cm e altura 10 cm por dois processos: I – medindo-se as dimensões do cilindro com uma trena com sensibilidade de 0,5 cm e calculando-se o seu volume ou II – enchendo o cilindro com água e pesando a água em uma balança que permita uma precisão de 100 g. Nesse caso, o processo I é o mais preciso.
Provas
Com relação ao regime jurídico dos servidores públicos federais, julgue o item que se segue.
O servidor ocupante de cargo efetivo somente pode exercer funções de direção, chefia e assessoramento após findo o estágio probatório.
Provas

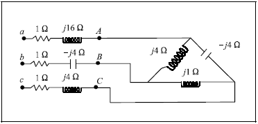
O circuito acima é alimentado por uma fonte de alimentação senoidal trifásica, ideal, equilibrada e simétrica, em regime permanente. A fonte, omitida no desenho, fornece uma tensão de linha de 380 V eficazes. A partir dessas informações e da figura acima, julgue o item subseqüente.
Ao se acrescentar um indutor de impedância igual a !$ j 1 \, \Omega !$ em série, entre cada fase da fonte e uma fase da rede mostrada !$ ( !$!$ a !$, !$ b !$, !$ c !$!$ ) !$, a intensidade da corrente de linha na fase !$ a !$ seria dividida por !$ \sqrt {2} !$ em relação à situação sem o indutor inserido.
Provas
- JornalismoTécnicas de apuração, redação, objetividade, edição e produção jornalísticaTécnicas e Práticas do Jornalismo
Após o desfecho da operação Anaconda, investigação sobre policiais federais e membros do Poder Judiciário feita ao longo de vários meses, diversos órgãos da imprensa foram até a sede da Polícia Federal para participar da entrevista coletiva em que seria feito o balanço das prisões. A entrevista ocorreu em clima de tumulto por causa do grande número de jornalistas presentes e do local acanhado que foi escolhido. Nesse contexto, julgue o item a seguir.
As perguntas fechadas e longas devem ser preferidas porque é possível ao repórter voltar exatamente com a resposta que precisa.
Provas

O circuito acima é alimentado por uma fonte de alimentação senoidal trifásica, ideal, equilibrada e simétrica, em regime permanente. A fonte, omitida no desenho, fornece uma tensão de linha de 380 V eficazes. A partir dessas informações e da figura acima, julgue o item subseqüente.
A intensidade da corrente de linha suprida pela fonte é a mesma em cada fase, sendo igual a 200 A.
Provas
No estabelecimento de um revestimento de piso, os mais variados materiais podem ser usados, desde a pedra até o vidro. Há, entretanto, uma seqüência de características às quais os materiais de revestimento devem atender, para que possam constituir um piso adequado às necessidades locais. Com relação a essas características, julgue o item subseqüente.
Os pisos melamínicos são adequados para tráfego em áreas molhadas em função da sua rugosidade.
Provas
Uma rede de comunicação entre elementos eletrônicos de automação foi implantada, utilizando-se um padrão de barramento RS-485, amplamente conhecido no mercado.
A respeito desse tipo de barramento, julgue o item a seguir.
Apesar de rápida, a taxa de transmissão de dados nesse tipo de barramento não passa de 1Mbps, independentemente de seu comprimento.
Provas
Disciplina: Espanhol (Língua Espanhola)
Banca: CESPE / CEBRASPE
Orgão: Câm. Deputados
La consultoría de ingeniería brasileña
Las empresas brasileñas de consultoría de ingeniería son las autoras de los estudios y diseños de casi todos los proyectos que constituyen la infraestructura física del país.
En los últimos 50 años, las empresas han definido en base a estudios de viabilidad técnica, económica y medioambiental las soluciones de ingeniería y respectivos diseños para construir todos los sistemas de energía eléctrica, de transportes, de saneamiento básico, irrigación y demás componentes de la infraestructura nacional.
En el sector industrial, las empresas brasileñas de consultoría de ingeniería siguen produciendo las mejores soluciones técnicas y económicas para optimización de las inversiones públicas y privadas.
Además de estudiar y definir soluciones, con la producción de diseños para la ejecución de obras e instalaciones, esas empresas se han especializado en actividades de gestión y planeamiento de importancia fundamental para el éxito de las inversiones públicas y privadas, en los más diversos campos.
Internet: <http://www.abceconsultoria.org.br> (con adaptaciones).
De acuerdo con el texto arriba, juzgue lo item siguiente.
En la década de 50 del siglo XX, todos los sistemas de energía eléctrica, de transportes etc., y demás componentes de la infraestructura estaban fallidos en Brasil.
Provas
Caderno Container