Foram encontradas 50 questões.
Considerando a tarefa de conectorizar cabo de par trançado com conectores modulares RJ45, numere as figuras a seguir de 1 a 5, em ordem crescente, indicando o passo a passo dessa tarefa.
( )

( ) 
( ) 
( )

( ) 
Assinale a sequência CORRETA.
Provas
Observe a figura em que se apresentam linhas de transmissão.

Nesse caso, essas linhas de transmissão são do tipo:
Provas
Uma das aplicações das fibras ópticas em curtas distâncias é na construção redes industriais.
Nesse caso, a fibra óptica utilizada é do tipo:
Provas
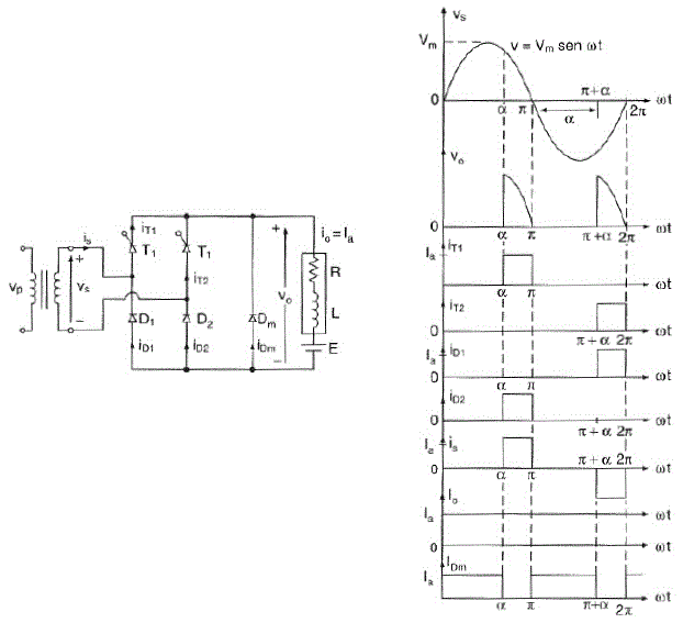
Observe o circuito e as formas de onda a seguir.

Com relação a esse circuito e suas formas de onda, é CORRETO afirmar:
Provas
Analise o diagrama de blocos a seguir.

Na estrutura de um sistema de transmissão digital, esse diagrama de blocos constitui um:
Provas
Observe o circuito e as formas de ondas a seguir.

Com relação a esse circuito e suas correspondentes formas de onda, é CORRETO afirmar que:
Provas
Observe o circuito a seguir.

Com relação a esse circuito, é CORRETO afirmar que:
Provas
Observe o símbolo de uma memória típica a seguir.

Com relação a essa memória, é CORRETO afirmar que:
Provas
Os dispositivos lógicos programáveis podem ser classificados considerando os parâmetros: complexidade das funções, densidade e número de pinos de interconexões.
Dessa forma, a tecnologia que apresenta funções mais complexas e de alta densidade é a:
Provas
Observe as especificações do conversor digital / analógico AD7524 a seguir.

Na escolha de um conversor D/A, dois parâmetros devem ser compatíveis em função de sua aplicação e de seu custo de aquisição.
Esses parâmetros são
Provas
Caderno Container