Foram encontradas 225 questões.
Uma das aplicações das fibras ópticas em curtas distâncias é na construção redes industriais.
Nesse caso, a fibra óptica utilizada é do tipo:
Provas
Observe o circuito e as formas de onda a seguir.

Com relação a esse circuito e suas formas de onda, é CORRETO afirmar:
Provas
Analise o diagrama de blocos a seguir.

Na estrutura de um sistema de transmissão digital, esse diagrama de blocos constitui um:
Provas
Observe o circuito e as formas de ondas a seguir.

Com relação a esse circuito e suas correspondentes formas de onda, é CORRETO afirmar que:
Provas
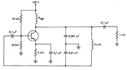
Observe o circuito a seguir.

Com relação a esse circuito, é CORRETO afirmar que:
Provas
Observe o símbolo de uma memória típica a seguir.

Com relação a essa memória, é CORRETO afirmar que:
Provas
Os dispositivos lógicos programáveis podem ser classificados considerando os parâmetros: complexidade das funções, densidade e número de pinos de interconexões.
Dessa forma, a tecnologia que apresenta funções mais complexas e de alta densidade é a:
Provas
Observe as especificações do conversor digital / analógico AD7524 a seguir.

Na escolha de um conversor D/A, dois parâmetros devem ser compatíveis em função de sua aplicação e de seu custo de aquisição.
Esses parâmetros são
Provas
Observe o circuito a seguir.

Com relação a esse circuito, é CORRETO afirmar que:
Provas
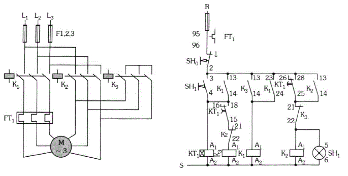
Observe a seguir os circuitos de força e de comando do motor.

Com relação a esses circuitos, é CORRETO afirmar:
Provas
Caderno Container