Foram encontradas 1.456 questões.

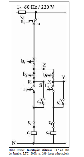
A figura acima mostra o diagrama de controle de um acionamento elétrico. A partir dessas informações, julgue os itens seguintes.
Os contatos seladores dos contatores poderiam ser substituídos, sem provocar alteração no funcionamento do acionamento, por contatos seladores normalmente fechados colocados em série com as bobinas dos respectivos contatores.
Provas

A figura acima mostra o diagrama de controle de um acionamento elétrico. A partir dessas informações, julgue os itens seguintes.
Considere que sejam realizadas as seguintes alterações no diagrama:
• eliminação da conexão entre os pontos R e S;
• eliminação da conexão entre os pontos X e Y;
• introdução de conexão entre os pontos S e Z;
• introdução de conexão entre os pontos Y e Z.
Nesse caso, o diagrama atuaria demodo diferente do original, dando maior importância ao uso do botão “b0”.
Provas

A figura acima mostra o diagrama de controle de um acionamento elétrico. A partir dessas informações, julgue os itens seguintes.
O diagrama não possui intertravamento mecânico, indicando que as peças manobráveis atuam sempre individualmente.
Provas

A figura acima mostra o diagrama de controle de um acionamento elétrico. A partir dessas informações, julgue os itens seguintes.
Esse acionamento elétrico poderia acionar corretamente um motor de indução trifásico, por meio dos contatos de força de “c1”, e um conjunto de lâmpadas sinalizadoras, por meio de “c2”. Nesse caso, as lâmpadas seriam acesas, com a energização de “c2”, para indicar o acionamento do motor e seriam apagadas, com a desenergização de “c2”, para indicar o desligamento do motor.
Provas

A figura acima mostra o diagrama de controle de um acionamento elétrico. A partir dessas informações, julgue os itens seguintes.
O fusível “e3” protege o acionamento elétrico contra curto- circuito, e o relé térmico “e2”, contra sobrecarga.
Provas

Com base na figura acima, que mostra o esquema de acionamento de um motor elétrico, julgue os itens que se seguem.
É correto o uso, no circuito de controle, de amplificador operacional cujas entradas recebam os sinais de velocidade medida e de velocidade de referência.
Provas

Com base na figura acima, que mostra o esquema de acionamento de um motor elétrico, julgue os itens que se seguem.
O motor acionado é de excitação independente, com o circuito de campo alimentado por um retificador monofásico controlado.
Provas

Com base na figura acima, que mostra o esquema de acionamento de um motor elétrico, julgue os itens que se seguem.
O circuito de controle possui duas malhas: uma de corrente e uma de velocidade.
Provas

Com base na figura acima, que mostra o esquema de acionamento de um motor elétrico, julgue os itens que se seguem.
É correto concluir que os circuitos de potência e de controle são protegidos por fusíveis e comandados por contatores.
Provas

Com base na figura acima, que mostra o esquema de acionamento de um motor elétrico, julgue os itens que se seguem.
É correto inferir que o acionamento mostrado utiliza um retificador trifásico controlado.
Provas
Caderno Container