Magna Concursos

Foram encontradas 60 questões.

1901285 Ano: 2014
Disciplina: Engenharia Eletrônica
Banca: EXATUS
Orgão: CEB
Provas:
Uma fonte de alimentação CC consiste em um circuito que a partir da tensão elétrica disponível na rede fornece a tensão contínua no nível requerido pelo circuito alimentado. As fontes podem operar, basicamente, segundo duas tecnologias: linear ou chaveada. Sobre as fontes de alimentação, assinale a alternativa incorreta:
 

Provas

Questão presente nas seguintes provas
1901284 Ano: 2014
Disciplina: Engenharia Eletrônica
Banca: EXATUS
Orgão: CEB
Provas:
Fator de potência é definido como a relação entre a potência ativa e a potência aparente consumidas por um dispositivo ou equipamento, independentemente das formas que as ondas de tensão e corrente apresentem. Sobre fator de potência assinale a alternativa correta:
 

Provas

Questão presente nas seguintes provas
1901283 Ano: 2014
Disciplina: Engenharia Eletrônica
Banca: EXATUS
Orgão: CEB
Provas:
O voltímetro é um aparelho que realiza medições de tensão elétrica em um circuito, geralmente usando a unidade volt, enquanto o amperímetro é um instrumento utilizado para fazer a medida da intensidade da corrente elétrica que passa através da sessão transversal de um condutor, a unidade de medida usada é o Ampère. Com relação ao funcionamento de voltímetros e amperímetros, assinale a alternativa correta:
 

Provas

Questão presente nas seguintes provas
1901282 Ano: 2014
Disciplina: Engenharia Eletrônica
Banca: EXATUS
Orgão: CEB
Provas:
O wattímetro é um instrumento que permite medir a potência elétrica fornecida ou dissipada por um elemento. Com relação aos wattímetros, assinale a alternativa incorreta:
 

Provas

Questão presente nas seguintes provas
1901281 Ano: 2014
Disciplina: Engenharia Eletrônica
Banca: EXATUS
Orgão: CEB
Provas:

A figura abaixo apresenta um modelo simplificado da distribuição resistiva do corpo humano. Considere que durante o choque elétrico uma corrente acima de 5 mA provoca um leve desconforto, que acima de 50 mA pode provocar paralisia muscular e que acima de 500 mA pode ocasionar parada cardíaca. Neste contexto, se uma tensão de 220 V for aplicada entre um pé e as duas mãos juntas, o indivíduo apresentará como sintoma mais grave:

enunciado 1901281-1

 

Provas

Questão presente nas seguintes provas
1901280 Ano: 2014
Disciplina: Engenharia Eletrônica
Banca: EXATUS
Orgão: CEB
Provas:

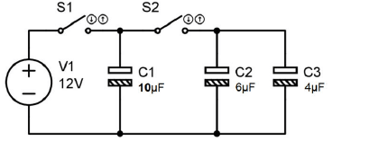
No circuito capacitivo dado a seguir, inicialmente as chaves S1 e S2 estão abertas e os capacitores C1, C2 e C3 totalmente descarregados. No instante t = 0 apenas a chave S1 é fechada até o capacitor C1 atingir a carga total, quando então a chave S1 é aberta e S2 fechada, para esta condição o valor da tensão nos capacitores após atingirem a condição de equilíbrio será:

enunciado 1901280-1

 

Provas

Questão presente nas seguintes provas
1901279 Ano: 2014
Disciplina: Segurança e Saúde no Trabalho (SST)
Banca: EXATUS
Orgão: CEB
Provas:
Segundo a NR-06 (Equipamentos de Proteção Individual) não é de responsabilidade do trabalhador:
 

Provas

Questão presente nas seguintes provas
1901278 Ano: 2014
Disciplina: Segurança e Saúde no Trabalho (SST)
Banca: EXATUS
Orgão: CEB
Provas:
De acordo com a NR-10, nas instalações e serviços em eletricidade deve ser adotada sinalização adequada de segurança, destinada à advertência e à identificação, obedecendo ao disposto na NR-26 – Sinalização de Segurança, de forma a atender, dentre outras, as situações descritas abaixo. Com base no exposto, assinale a alternativa incorreta:
 

Provas

Questão presente nas seguintes provas
1901277 Ano: 2014
Disciplina: Engenharia Elétrica
Banca: EXATUS
Orgão: CEB
Provas:
Os sistemas DeviceNet oferecem vários pontos de conexão para configuração e controle, suportando I/O e explicit messaging.10 ocorrência de um determinado tipo de evento, respondendo a esse evento de uma única forma, dizse que o relé é monofunção. Outros relés são fabricados para atuar na ocorrência de vários tipos de eventos, respondendo a esses eventos de duas ou mais formas, nesse caso, diz-se que o relé é multifunção. Para padronizar e universalizar os vários tipos de funções foi elaborada uma tabela pela ANSI (American National Standards Institute) com a descrição da função de proteção e do código numérico correspondente. Considere a tabela citada e marque a função correspondente ao código 49 (MAMEDE FILHO e MAMEDE, 2011):
 

Provas

Questão presente nas seguintes provas
1901276 Ano: 2014
Disciplina: Engenharia Eletrônica
Banca: EXATUS
Orgão: CEB
Provas:
A DeviceNet é uma rede de baixo nível com base no protocolo CAN, que permite equipamentos desde os mais simples como módulo de I/O, sensores e atuadores, até os mais complexos como controladores lógicos programáveis e microcomputadores. Considere a rede DeviceNet e assinale a alternativa falsa (LUGLI e SANTOS, 2009):
 

Provas

Questão presente nas seguintes provas