Foram encontradas 50 questões.
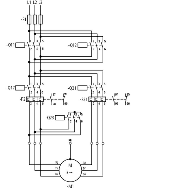
Observe com atenção o circuito abaixo:

O mesmo representa o circuito de acionamento de um:
Provas
Observe com atenção a Tabela 12 da Norma Técnica de Distribuição NTD 6.01 (Fornecimento de Energia Elétrica em Tensão Secundária a Unidades Individuais e Coletiva, da CEB Distribuição), que apresenta informações sobre Dispositivos de Partida para Motores Trifásicos:

Na norma acima citada constam também algumas notas com detalhamentos e recomendações técnicas. Assinale a alternativa que apresenta uma nota INCORRETA:
Provas
Disciplina: Legislação Específica das Agências Reguladoras
Banca: EXATUS
Orgão: CEB
Provas
Provas
Disciplina: Legislação Específica das Agências Reguladoras
Banca: EXATUS
Orgão: CEB
Provas
Provas
Observe com atenção a imagem abaixo, a mesma é a representação de um eletrodo (ou haste) de aterramento. Este componente apresenta as seguintes dimensões em milímetros: 2.400 de comprimento, 25 de largura e 3 de espessura; sua ponta em forma de cunha mede 70.

No desenho técnico, a linha de corte, em forma de “S” destacada pelo círculo, representa:
Provas
Leia com atenção as afirmativas abaixo:
I - As ondas de corrente e de tensão podem estar defasadas uma da outra em um circuito elétrico. Quando a corrente está em uma determinada posição, a tensão pode estar em outra posição e viceversa.
II - Quando a corrente está adiantada em seu deslocamento da tensão, a carga é denominada de indutiva. Este adiantamento (defasamento) é de até 90°. O circuito elétrico é indutivo.
III - Quando a corrente está atrasada em seu deslocamento da tensão, a carga é denominada de capacitiva. Este atraso (defasamento) é de até 90°. O circuito é capacitivo.
IV - Quando a tensão está em fase com a corrente, a carga é denominada de resistia, o circuito é resistivo.
Assinale a alternativa correta:
Provas
Provas
Em um circuito elétrico de Corrente Alternada (CA), a oposição à passagem da corrente elétrica recebe os seguintes nomes:
I - Resistência (R) quando se tratar de um circuito formado por resistência elétrica.
II - Reatância indutiva (XC) quando se tratar de bobinas (enrolamentos).
III - Reatância capacitiva (XL) quando se tratar de capacitor.
De acordo com seus conhecimentos:
Provas
Caderno Container